Hi and thanks for using 2CarPros.
If you have a little mechanical ability and are able to work in tight spaces, then you should be fine. Since this is a turbo, it is a little more difficult, but you should be okay.
If I recall, the turbo needs removed, but since it is only a hose that is being replaced, you should be able to work around it. However, there are two hoses. Once is a high pressure hose which supplies fluid to the rack and pinion and the other is a return line which is low pressure.
Before you get started, here is a link that shows how in general a power steering pump needs replaced. I realize your problem is a hose, but this will provide a general understanding of removal and replacement of the hoses.
Here are the directions specific for replacing the pump in your vehicle. You will need to follow all the directions except removing the pump itself. To access the hoses, things need to be moved. Most of these directions relate to accessing the components. Additionally, they identify the high and low lines and explain how to replace them. When you reach the end of the directions, I will explain how to bleed the system separately.
All pictures correlate with these directions.
REMOVAL AND INSTALLATION
See Picture 1
REMOVAL 2.4L TURBO
NOTE: Before proceeding, Steering Warning
(1)Siphon as much fluid as possible from power steering fluid reservoir.
(2)Raise vehicle.
(3)Drain engine coolant. See: Radiator Drain Plug
(4)Remove right front tire and wheel assembly
See Picture 2
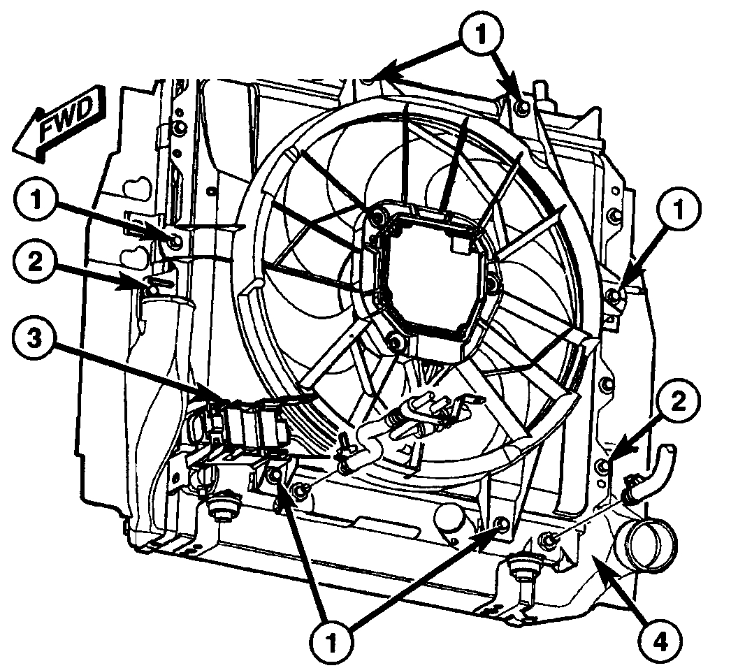
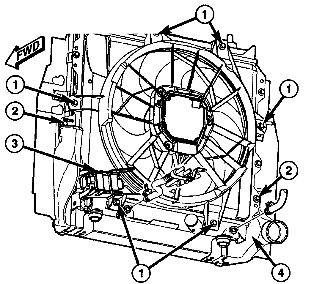
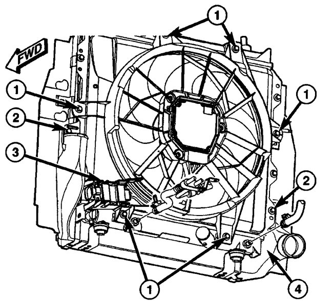
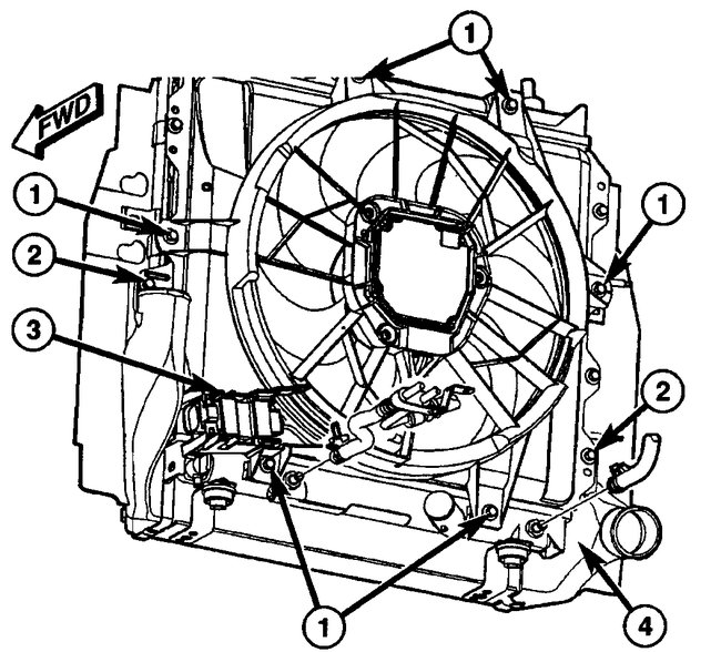
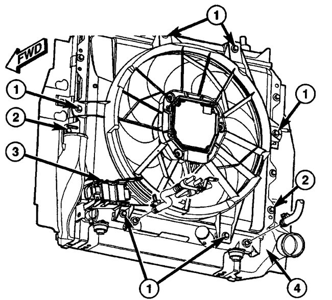
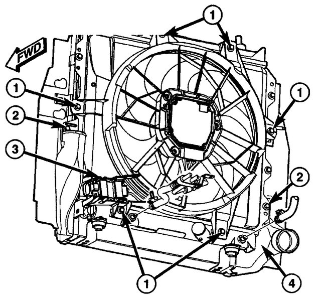
(5)Disconnect radiator fan wiring connector (Fig. 15).
See Picture 3
(6)Remove two lower fan mounting screws (Fig. 16).
(7)Remove accessory drive belt splash shield.
(8)Remove accessory drive belt. See: Drive Belts, Mounts, Brackets and Accessories
(9)Lower vehicle.
See Picture 4
See Pic 5
(10)Remove grille from front of vehicle (Fig. 8).
(11)Remove hood-opening weather-strip from across radiator closure panel.
See Picture 6
(12)Remove ambient temperature sensors from radiator closure panel (Fig. 17).
See Picture 7
Fig. 10 Radiator Closure Panel
(13)Remove fasteners securing upper radiator closure panel in place (Fig. 10), then remove the panel and lay it out of way.
See Picture 8
(14)Remove 2 screws fastening upper radiator hose inlet neck to radiator, then separate inlet neck from radiator (Fig. 18).
(15)Lift cooling module out of its lower mounts and carefully tip top toward front of vehicle. DO NOT FORCE IT.
See Picture 9
(16)Remove remaining four screws fastening radiator fan to cooling module (Fig. 16). Remove fan.
See Picture 10
(17)Remove clamp securing fluid return hose to pump reservoir (Fig. 19), then remove hose from reservoir fitting. Cap off hose end and reservoir fitting.
(18)Back out tube nut securing fluid pressure hose to power steering pump and remove hose from pump (Fig. 19). Cap off hose end and pump pressure port.
See Picture 11
(19)Remove three mounting bolts securing power steering pump in place (Fig. 20).
(20)Remove 2 bolts securing stamped steel support bracket to engine block (Fig. 21). Remove bracket.
See Picture 12
Fig. 21 Bracket Mounting To Engine - 2.4L Turbo
(21)Remove power steering pump with pulley and reservoir attached.
INSTALLATION - 2.4L TURBO
(1)Using a lint free towel, wipe clean open power steering pressure hose end and power steering pump pressure port. Replace any used 0-rings with new. Lubricate 0-ring with clean power steering fluid.
(2)Install power steering pump with pulley and reservoir into its mounting area in same fashion it was removed.
(3)Place pump in mounting position with stamped steel support bracket behind it. Install three pump mounting bolts through bracket and pump, into threaded engine cover (Fig. 20). DO NOT TIGHTEN BOLTS AT THIS TIME.
(4)Install two bolts fastening support bracket to engine block (Fig. 21). Tighten two bolts to 54 N.m (40 ft. lbs.) torque.
(5)Tighten three pump mounting bolts previously installed (Fig. 20) to 28 N.m (250 in. lbs.) torque.
(6)Thread pressure hose tube nut into pump pressure fitting (Fig. 19). Tighten tube nut to 32 N.m (24 ft. lbs. torque.
(7)Install fluid return hose onto power steering fluid reservoir return fitting (Fig. 19). Expand hose clamp and slide it over hose and pump return fitting. Secure clamp once it is past bead formed into fluid reservoir fitting.
(8)Position radiator fan and install two upper and two side mounting screws (Fig. 16). Tighten screws to 6 N.m (55 in. lbs.) torque.
(9)Position cooling module back into its lower mounts.
(10)Clean and inspect or replace upper radiator hose inlet neck 0-ring, then install inlet neck to radiator (Fig. 18). Install 2 mounting screws.
(11)Install radiator closure panel and fasten it in place (Fig. 10).
(12)Install ambient temperature sensors on radiator closure panel (Fig. 17).
(13)Install hood-opening weather-strip across radiator closure panel.
(14)Install grille on front of vehicle (Fig. 8).
(15)Raise vehicle.
(16)Install accessory drive belt.
(17)Install accessory drive belt splash shield.
(18)Install two remaining lower fan mounting screws (Fig. 16). Tighten screws to 6 N.m (55 in. lbs.) torque.
(19)Connect radiator fan wiring connector (Fig. 15).
(20)Install right front tire and wheel assembly. Install and tighten wheel mounting nuts to 135 N.m (100 ft. lbs.) torque.
(21)Lower vehicle.
(22)Fill cooling system
(23)Perform POWER STEERING PUMP INITIAL OPERATION procedure to properly fill and bleed power steering system.
(24)Check for leaks.
___________________________________________
Before restarting the engine, fill all fluids. Fill the power steering reservoir. Lift both front tires safely from the ground. With the engine off, turn the steering wheel all the way left and then right several times. Recheck the fluid level and refill. Repeat the process until you no longer have to refill the reservoir. It is normal to see bubbles in the fluid at this point, so don't be alarmed.
Let me know if this helps or if you have other questions. Also, remember that I attached all directions. If you are able to access the hose without removing something in the directions, that is fine. Just make sure to check for leaks when finished.
Take care and let me know if you need anything,
Joe
Images (Click to enlarge)
Jan 24, 2019 at 6:37 PM