Power steering hose replacement

1996 GMC JIMMY
154,000 MILES • 3.4L • V6 • 4WD • AUTOMATIC
Avatar
BIGDADDYDRACIN
  • MEMBER
  • 2 POSTS
How do you replace the hose pictured?
Jan 20, 2019 at 10:39 PM
Advertisement
Avatar
ASEMASTER6371
  • CERTIFIED EXPERT
  • 52,796 POSTS
Good morning,

There is no picture attached.

Can you repost the picture?

Roy
Jan 21, 2019 at 1:29 AM
Avatar
BIGDADDYDRACIN
  • MEMBER
  • 2 POSTS
There you go buddy.
Jan 21, 2019 at 2:23 AM
Advertisement
Avatar
ASEMASTER6371
  • CERTIFIED EXPERT
  • 52,796 POSTS
Thanks.

I attached the procedure with some pictures for you. Make sure you replace the accumulator as it will be contaminated with moisture when you open the system.

Roy

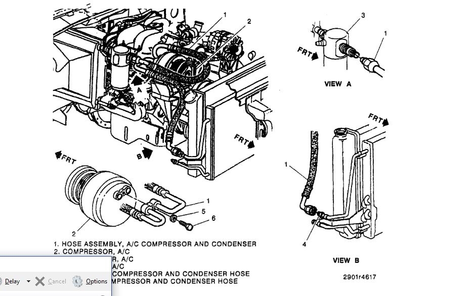
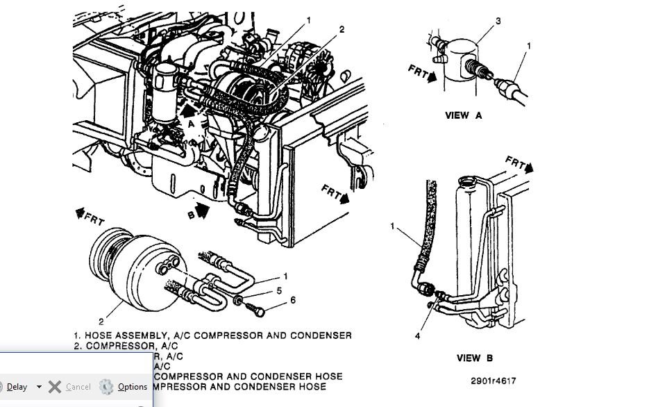
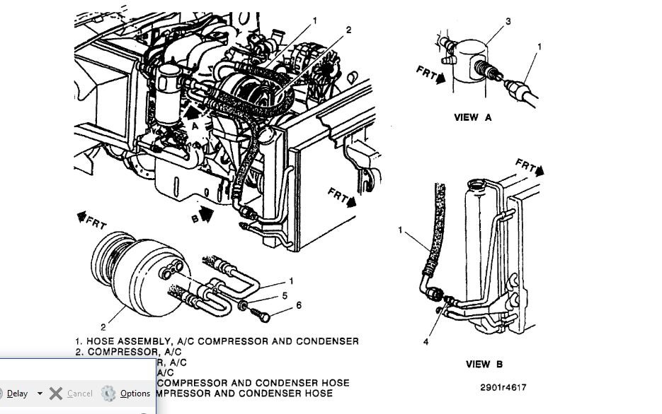
REMOVE OR DISCONNECT (Figure 42)

1. Negative battery cable.

2. Recover refrigerant from the system.

3. Compressor and condenser hose bolt and washer (figure 44).

4. Compressor and condenser hose from compressor.

5. Sealing washers.

6. Compressor and condenser hose from accumulator (figure 46).

7. O-ring seal.

8. Compressor and condenser hose from condenser (figure 48).

9. O-ring seal.

- Cap or plug all open connections.


INSTALL OR CONNECT (Figure 42)



NOTICE: For steps 2, 4, and 7, refer to "Fasteners" under "Vehicle Damage Warnings."



1. New O-ring seal.

- Coat O-ring seal with 525 viscosity refrigerant oil.


2. Compressor and condenser hose to condenser (figure 48).


- Tighten hose to 24 Nm (18 lbs. ft.).


3. New O-ring seal.

- Coat O-ring seal with 525 viscosity refrigerant oil.

4. Compressor and condenser hose to accumulator (figure 46).

- Tighten hose to 41 Nm (30 lbs. ft.).


5. Sealing washers.

6. Compressor and condenser hose to compressor (figure 44).

7. Compressor and condenser hose washer and bolt.

- Tighten bolt to 33 Nm (24 lbs. ft.).


8. Negative battery cable.

9. Refrigerant to the system.

- Check the system for leaks.
Jan 21, 2019 at 3:02 AM