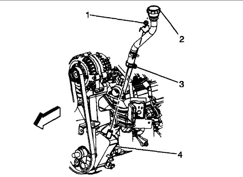
Truck will not brake or steer, when taking weight off front axle, truck will steer but pushes power steering fluid back through filler neck of pump with lid on.
Jan 9, 2020 at 7:34 AM





