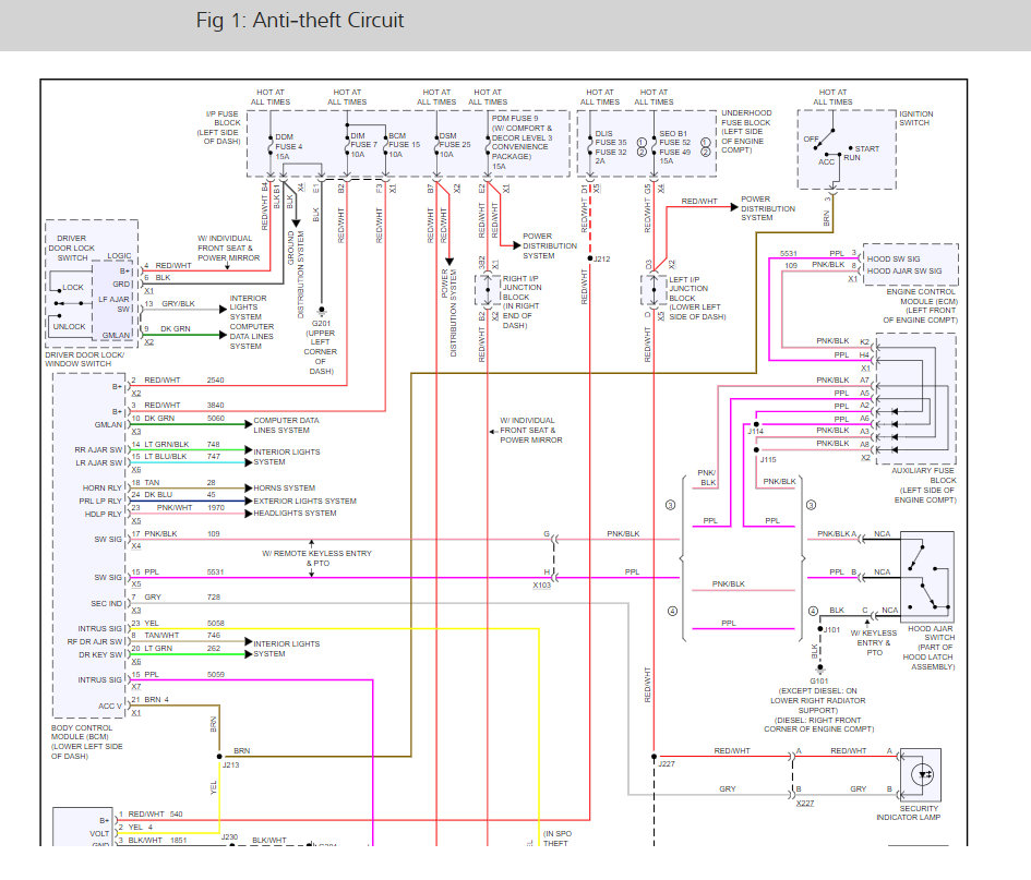
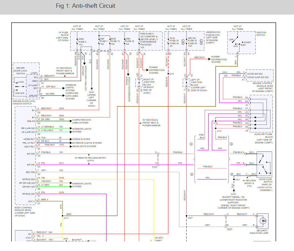
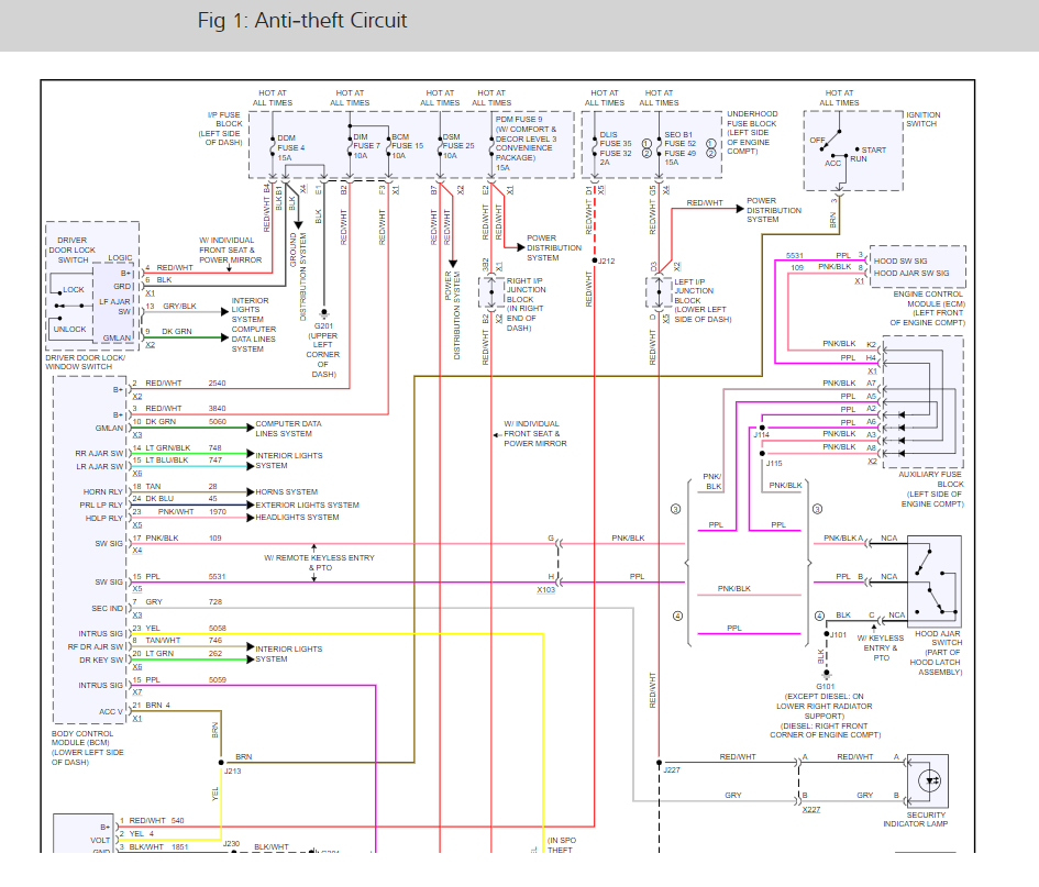
I have the truck listed above duramax 2500H. For this truck I have two key remotes, neither of which lock or unlock truck, but when unlocked with the key manually the alarm still chirps. Also my seat controls on the seat and seat memory, and heat seat controls don't work on the door. Everything else on the door works, and the passenger side everything works.
Sep 15, 2019 at 5:20 AM


















