Power seat I can hear a click when trying to go forward?

2007 FORD MUSTANG
132,000 MILES • V6 • 2WD • AUTOMATIC
Avatar
BHAMDOC1973
  • MEMBER
  • 2,008 POSTS
I had my share of power seat issues including mustangs. For this one i doubt it's a fuse cause the up and down works fine, and because i can hear a click when trying to go forward, but nothing when i go backward. So, it doesn't move front or back.
Sep 18, 2024 at 7:32 AM
Advertisement
Avatar
STRAILER
  • CERTIFIED EXPERT
  • 53,854 POSTS
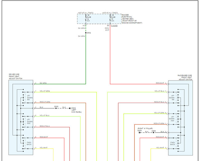
If you hear a click chances are the drive motor for the seat is bad, I would remove the seat and turn it over to test the motor operation. Here is a guide to help you check for power and ground on the motors and I have included the seat wiring diagrams to help you with the testing.

https://www.2carpros.com/articles/how-to-use-a-test-light-circuit-tester

Here is an exploded view of the seat. Thank you for the donation. Check out the images (below). Please upload pictures or videos in your response of any problems so we can see what to help you with.
Sep 18, 2024 at 7:00 PM
Avatar
BHAMDOC1973
  • MEMBER
  • 2,008 POSTS
Okay, will do. Whenever i do move it whether up/down or front i hear the sound from same area which is under a plastic cover. Is it the same motor that controls them?
Sep 19, 2024 at 5:20 AM
Advertisement
Avatar
STRAILER
  • CERTIFIED EXPERT
  • 53,854 POSTS
Yep, the same motor moves the seat back and forth. Also, sometimes items will get stuck in the seat track and jam it so be on the lookout for that as well.
Sep 19, 2024 at 10:13 AM
Avatar
BHAMDOC1973
  • MEMBER
  • 2,008 POSTS
What I mean is, it feels like the front/back and up down noise is in the same area, around the same motor, it's all covered with plastic, so is it one whole unit that controls all 4 positions?
Sep 19, 2024 at 10:25 AM
Avatar
STRAILER
  • CERTIFIED EXPERT
  • 53,854 POSTS
Yep, check out the diagrams above you can see the motors are in the same place for all of the seat controls, can you upload a short video of what you are talking about?
Sep 20, 2024 at 9:30 AM
Avatar
BHAMDOC1973
  • MEMBER
  • 2,008 POSTS
Lightly banged up on the front motor of 3 but response. Removed the seat, cleaned what is obvious and am not seeing anything blocking the track so far, bit without removing the track itself its hard ti know.i know we have ground because it is shared between all 3 motors. Power also must be there because i hear a click. So its either the motor is bad or something is stuck. Have you ever removed the track itself? I cant tell from the view how it can be separated. Also, is it possible to replace just one motor? I also noticed at the motor which has an arm to hook to the metal pipe that there are marked of it slipping off. I cant move it back by hand. Not sure if this means anything.
Sep 22, 2024 at 8:34 AM
Avatar
STRAILER
  • CERTIFIED EXPERT
  • 53,854 POSTS
Yep, good find, the motor is bad and needs to be replaced, I would check ebay.
Sep 22, 2024 at 10:11 AM
Avatar
BHAMDOC1973
  • MEMBER
  • 2,008 POSTS
Fortunately a new switch fixed it. thanks
Sep 24, 2024 at 6:12 AM
Avatar
STRAILER
  • CERTIFIED EXPERT
  • 53,854 POSTS
Hmm, have not seen a switch make click from under the seat but glad you got it fixed.
Sep 24, 2024 at 2:05 PM
Avatar
BHAMDOC1973
  • MEMBER
  • 2,008 POSTS
yes weird, front and back all good. I opened the switch, and nothing seemed broken and no corrosion. But many report failed switch on these cars.
Sep 24, 2024 at 2:19 PM
Avatar
STRAILER
  • CERTIFIED EXPERT
  • 53,854 POSTS
Thanks for the info!
Sep 26, 2024 at 11:07 AM