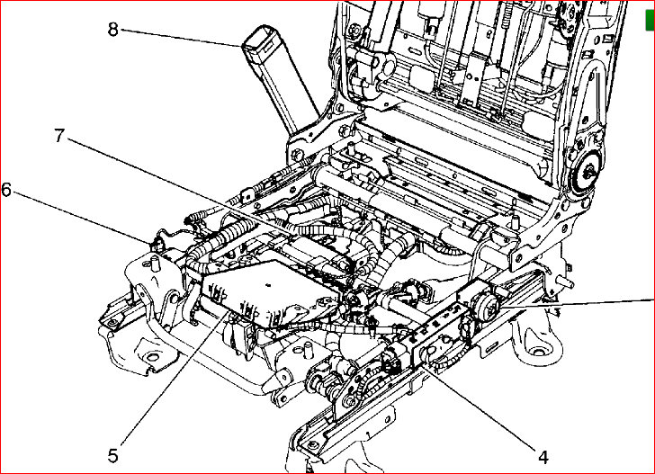
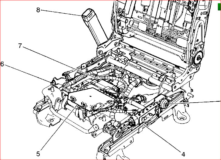
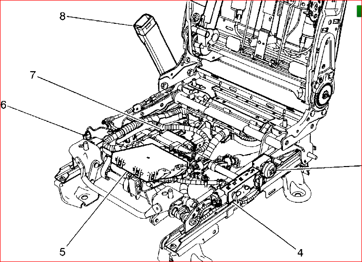
Drivers seat binds on front/back function. Dropped seat back. Right side worm gear is not moving the right slide. Can rotate by hand without turning motor. Stripped gear I would think. I do not see how to remove/replace this part. Dealer wants $600.00 to replace entire power unit. Can this part be replaced?
Aug 15, 2018 at 8:16 AM



