Where is the Power Seat fuse located?

2009 DODGE GRAND CARAVAN
227,000 MILES • 3.3L • 6 CYL • 2WD • AUTOMATIC
Avatar
KRISTENK16
  • MEMBER
  • 4 POSTS
The driver's seat power stopped working. I cannot move the seat at all. Would this be a fuse issue? Where is the fuse located? In the fuse box, or in the seat control attachment?
Sep 17, 2024 at 10:52 PM
Advertisement
Avatar
JACOBANDNICKOLAS
  • CERTIFIED EXPERT
  • 110,175 POSTS
Hi,

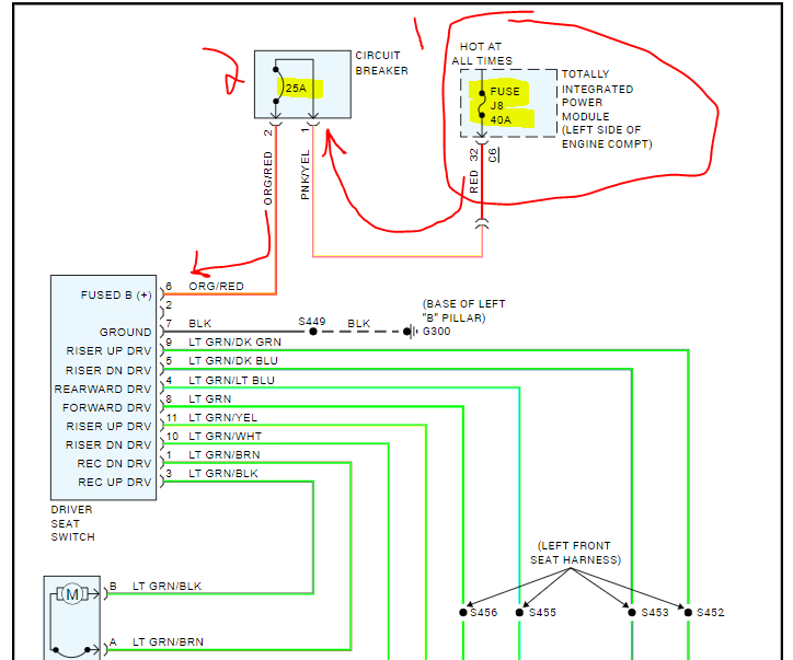
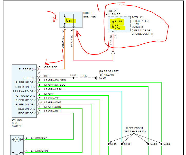
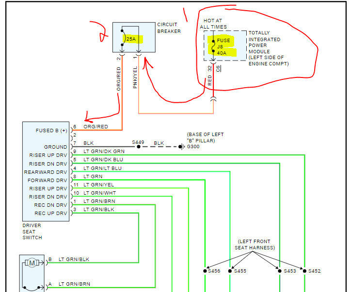
Power to the driver's seat depends on two things. First, fuse J8 in the under-hood fuse box (40 amp), provides power to a 25-amp circuit breaker. That sends power to the seat switch.

Both the fuse and circuit breaker are located in the same power box under the hood. If you look below, I attached a couple pictures to help.

Check the fuse first. If it is good, then I recommend going to the switch on the seat. There will be an orange wire with a red tracer. Check it for power.

Here is a link you may find helpful:

https://www.2carpros.com/articles/how-to-check-a-car-fuse

Let me know what you find.

Joe

See pics below.
Sep 18, 2024 at 5:59 PM
Avatar
KRISTENK16
  • MEMBER
  • 4 POSTS
It was the 40a fuse! Thank you so much. I have a bad habit of moving the seat completely back when I get out of the car, and of course that is when the fuse went bad and I could barely reach the pedal! Much appreciated.
Sep 19, 2024 at 1:31 PM
Advertisement
Avatar
JACOBANDNICKOLAS
  • CERTIFIED EXPERT
  • 110,175 POSTS
Hi,

Thank you for the update and you are very welcome. I'm glad you found the issue. When I move customer cars around, it is nearly impossible to reach the pedals at times, but I don't want to change their settings. So, I usually just slide up like I was 10 years old. LOL

Take care of yourself and feel free to come back anytime in the future.

Joe
Sep 19, 2024 at 6:34 PM