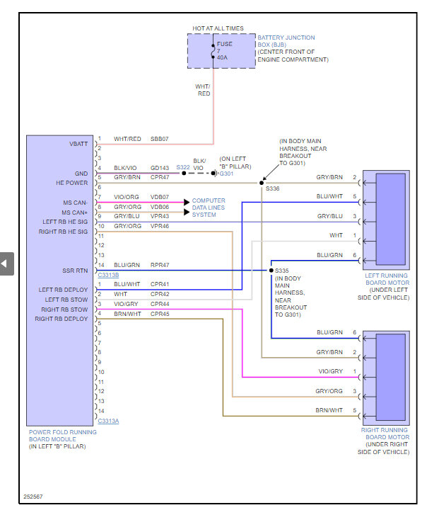
My vehicle listed above doesn’t even recognize the running boards are on my truck… bought the truck 3 months ago, running boards have never worked would love to get them working… do I start with buying new motors? A new modulator? I’ve checked all fuses, and all are good… thank you for all and any help.
Jan 13, 2023 at 8:29 PM



