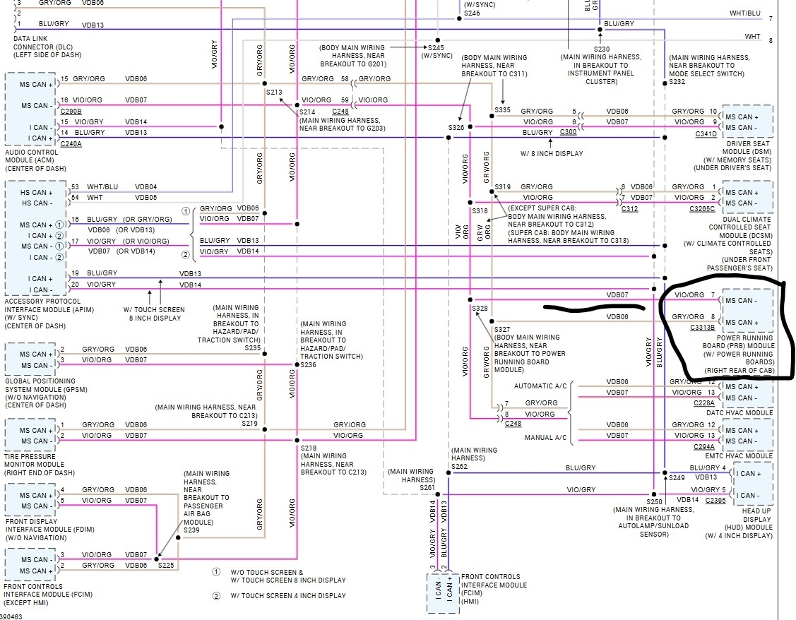
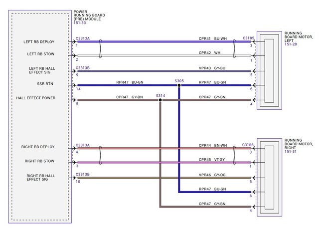
Yeah it looks like they didn't put them on the trucks that didn't have the option package. That means you will need to make the harness. It isn't really that difficult. You just match up the colors between the two sides to the connectors you already have. So, for the left sideboard (drivers' side) you need the blue and white twisted pair plus a gray w blue, a blue w green and a gray w brown wire. So, 5 wires that should go to the connector that you have with the large boot on it, one of them likely already has those colors in it. The right side would be the brown with white and violet with gray then a gray with orange and the same blue with green and gray with brown wires that you used on the other side. It looks like there are stubs for all of those in the connectors you have for the module. Then there are 4 wires that connect to the truck side, those are the gray with orange and violet with orange that will connect to the network and the power (Blue w red) and ground (black with yellow)
Now if you look Ford was nice and used mostly different colors except they re-used the gray with orange. However, they are on two different pins in the connectors, and they go to different locations.
So, you would end up with one harness with 5 wires that would go from the module out to the driver's side, another with 5 wires to the passenger side and the last with 4 wires that would end up going up to the front of the truck. And could actually be tied into the truck near the OBD connector to make it easier.
Apr 2, 2025 at 11:53 AM