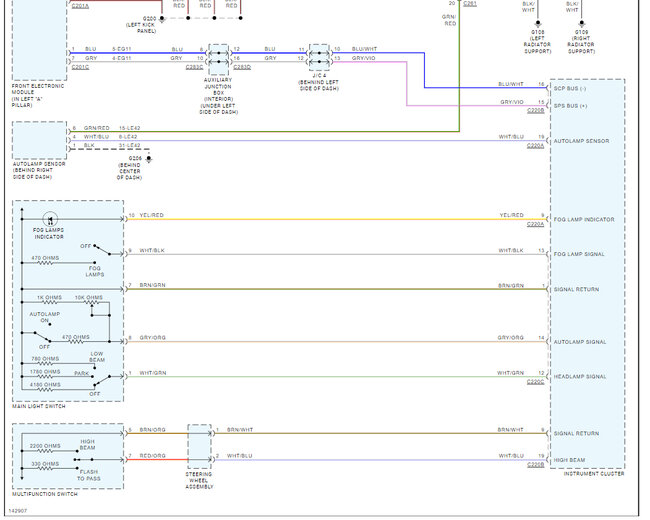
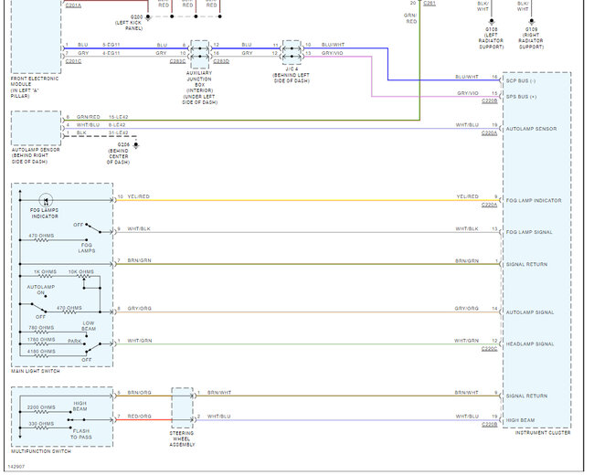
I have no dash lights, no crank, headlights won’t shut off, power windows no power. I have changed both control modules ignition switch all relays nothing helped to fix problems.
Oct 16, 2024 at 5:38 AM











