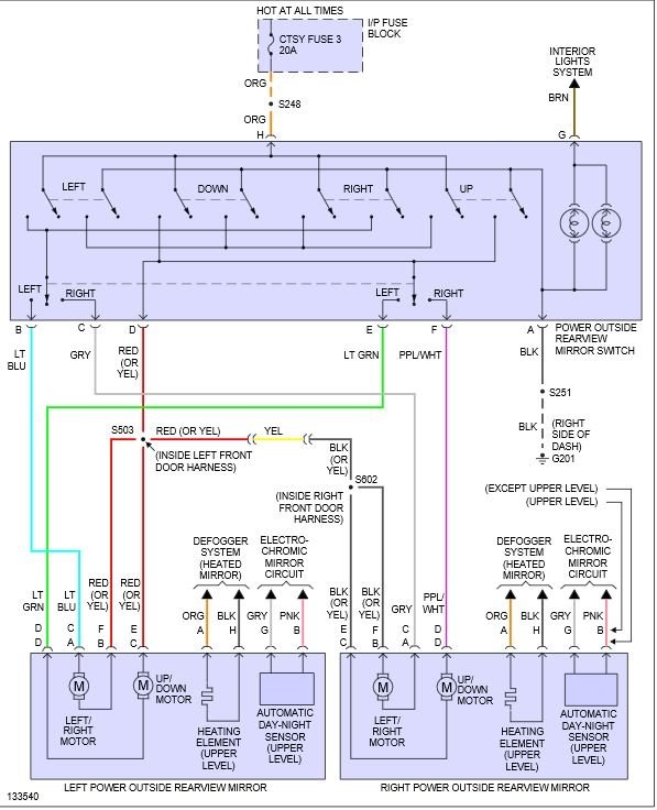
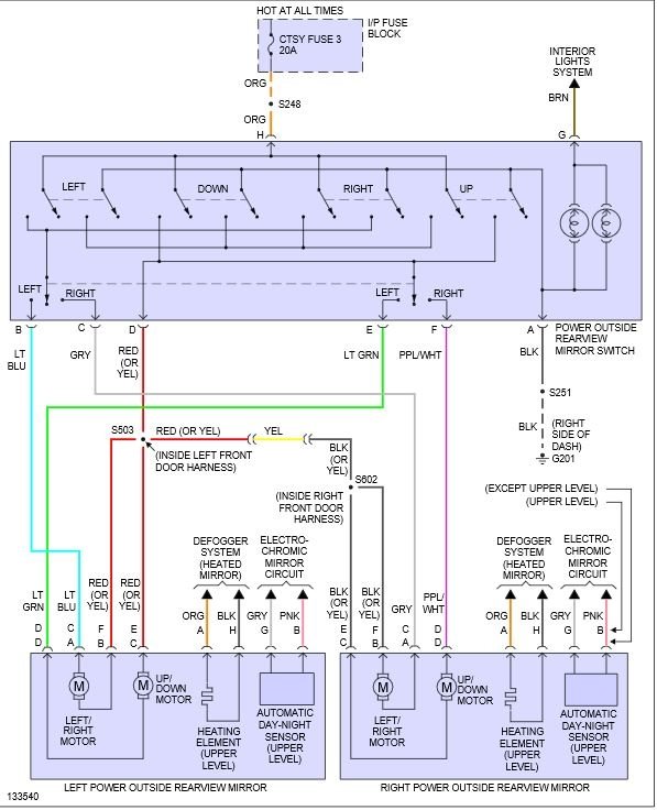
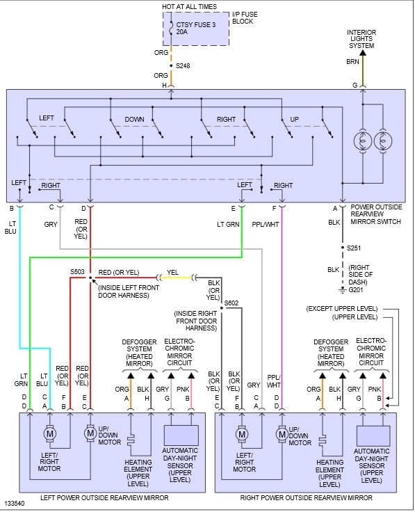
I have a Mexican 2000 Cheyenne which is basically an American 2000 c2500 3/4 ton with a 5.7 in it, though the shell or the body is that of an actual 2000 Silverado, don’t know if that’s useful was the engine and computer i believe are not the usual 5.3l Vortec seen in an American 2000 Silverado.
Any ways, my truck has power mirrors and a power mirror switch to move the mirrors around, though if you press anywhere in the directional pad, neither of the mirrors work. I remember testing the cables, fuse and switch (not entirely sure) and was getting no power into any cable. I’m not sure if the mirrors work off of ground either like some windows do. Maybe there is a module I don’t know about or something I’m missing, thanks in advance.
Any ways, my truck has power mirrors and a power mirror switch to move the mirrors around, though if you press anywhere in the directional pad, neither of the mirrors work. I remember testing the cables, fuse and switch (not entirely sure) and was getting no power into any cable. I’m not sure if the mirrors work off of ground either like some windows do. Maybe there is a module I don’t know about or something I’m missing, thanks in advance.
Mar 21, 2019 at 11:09 PM


