Power mirrors do not work?

2009 MITSUBISHI GALANT
120,000 MILES • 2.4L • 4 CYL • AUTOMATIC
Avatar
JOHN KULIK
  • MEMBER
  • 3 POSTS
My door power mirrors do not work. Either one of them. What could be wrong?
Feb 24, 2023 at 12:48 PM
Advertisement
Avatar
JACOBANDNICKOLAS
  • CERTIFIED EXPERT
  • 110,175 POSTS
Hi,

If they both stopped at the same time, either we lost power (fuse) or the switch failed.

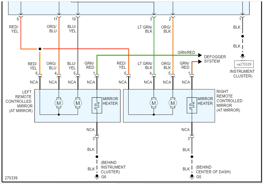
If you look below, pics 1 and 2 are the wiring schematic for the mirrors. Note that power to the switch is provided via fuse 14 in the interior fuse box. That is what I would check first. In addition to checking the fuse, also make sure there is power to and from it. You could have a good fuse, but no power is present. Here is a link you may find helpful. Note: the key must be in either the run position or ACC position for power to be present at the fuse.

https://www.2carpros.com/articles/how-to-check-a-car-fuse

If the fuse is good and there is power available, we need to check the blue wire at the switch to confirm it has power present as well.

Pic 3 shows the fuse to check.

Let me know what you find or if you have other questions.

Take care,

joe

See pics below.

Feb 24, 2023 at 9:48 PM