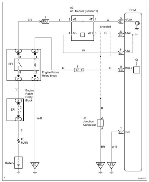
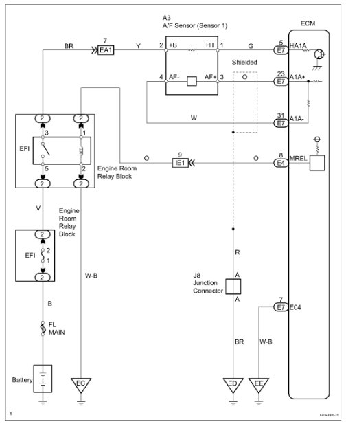
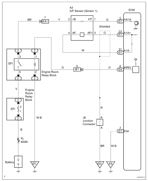
Stalls when clutch pressed. hissing sound when gas pedal pressed. exhaust sounds muffled starts won't idle. Unknown check engine light on possibly o2 sensor.
Sep 25, 2019 at 4:34 PM


















