Power loss

2002 FORD FOCUS
280,000 MILES • 4 CYL • 4WD • AUTOMATIC
Avatar
JOHNP71
  • MEMBER
  • 7 POSTS
My car listed above zts model wont shift out of park. the windshield wipers quit working and the power windows will not work, quit all at the same time.
Jul 8, 2019 at 6:23 PM
Advertisement
Avatar
ASEMASTER6371
  • CERTIFIED EXPERT
  • 52,796 POSTS
Good morning,

Does the car start and run? I am concerned the battery is too low to supply voltage to the car.

https://www.2carpros.com/articles/car-battery-load-test

Roy
Jul 9, 2019 at 2:34 AM
Avatar
JOHNP71
  • MEMBER
  • 7 POSTS
Yes, car starts an runs good. my windows and windshield wipers my brake lights and blower fan all quit working at the same time. also it will not shift out of park without pushing safety switch.
Jul 9, 2019 at 11:28 AM
Advertisement
Avatar
ASEMASTER6371
  • CERTIFIED EXPERT
  • 52,796 POSTS
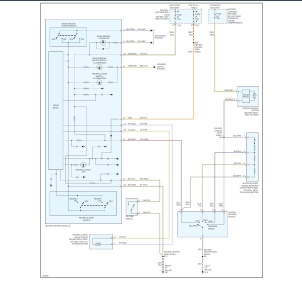
Okay, Let us address the blower first.

Make sure you have power to the blower motor as in the diagram I attached. One of the wires should have voltage with the key on. If there is no voltage, check the fuse listed for power on both sides.

Roy
Jul 9, 2019 at 11:35 AM
Avatar
ASEMASTER6371
  • CERTIFIED EXPERT
  • 52,796 POSTS
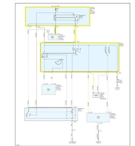
Okay, the brake lights. I attached another diagram for you to view. Check for power to the switch at the wire I highlighted.

Roy
Jul 9, 2019 at 11:38 AM
Avatar
JOHNP71
  • MEMBER
  • 7 POSTS
I have checked all fuses and all are good.
Jul 9, 2019 at 11:40 AM
Avatar
ASEMASTER6371
  • CERTIFIED EXPERT
  • 52,796 POSTS
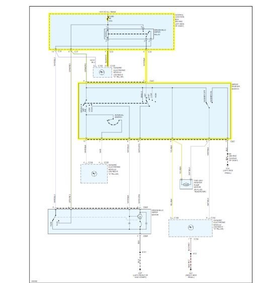
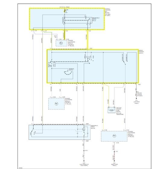
Okay, the windows.

I attached a diagram for you. Check for voltage at the fuses listed and at the master switch with the highlighted wires.

Roy
Jul 9, 2019 at 11:41 AM
Avatar
JOHNP71
  • MEMBER
  • 7 POSTS
I have checked all fuses and all are good. I just don't understand how everything could quit all at the same time. car was running fine I stopped for gas when I restarted the car that is the problem.
Jul 9, 2019 at 11:43 AM
Avatar
ASEMASTER6371
  • CERTIFIED EXPERT
  • 52,796 POSTS
Finally the wipers. Check the fuse listed for power.

The one thing they have in common is the GEM module or the body control module.

Roy
Jul 9, 2019 at 11:44 AM
Avatar
JOHNP71
  • MEMBER
  • 7 POSTS
I cannot find exactly where the master switch is.
Jul 9, 2019 at 11:49 AM
Avatar
ASEMASTER6371
  • CERTIFIED EXPERT
  • 52,796 POSTS
Did you verify voltages at the fuse on both sides? The fuse can look good but does it have power?

Did you verify power to the components as I highlighted?

https://www.2carpros.com/articles/how-to-check-wiring

Roy
Jul 9, 2019 at 11:50 AM