My original issue was that my power locks would (randomly) stay in a constant state of locking. Sometimes, even just trying to get into the van is difficult because immediately as I hit the unlock on the remote, it automatically locks itself back. I would have to time it perfectly to get the door open. Then, driving down the road, it just continues to lock, lock, lock, lock.. I turned off all auto locking mechanisms (i.e. putting into drive and it auto locks) but it still does this. Again, this is random making it near impossible to test any wires during malfunction.
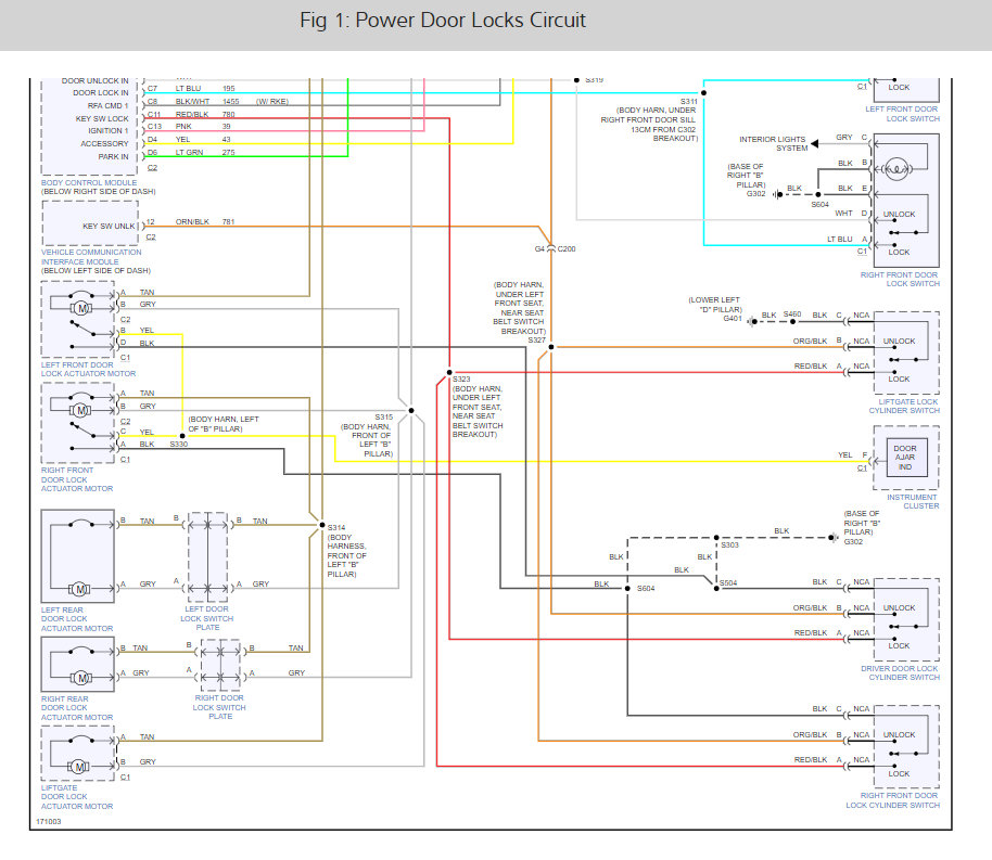
I looked up some information on how to fix this and in trying to figure it out, I happened upon finding that my power lock button in the vehicle doesn't work. I've had the vehicle for about 8 months and just never noticed. But, thinking the two issues may be related, I started investigating and researching. I've pulled up the passenger side foot plate section and found the blue and white splices for the locks. Everything looked good, but I re-soldered both just in case. I tested with a meter and both are receiving 12V. The wires drop voltage when unlock is pressed, but nothing when the lock button is pressed.
I also looked at the BCM. I tested the nodes from the BCM and both are putting out 12V. I even ran a little test by running a wire from the white wire in the carriage to the blue wires at the splice and when I pressed the lock button, it unlocked the doors. I thought at the very least, this proves that the actual lock button itself functions? Otherwise, I am at a loss at this point.
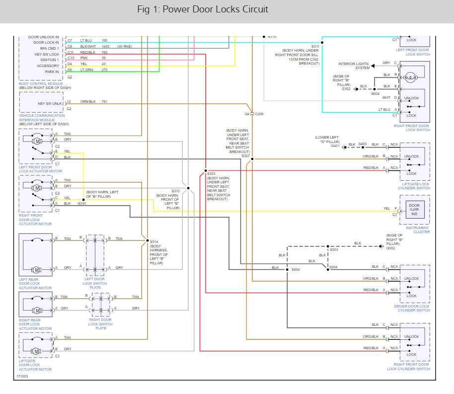
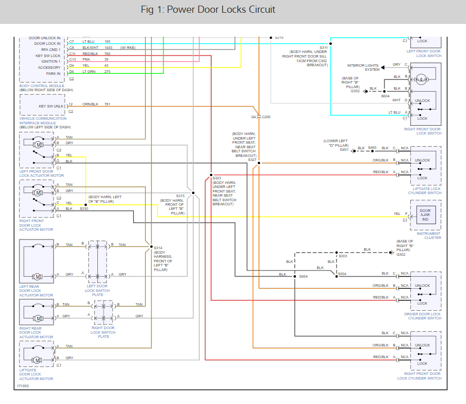
I looked up some information on how to fix this and in trying to figure it out, I happened upon finding that my power lock button in the vehicle doesn't work. I've had the vehicle for about 8 months and just never noticed. But, thinking the two issues may be related, I started investigating and researching. I've pulled up the passenger side foot plate section and found the blue and white splices for the locks. Everything looked good, but I re-soldered both just in case. I tested with a meter and both are receiving 12V. The wires drop voltage when unlock is pressed, but nothing when the lock button is pressed.
I also looked at the BCM. I tested the nodes from the BCM and both are putting out 12V. I even ran a little test by running a wire from the white wire in the carriage to the blue wires at the splice and when I pressed the lock button, it unlocked the doors. I thought at the very least, this proves that the actual lock button itself functions? Otherwise, I am at a loss at this point.
May 30, 2020 at 8:22 PM





