A little backstory.
My car battery gave out one night so I went to AutoZone to purchase a new one. Never again. The woman who sold me the battery opted for an alternative version that they had in stock. She told me that it would fit my vehicle perfectly. So I get home to test it out. The terminals are reversed.
Basically I tried to slide the cables around the correct way. I noticed this spark so I stopped working on the car and decided to work on this issue in the morning. I'm like I changed batteries all the time what was that? I notice that the terminals are reversed so I took it back to the store for a refund. Grabbed the correct battery and installed it in under 10 minutes.
I thought all was good.
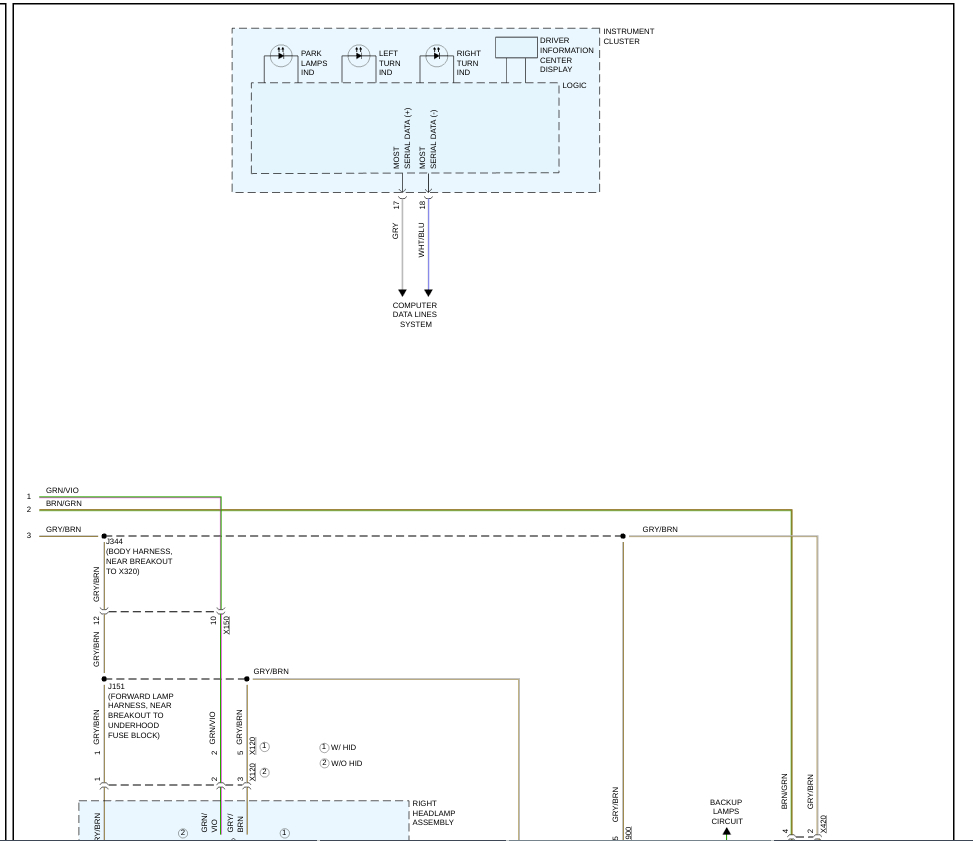
I start my car up and attempted to put the car in reverse. Shifter won't budge, my whole dash won't power up, and tachometer is dead. I check the instrument panel fuse box and notice that the Logistics fuse #18 was blown. Back to AutoZone for fuses. Replaced the fuse and I thought all was well. We're back in motion, everything is working, or I thought.
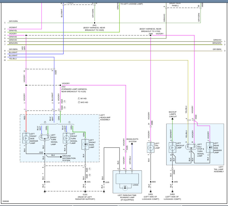
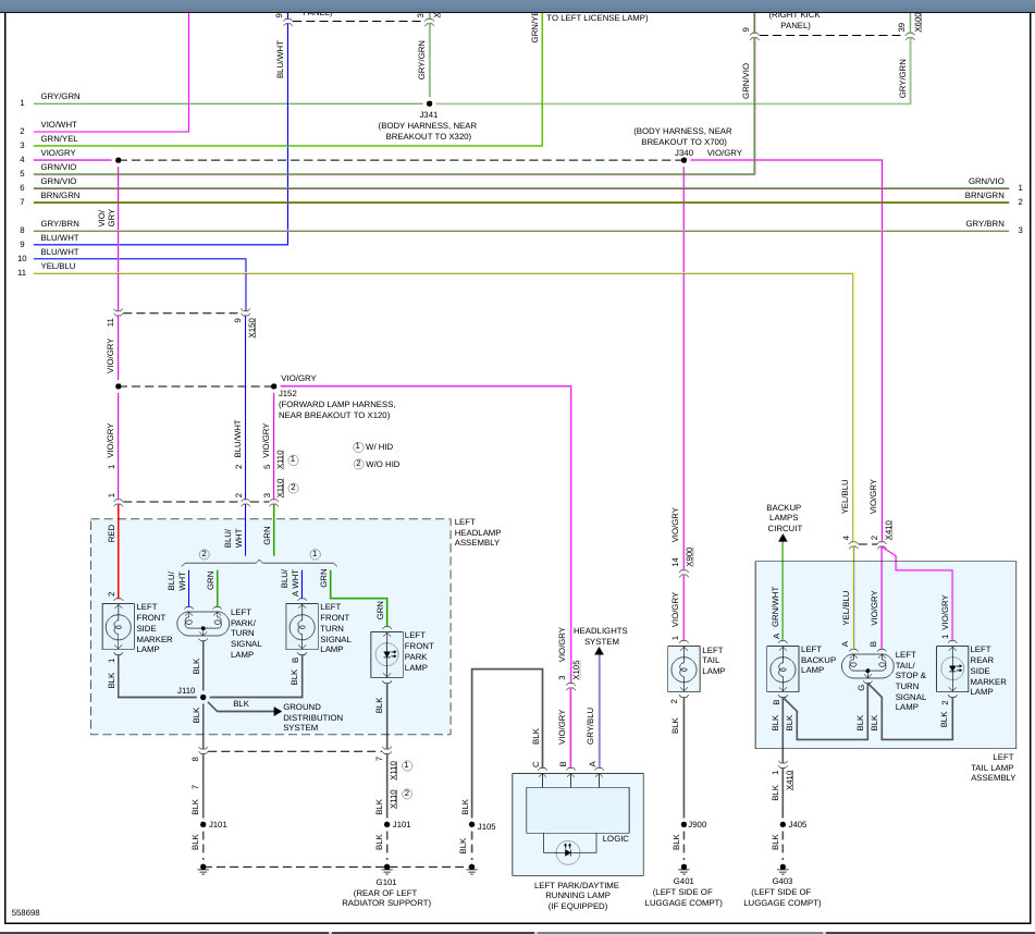
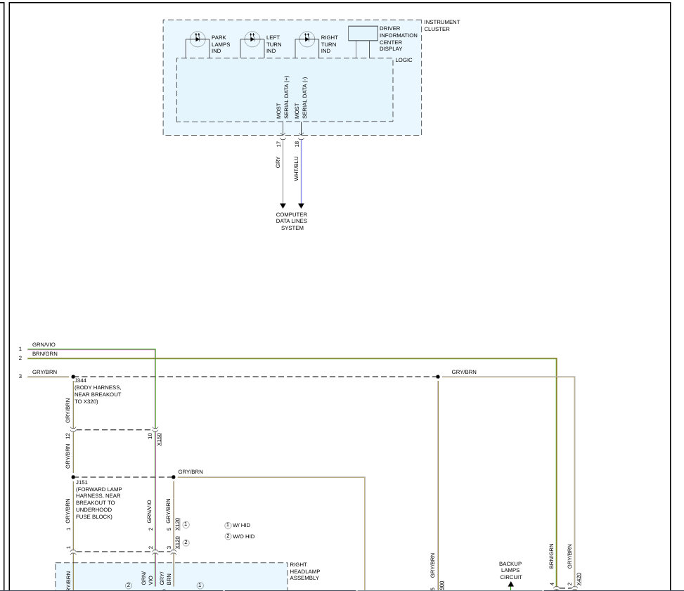
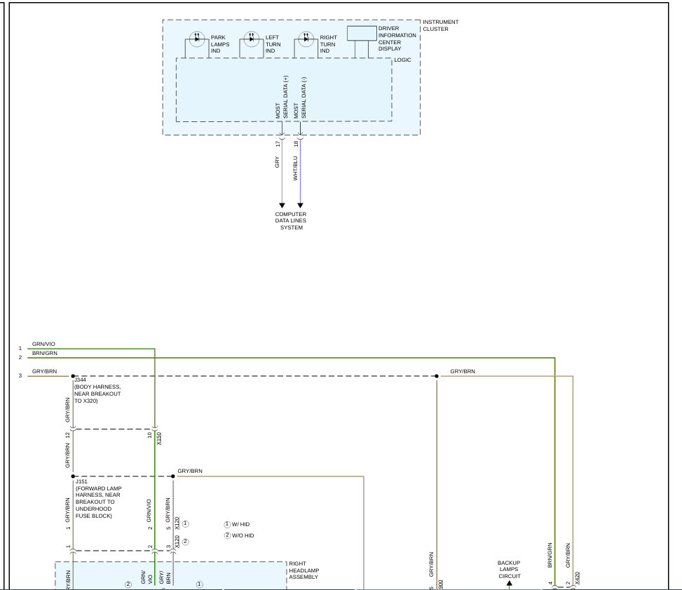
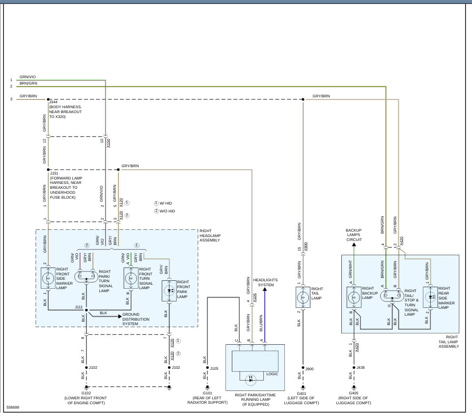
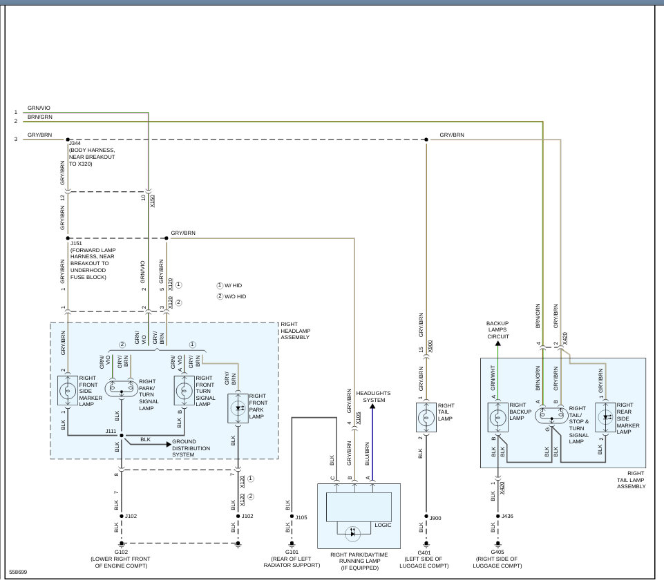
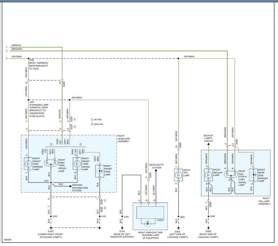
So now I'm just having an issue with fuse #9 (trunk lamp/right low-beam headlamp/DRL/right front turn lamp/right rear parking lamp/ and stop lamp) and none of my doors lock and unlock automatically except the driver door.
Fuse 9 is getting power and lights up on the tester. All the fuses are good actually. I took the car to Chevrolet and they told me that I would have to take a day off work because their electrical guy isn't in on the weekends.
They also charge $135.00 just to look at it. The service writer told me that electrical issues aren't covered with the Bumper to Bumper Warranty. I was told that maybe my BCM is malfunctioning but I don't want to buy a part that I don't need.
Does anyone have an idea to what's going on or what steps I should take to fix this issue? I miss fixing older cars, lol. I'm stumped.
I gave my car a stroke.
My car battery gave out one night so I went to AutoZone to purchase a new one. Never again. The woman who sold me the battery opted for an alternative version that they had in stock. She told me that it would fit my vehicle perfectly. So I get home to test it out. The terminals are reversed.
Basically I tried to slide the cables around the correct way. I noticed this spark so I stopped working on the car and decided to work on this issue in the morning. I'm like I changed batteries all the time what was that? I notice that the terminals are reversed so I took it back to the store for a refund. Grabbed the correct battery and installed it in under 10 minutes.
I thought all was good.
I start my car up and attempted to put the car in reverse. Shifter won't budge, my whole dash won't power up, and tachometer is dead. I check the instrument panel fuse box and notice that the Logistics fuse #18 was blown. Back to AutoZone for fuses. Replaced the fuse and I thought all was well. We're back in motion, everything is working, or I thought.
So now I'm just having an issue with fuse #9 (trunk lamp/right low-beam headlamp/DRL/right front turn lamp/right rear parking lamp/ and stop lamp) and none of my doors lock and unlock automatically except the driver door.
Fuse 9 is getting power and lights up on the tester. All the fuses are good actually. I took the car to Chevrolet and they told me that I would have to take a day off work because their electrical guy isn't in on the weekends.
They also charge $135.00 just to look at it. The service writer told me that electrical issues aren't covered with the Bumper to Bumper Warranty. I was told that maybe my BCM is malfunctioning but I don't want to buy a part that I don't need.
Does anyone have an idea to what's going on or what steps I should take to fix this issue? I miss fixing older cars, lol. I'm stumped.
I gave my car a stroke.
Jan 26, 2020 at 9:18 PM













