Lock button on the driver's door does not function?

2009 CHEVROLET MALIBU
100,500 MILES • 2.4L • 4 CYL • 2WD • AUTOMATIC
Avatar
KGETZ
  • MEMBER
  • 104 POSTS
I am having an issue where the plungers on all four of my doors will move, but not move up or down to lock or unlock. Sometimes one or two will move up and down, but a lot of the time none of them do. Also, the LOCK button on the driver's door does not function. The LOCK button works on the passenger door, but not the driver's side.
Sep 2, 2023 at 12:04 AM
Advertisement
Avatar
STRAILER
  • CERTIFIED EXPERT
  • 53,855 POSTS
This sounds like the BCM is bad but to be sure let's do a CAN scan. You can get a CAN scanner (Controller Area Network) which will work on most cars from Amazon.

Here is a video to show you how:


https://youtu.be/u-4syLc-ifQ


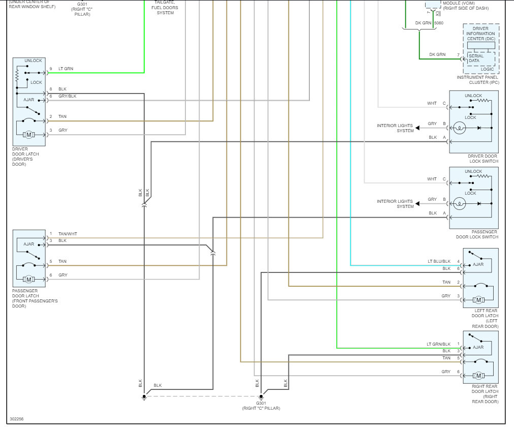
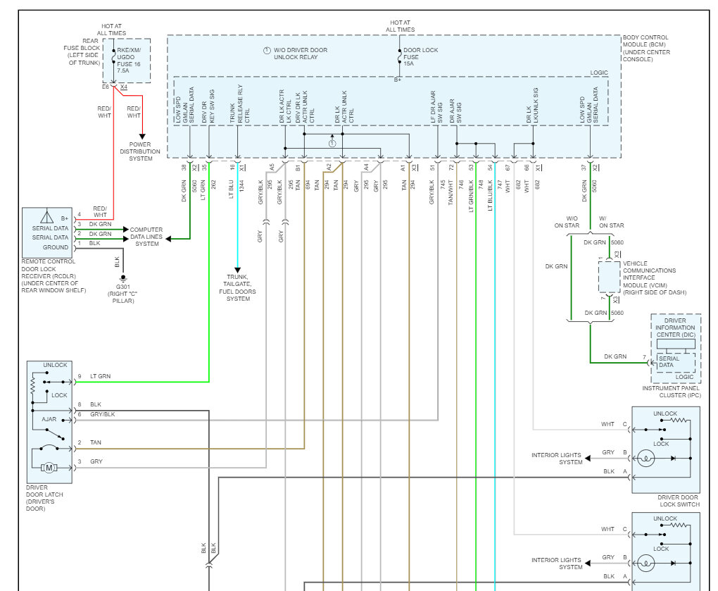
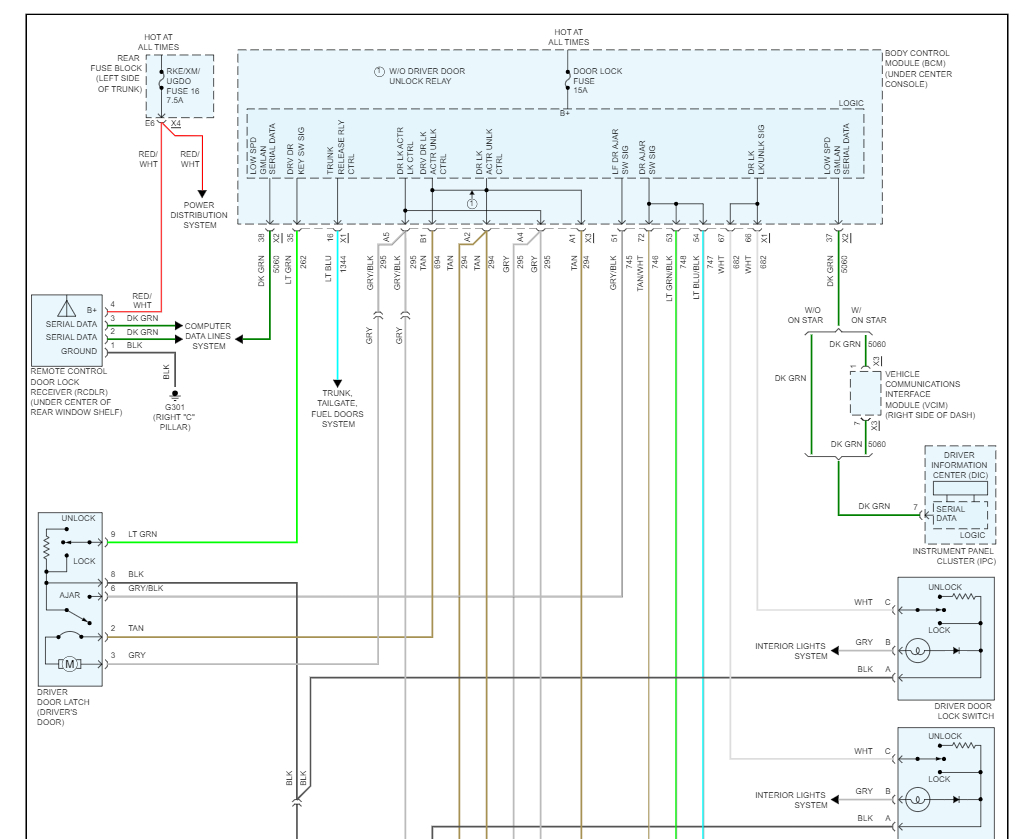
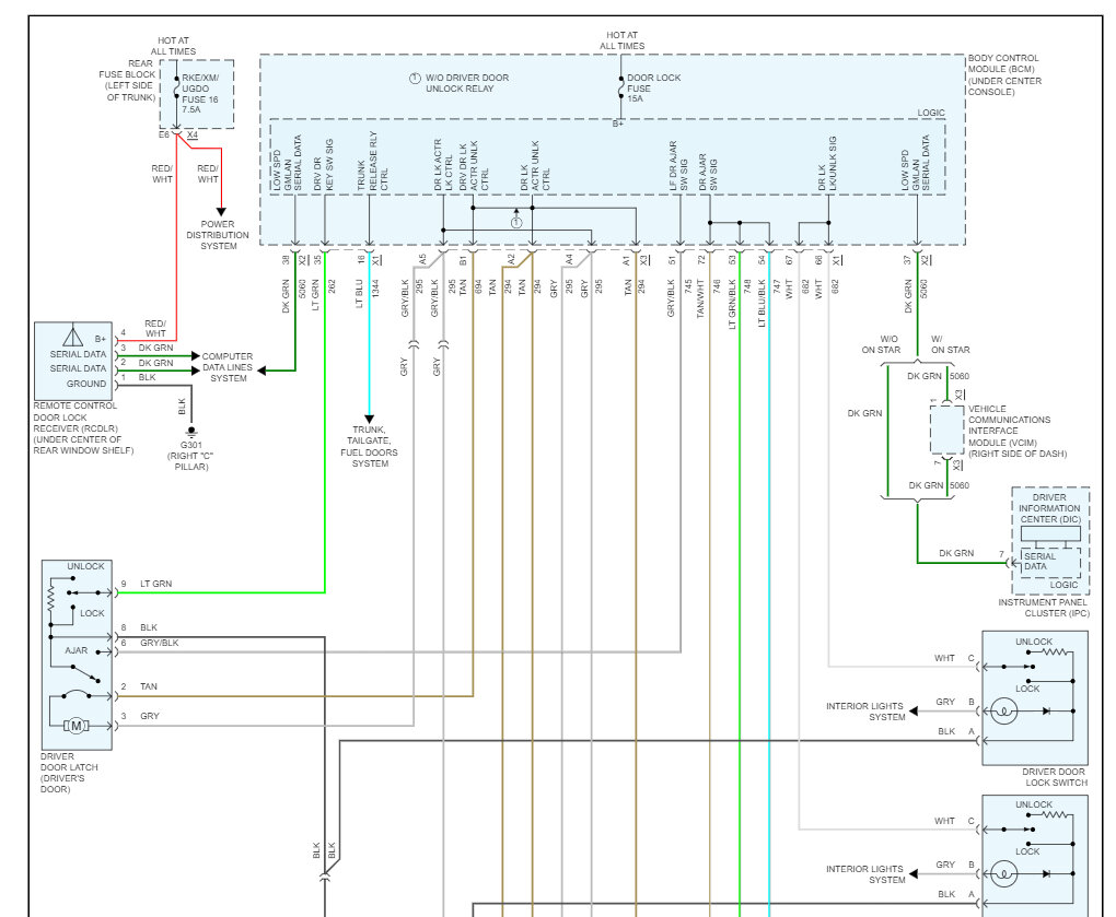
Here is how the door lock works in the door lock wiring diagrams below. Also, I have included how to change out the BCM as well, you can get a preprogrammed unit by searching Google or Ebay. Also let's check the system grounds, this guide can help:

https://www.2carpros.com/articles/how-to-use-a-test-light-circuit-tester

Use the wiring diagrams to see the ground locations. Check out the images (below). Let us know what happens and please upload pictures or videos of the problem so we can see what's going on.
Sep 3, 2023 at 11:03 AM