Windshield wipers not working?

2006 VOLVO XC90
164,000 MILES • 4.2L • V8 • 4WD • AUTOMATIC
Avatar
GETEMTIGER
  • MEMBER
  • 2 POSTS
I bought this car a few years ago and the windshield wipers worked completely fine. Now I can't get the wipers to work, I have checked the fuse under the hood that shows in the manual, changed motor, changed switch. How do i test to see what would be causing the issue directly? The owner prior did install an aftermarket stereo that I removed and tried to put back in the old one due to there being no power to the passenger seat which was a mess in itself so there is no stereo. i also have no power to the front cigarette lighter and I made sure it was plugged in. I'm not sure what else to do at this point but wonder if the issue is stemming from wiring issue where the stereo belongs or something else. Thank you in advance for any help!
Nov 16, 2023 at 1:38 PM
Advertisement
Avatar
GETEMTIGER
  • MEMBER
  • 2 POSTS
update, I tested the power to the motor and to the fuse #7 in the engine compartment, there is no power going to either one.
Nov 16, 2023 at 3:38 PM
Avatar
JACOBANDNICKOLAS
  • CERTIFIED EXPERT
  • 110,175 POSTS
Hi,

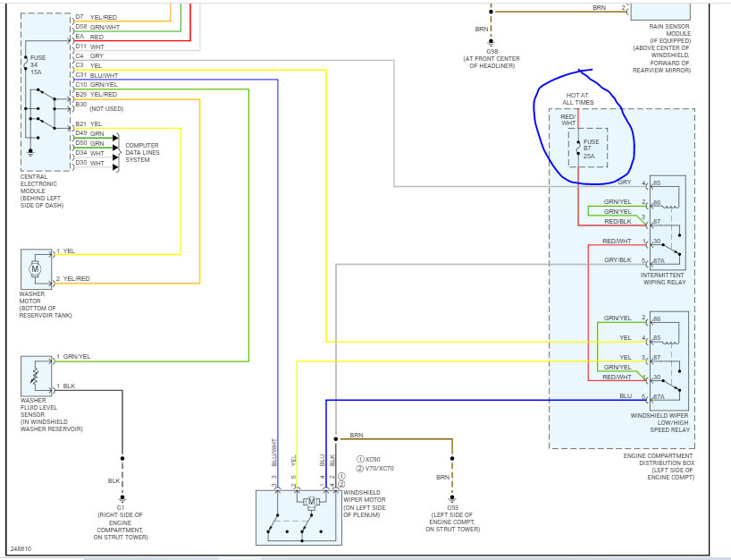
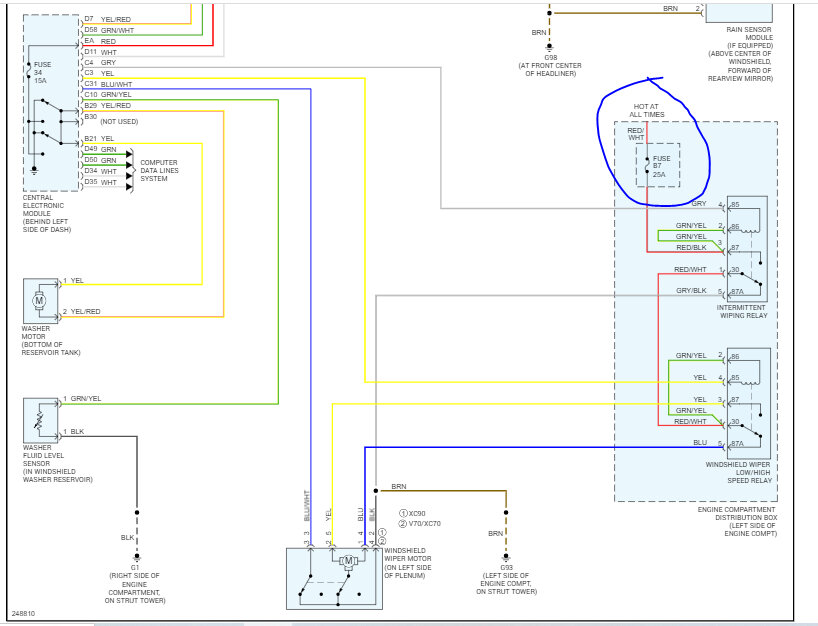
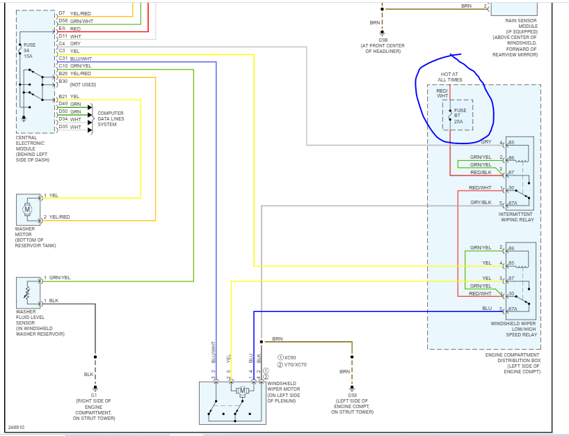
Fuse B7 should have power at all times. Power to that fuse is direct from the battery. I you are certain there is no power, then the problem is likely in the fuse box itself. Inspect the connector pins for corrosion.

If everything is clean and in good condition, disconnect the battery and remove the fuse box so you can inspect the connectors under it.

I attached the wiring schematic below for the wipers. The last pic shows how power reaches fuse 7.

Let me know if this helps and what you find

Take care,

joe

See pics below.
Nov 16, 2023 at 9:29 PM
Advertisement