Power seat not working

2004 GMC YUKON
80,000 MILES • 6.0L • V6 • 4WD • AUTOMATIC
Avatar
JPRAYMER
  • MEMBER
  • 1 POST
I have the SUV listed above Denali. The power seats were working fine and then the drivers side just stopped working. Nothing works. It won’t go forward, backward, up or down and the lumbar isn’t even working. The heated seats in the front are also not working, however the power in the passenger seat is working. Checked the fuses and the power, there is power getting to the switches but still nothing. Even took the switches from drivers side and tried them on passenger side, drivers side still wouldn’t work, but the passenger side worked with the drivers side switches, so it isn’t the switches either. Any ideas?
Sep 2, 2019 at 1:42 PM
Advertisement
Avatar
STRAILER
  • CERTIFIED EXPERT
  • 53,855 POSTS
Hello,

It sounds like the drivers side seat module has gone out which is common. Here are the instructions on how to change it out (below) and to be sure you can do a CAN scan here is how:

https://youtu.be/InIlnsjOVFA

MEMORY SEAT CALIBRATION PROCEDURE

The memory seat module uses position sensor inputs to establish soft stop locations for the adjuster motors several millimeters ahead of the physical limits of the adjuster assembly. After replacing a memory seat module or adjuster components, it may be necessary to reset the adjuster motor soft stop locations. When the repair procedure has been completed, operate the seat adjuster switch in every direction until the seat adjuster reaches its mechanical hard stop by repeatedly pressing and releasing the switch as necessary.

Check out the diagrams (below). Please let us know what you find. We are interested to see what it is.
Sep 3, 2019 at 6:41 PM
Avatar
KASEKENNY
  • CERTIFIED EXPERT
  • 18,907 POSTS
Hi,

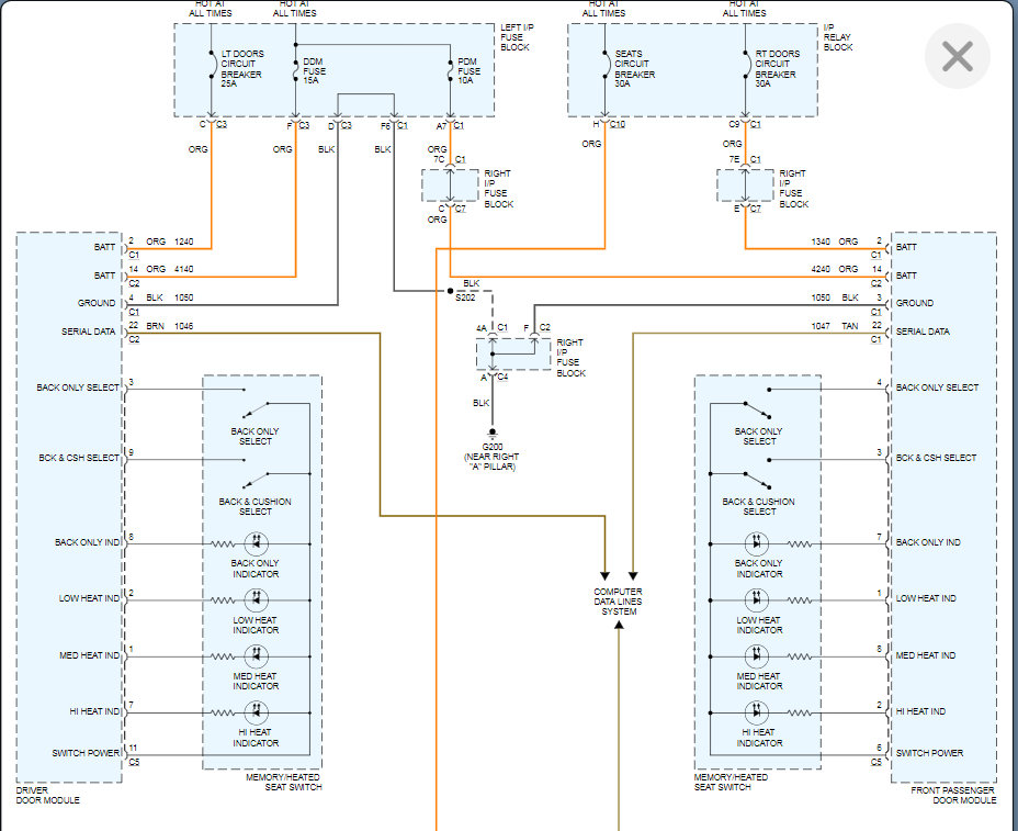
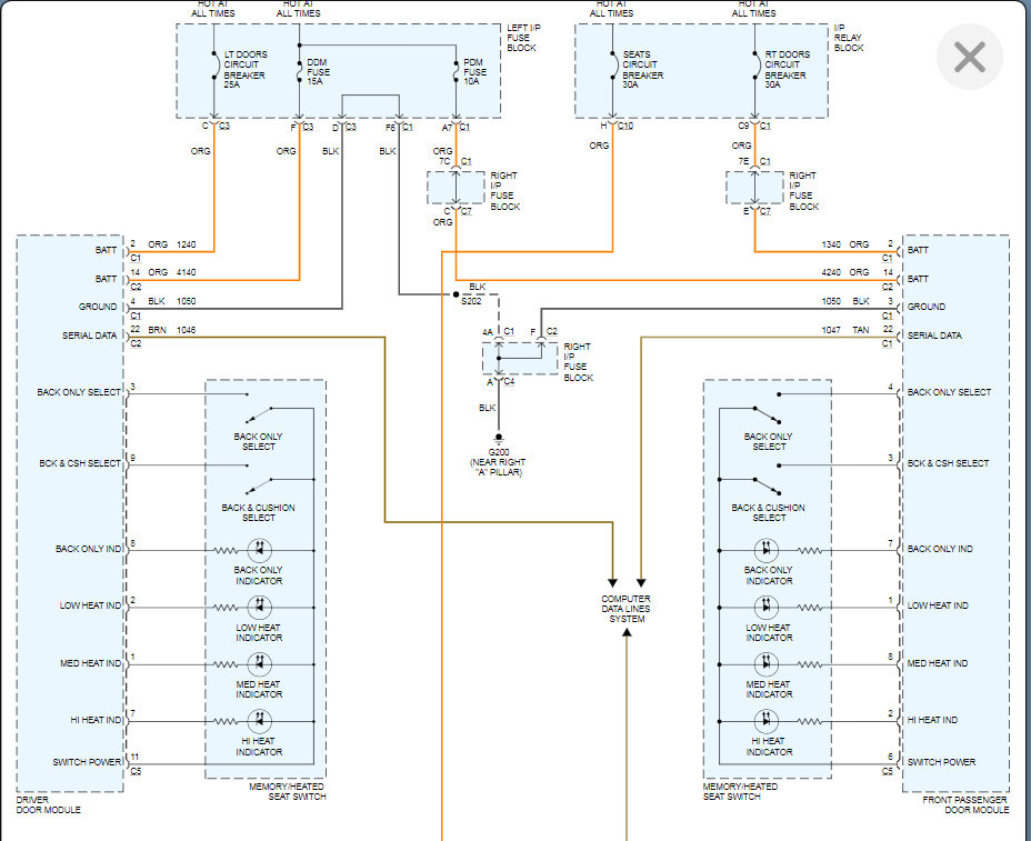
I think you have two issues. First the seat not moving is most likely the connector that is under the seat or possibly the ground.

If no direction is working but the switch is not the issue, then you are clearly not getting power to the motors. According to the wiring diagram there is one inline connector which could be the issue. Also it could be the ground but unfortunately this ground is on the passenger side and is shared by the passenger side motors so if they are working, we can assume it is okay. Which brings us back to why the motors are not getting the power that you found at the switch. What I would suggest is measuring power at each motor when you are pressing each button. Just make sure you measure voltage on both wires at the motor because the voltage will be reversed to go in the opposite direction. If you need to know what proper voltage is in each direction just compare it to the passenger side.

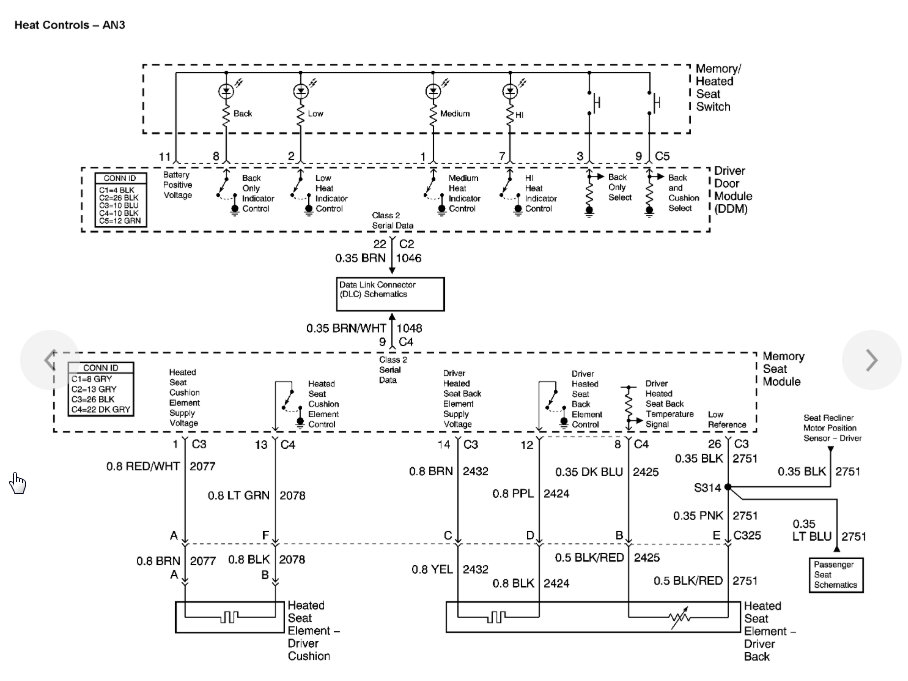
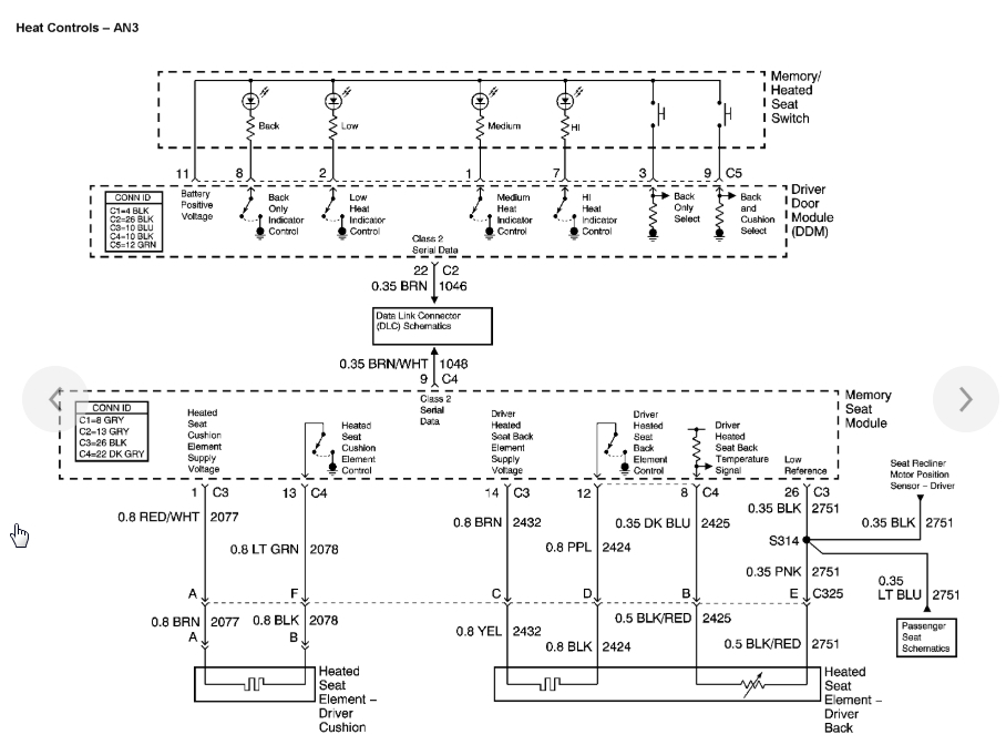
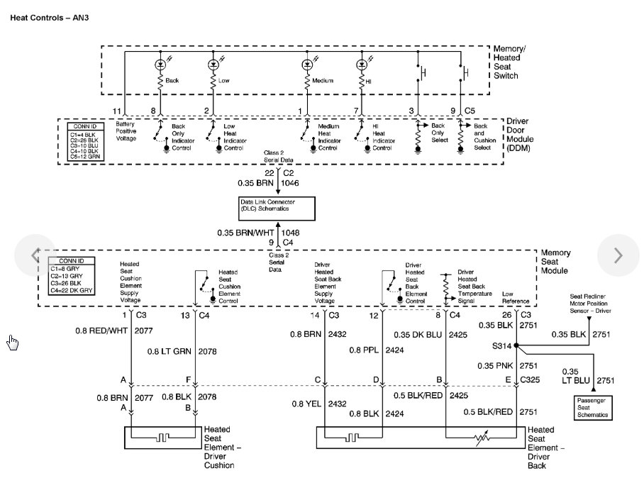
As for the heated seats, that appears to be a number of different possible causes. We may need to hook a scan tool up to the vehicle in order to monitor the system. This will tell us if the driver door module sees the input from the switch. If it does, then we need to look at the memory seat module is getting the signal. Let me know if you can get a scan tool. If not, this may need to be looked at with someone who does because once you get past the DDM the info is sent via the data bus which means we can't use traditional voltage readings like you can with the seat motors.

Let me know what you find and we can go from there. Thanks
Sep 3, 2019 at 7:05 PM
Advertisement