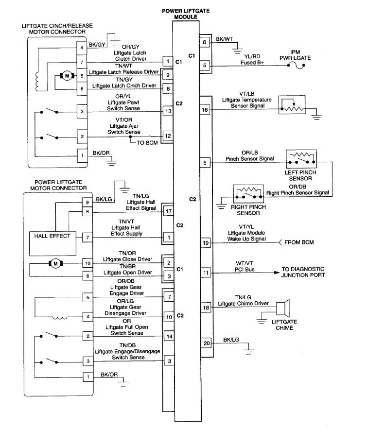
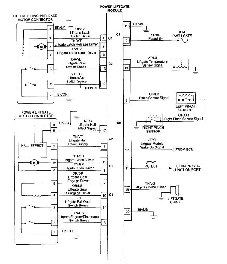
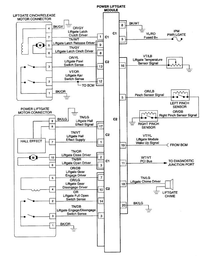
As the videos show, if you hit the power gate button you hear the beep as well as some unlatching but it doesn't open. And even after doing so and going to the back to lift it manually it won't open. Pressing the button under the trunk gate does the same thing, you hear something, only way to open it is with the key. Sometimes it is a bit unlatched but it still won't open manually. So my guess the motor is good cause i hear it but the latch is bad?
May 31, 2021 at 10:59 AM



