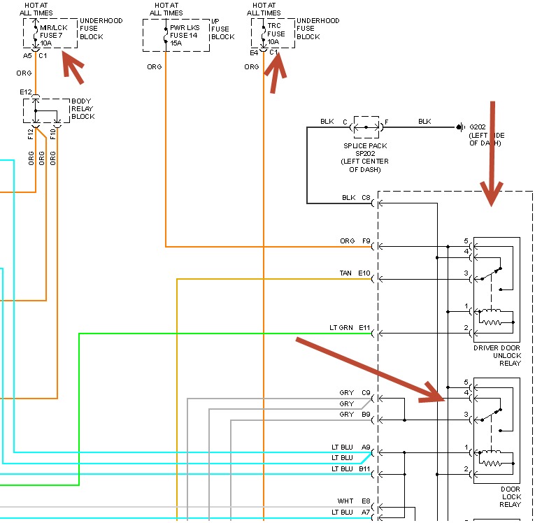
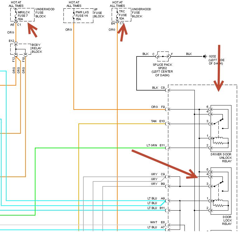
I have a 1999 GMC Jimmy 4dr, 4wd, 4.3 ltr, v6 vehicle with power door lock/hatch failure. Exited car at gas station and locked doors using fob. Opened car with fob, and checked oil before exiting station. Let the hood drop about six inches to close it. Upon exiting car, again, I could not lock the vehicle automatically. Neither the fob or the switch on the door worked to secure the vehicle. The hatch release also doesn't function. All locks have to be manually locked. There isn't even a noise where it is trying to work. I checked the side dash fuse panel and the panel under the hood for any and all fuses that may be loose, missing, or in error. I also disconnected the battery and waited ten minutes for the system to reboot. There was no change. I currently am without access to my hatch area because the key turns in the lock but the hatch lock cannot be released. The remaining doors can be manually switched for access. The only indication that something may be wrong with the electrical system was a delay in the automatic headlamps coming on the previous week and an extended run time of the wiper blades when the washing mode was selected (on several, but not all occasions within the last year). I originally thought that my closing the hood after checking the oil may have loosened a fuse. After checking them all, I am at a loss for what to check next. Do you have any suggestions besides getting a better vehicle? :)
Sep 15, 2013 at 12:10 PM
