Power emergency brake not working?

2011 BMW X5
163,000 MILES • 6 CYL • TURBO • 4WD • AUTOMATIC
Avatar
DIVIDES
  • MEMBER
  • 903 POSTS
So, the yellow brake light is on as well as the symbol for EMF for the power brake. When i press the button there is no sound at all. I thought maybe the button is bad. Checked it with a probe and it has both power and ground. Checked with the scanner and when i press it shows that it has been applied. But still no sound whatsoever. The codes are attached, i clear them and they come back 601D, sometimes 6DDB and 6DDC together. I am leaning towards the unit itself which is around the diff in back.
Apr 5, 2022 at 12:38 PM
Advertisement
Avatar
STRAILER
  • CERTIFIED EXPERT
  • 53,854 POSTS
I have seen a power failure cause these codes or the actuator is out, lets test the fuses in the diagrams below here is a guide to help, I have also included the replacement instructions for the parking brake actuator which is what I would change if the fuses are good.

https://www.2carpros.com/articles/how-to-check-a-car-fuse

Check out the diagrams (below). Let us know what happens and please upload pictures or videos of the problem.
Apr 6, 2022 at 9:05 AM
Avatar
DIVIDES
  • MEMBER
  • 903 POSTS
Yes, i checked fuse 10 under passenger side inside the car yesterday, as well as 129 in trunk. From my readings there isn't a 94 fuse on these cars even though the fuses related to emf are 10,94, and 129. All fuses good. Tried to actuate the brakes via scanner still nothing. Power is good at button. The only thing have not checked is the power at the actuator.
Apr 6, 2022 at 9:11 AM
Advertisement
Avatar
STRAILER
  • CERTIFIED EXPERT
  • 53,854 POSTS
Yep, if power is present the actuator is bad. Please let us know.
Apr 6, 2022 at 9:22 AM
Avatar
DIVIDES
  • MEMBER
  • 903 POSTS
I cannot figure out which if the wires at the actuator plug should have power.
Apr 6, 2022 at 9:24 AM
Avatar
STRAILER
  • CERTIFIED EXPERT
  • 53,854 POSTS
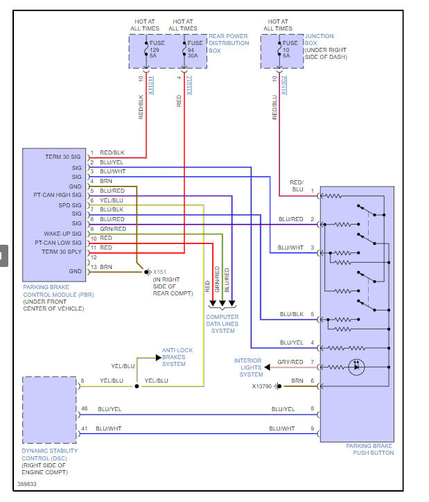
Here are more wiring diagrams in the images below.
Apr 6, 2022 at 12:46 PM
Avatar
DIVIDES
  • MEMBER
  • 903 POSTS
It is definitely the u it itself. I got a new one with cables on both sides. Can i just plug it in and see if all is good before connecting the cables to the wheels? You think this would damage anything?
Apr 11, 2022 at 8:05 AM
Avatar
STRAILER
  • CERTIFIED EXPERT
  • 53,854 POSTS
I would connect the cables first, the computer needs to see the amperage increase to the actuators to shut them down, also it helps the computer relearn.
Apr 11, 2022 at 9:28 AM
Avatar
DIVIDES
  • MEMBER
  • 903 POSTS
Thanks for your help. Replaced the unit with the cable as an assembly and all is good.
Apr 11, 2022 at 3:40 PM
Avatar
STRAILER
  • CERTIFIED EXPERT
  • 53,854 POSTS
Nice work, we are here to help, please use 2CarPros anytime.
Apr 12, 2022 at 12:25 PM