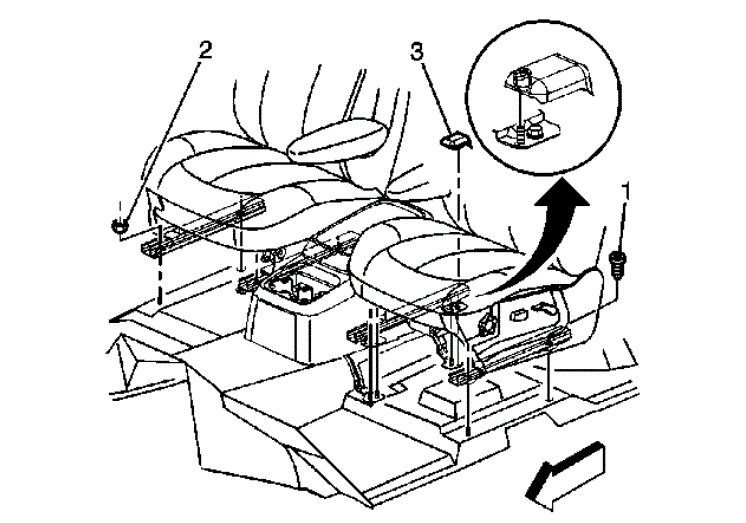
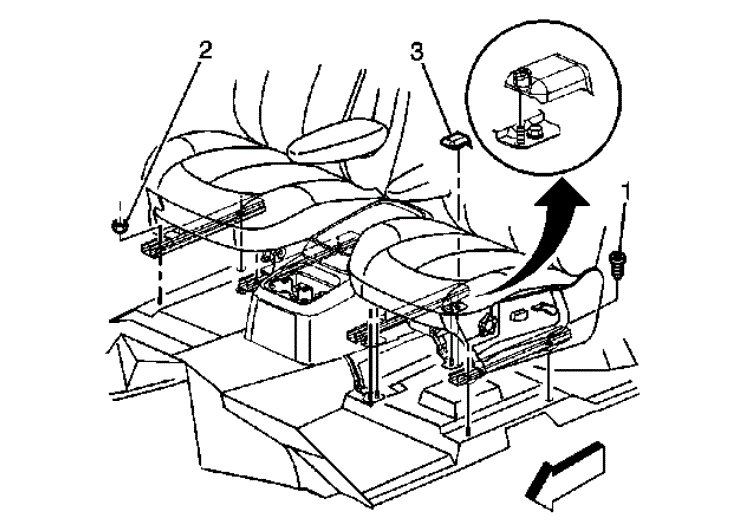
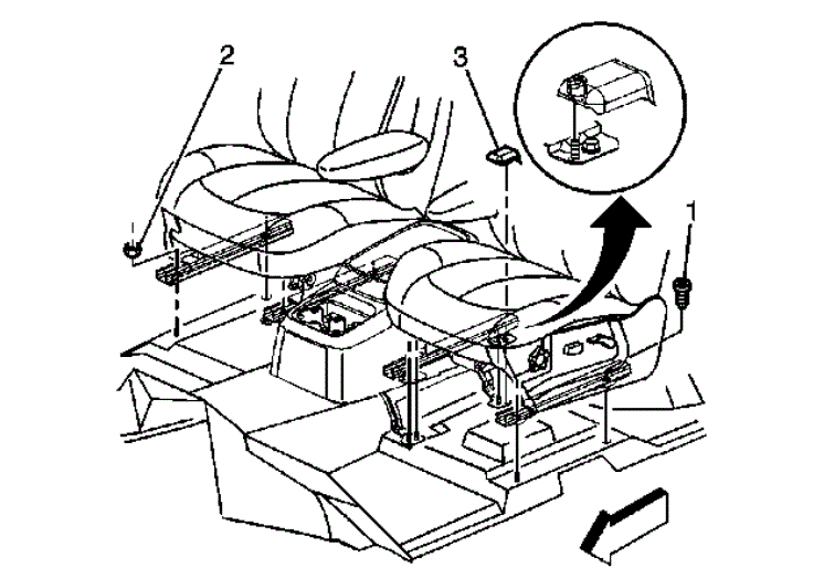
My power driver's seat on my truck has an issue. It's the one with the power back, and lumbar. Everything works except that bottom part. It should go up in the front and back or all at once but it doesn't. I think that part might be stripped out either gears or track. But I cannot seem to find what or where to get a complete seat bottom so I could just take the seat and stick it onto another and have it all work or whatever.
Anyone got an idea about these seats and what it would involve replacing or maybe repairing that bottom so it will raise and lower and tilt? It sits flat but the front is slightly lower and gives the impression you're going to slide off the front. And I haven't found even a way to slightly raise the front. Besides when anyone else drives it the bottom not raising makes it harder for my wife to sit in it as it's all the way to the bottom and it needs raised for her.
Anyway, ideas, suggestions for this seat? Once I get it fixed I need to have it recovered but until it's working completely right recovering the upholstery is a waste.
Thanks for any help you may have.
Anyone got an idea about these seats and what it would involve replacing or maybe repairing that bottom so it will raise and lower and tilt? It sits flat but the front is slightly lower and gives the impression you're going to slide off the front. And I haven't found even a way to slightly raise the front. Besides when anyone else drives it the bottom not raising makes it harder for my wife to sit in it as it's all the way to the bottom and it needs raised for her.
Anyway, ideas, suggestions for this seat? Once I get it fixed I need to have it recovered but until it's working completely right recovering the upholstery is a waste.
Thanks for any help you may have.
Sep 10, 2020 at 7:32 AM



