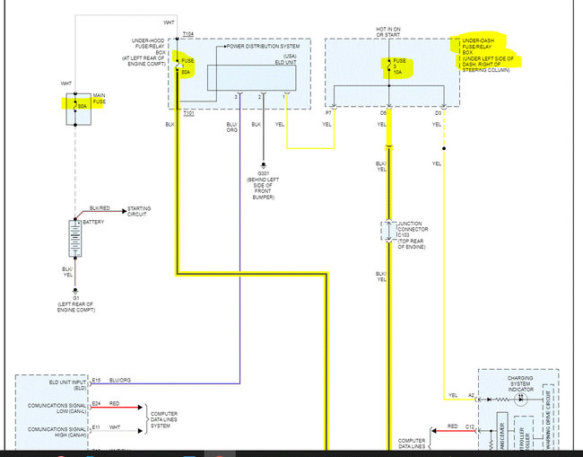
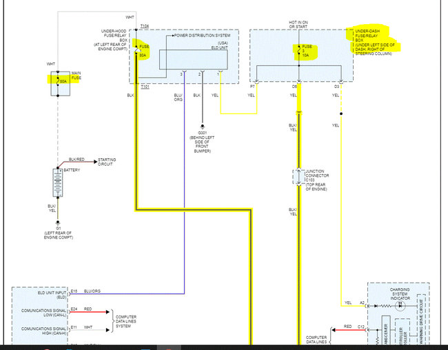
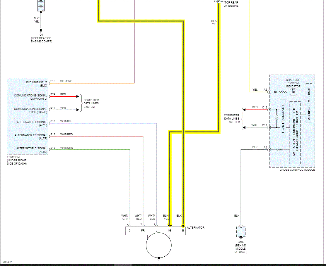
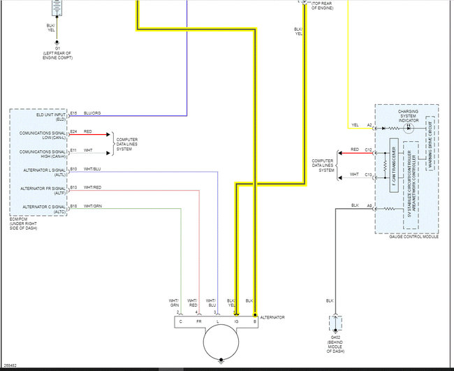
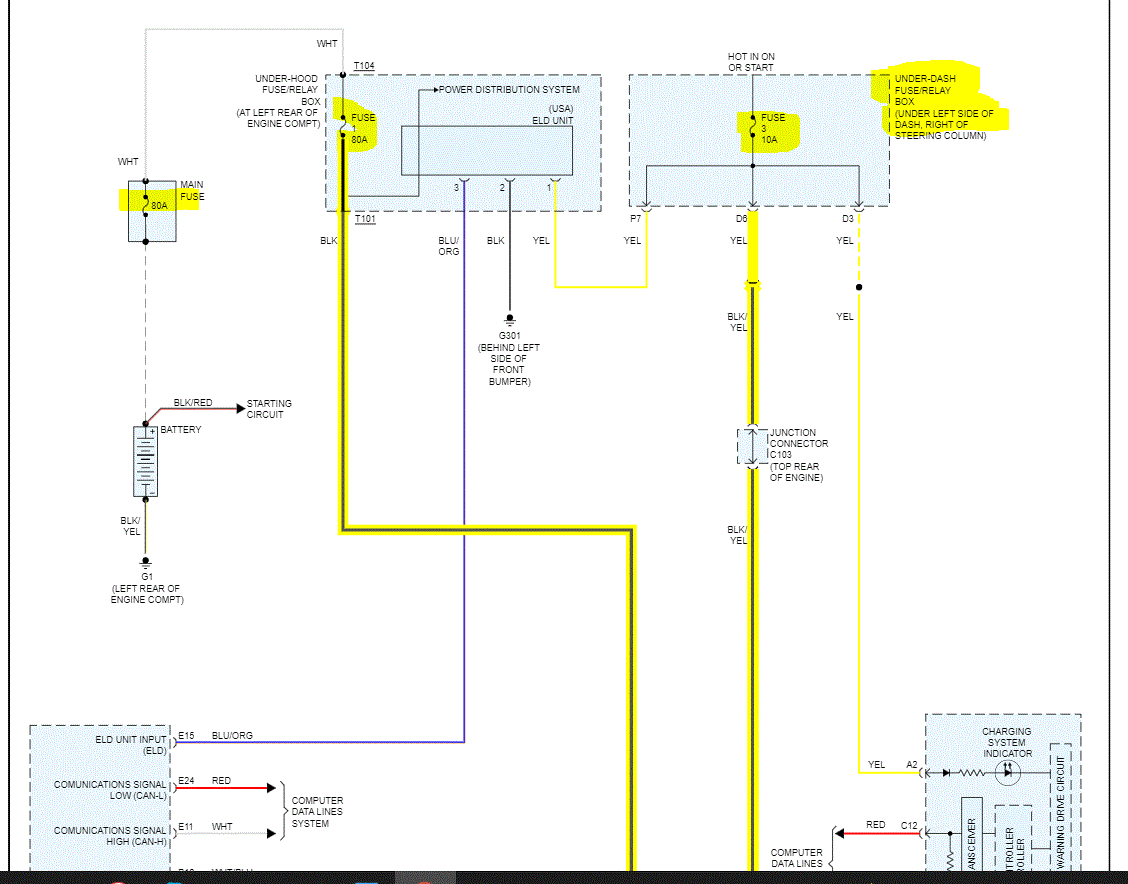
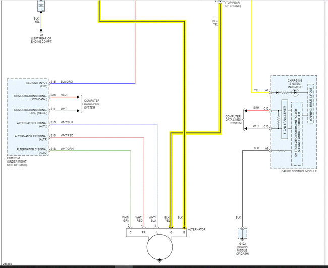
Battery is new and checks out, alternator tested at 14.71 volts, and cables all checked okay between them. A new conveyor belt is taut around the pulleys. Ground wire from car to battery cleaned and tightened. The car starts, but the voltage at the battery leads then drops to 11.26v and eventually the battery dies if the car continues running. My guess is that the starter solenoid is sticking and causing a power drain. Am I far off?
Mar 27, 2022 at 10:28 PM

