Power doors will not lock or unlock

2003 FORD EXPEDITION
365,000 MILES • 5.4L • 4WD • AUTOMATIC
Avatar
EHANNUM89
  • MEMBER
  • 17 POSTS
All four doors will not lock or unlock via key fob or using the unlock/lock button on driver's side door, but the back lift gate will unlock and lock using both key fob and unlock/lock button inside the car. Also, all four doors do lock manually. Another issue is I have had the door ajar light on for a few years and the rear door ajar solenoid has been replaced in the past, but it has all of a sudden been off now for a few weeks and only comes on when a door is actually open. Any thoughts would be greatly appreciated.
Nov 24, 2021 at 9:03 PM
Advertisement
Avatar
KASEKENNY
  • CERTIFIED EXPERT
  • 18,907 POSTS
As for the unlock issue I suspect the vehicle security module is the issue.

We need to check power going in and out of the module to find out if this is the cause of the locks not working.

https://www.2carpros.com/articles/how-to-check-wiring

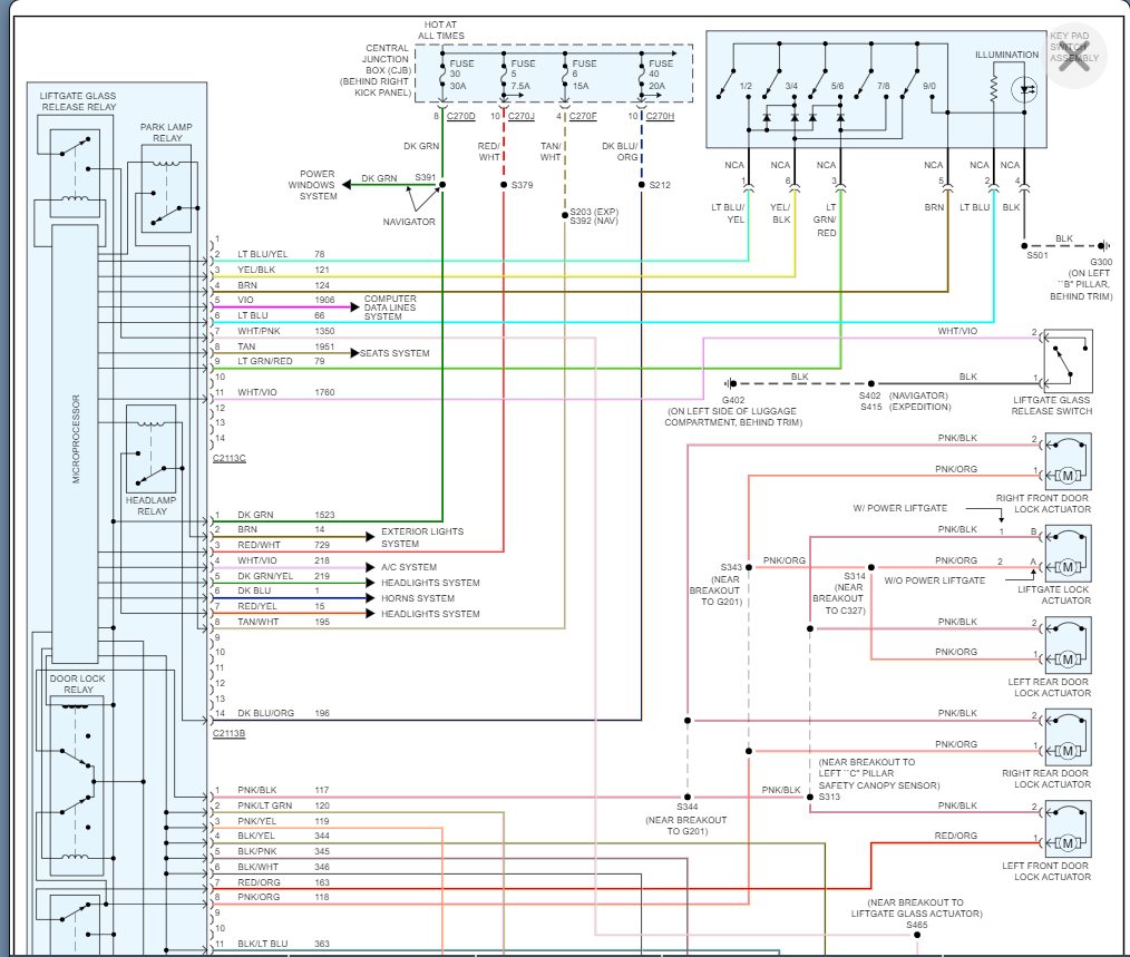
Basically, if they are not working with the button or the fob then this is the likely cause so let's check for power from each of the fuses shown on the diagram below.

Then we need to check power coming out on pin 1 of C2113A.

This can also explain the door ajar switches as they are inputs to the same module.

Let's start with this and go from there.
Nov 25, 2021 at 5:54 PM
Avatar
EHANNUM89
  • MEMBER
  • 17 POSTS
Okay, that is awesome info, and I will be checking all that you have mentioned this weekend and see what I come up with. I did do a lot of troubleshooting with fuses and was coming to the conclusion by everything I read online that it might be the security module but didn't know how to check it. So again, thank you very much for the info and will let you know what I find.
Nov 25, 2021 at 7:14 PM
Advertisement
Avatar
KASEKENNY
  • CERTIFIED EXPERT
  • 18,907 POSTS
Great. Thanks for the update. Let us know what you find and how this turns out.

Thanks for using 2CarPros.
Nov 26, 2021 at 5:38 AM
Avatar
EHANNUM89
  • MEMBER
  • 17 POSTS
Okay, so I checked everything in the main fuse box first using my voltage meter and every fuse has power there. Then I got to the security module and on pin 1 C2113A the only power I have is to the lift gate. The other pins in the module also have power.
Nov 27, 2021 at 2:42 PM
Avatar
KASEKENNY
  • CERTIFIED EXPERT
  • 18,907 POSTS
Okay. So, we need to clarify something. You have 12 volts at pin one when pressing the unlock button? If you look pin 8 is also going to have power when you are pressing the other direction of the button and that will move the actuator in the opposite direction.

However, if you have power coming from both of these and the liftgate is the only one working then there has to be an issue with one of the splices that are tying in the other actuators.

To confirm this, just go to one of the actuators and check for voltage. It is possible to have all these actuators failed but if this happened at the same time then that is near impossible. However, if you just bought this then that may be worth checking first. If you have 12 volts at the actuator, then the actuator is the issue.

https://www.2carpros.com/articles/how-to-check-wiring

If that is not the issue, then what I would do is inspect these splices for anything obvious and then just run your own 12 volts from this wire at the module.

What is happening is you are getting 12 volts to a certain point and then losing it from one of these splices. So, you can create your own splice and run new wires to make sure you have voltage getting to each actuator.
Nov 27, 2021 at 3:54 PM
Avatar
EHANNUM89
  • MEMBER
  • 17 POSTS
Okay, so I actually never got 12 volts, but I got 1 to 5 volts. Also, one violet wire was all over the place. Also, maybe I'm checking this security module wrong, do I test it with the cover off and the car on or unplugged an car on because I did both? My understanding of the schematics was it is the wires going from the module to the doors, I might be wrong. I was a little confused so was just seeing if anything had power.
Nov 27, 2021 at 4:38 PM
Avatar
KASEKENNY
  • CERTIFIED EXPERT
  • 18,907 POSTS
You want the circuit completely intact to plugged in and the door locks will operate with the car on and off, so it doesn't matter if it is on or not.

Then you want to back probe the circuit at the module which means you take a small wire probe tool and stick it in the back side of the connector to touch the metal part of the terminal inside the connector.

So, if you have low voltage and ranging voltage then that sounds like a ground issue.

So, let's check the ground for the module. You do this by back probing the ground on pin 14 of C2113A and then put the other meter lead (red one) on battery positive.

Your meter should read what the battery voltage is as you are checking the ground.

If you have less, than what the battery is then the ground is no good.

Let me know if you are not sure about how to do this and we can get more detail. I am attaching a picture below of what a back probe looks like. Clearly this is not the module, but it will give a good idea what to do.
Nov 27, 2021 at 6:08 PM
Avatar
EHANNUM89
  • MEMBER
  • 17 POSTS
Okay, so yes that makes total sense now. I will check that ground pin and the rest of them just so I'm 100% in giving you the right info and so that I feel confident in my answers here.
Nov 27, 2021 at 6:16 PM
Avatar
KASEKENNY
  • CERTIFIED EXPERT
  • 18,907 POSTS
Sounds great. We will wait to hear back. Thanks for the update.
Nov 27, 2021 at 6:16 PM
Avatar
EHANNUM89
  • MEMBER
  • 17 POSTS
Okay, so I just checked pin one and pin 8 like you said previously while pressing the unlock/lock button and those volts are all over the place and will read 0L. Pin 14 was at 12 volts and that was the only pin steady in the readings. A few other pins were steady at .002. Also, I was trying the button for every pin. I did have the car running and weird thing was the more pressed the button the lights in the cab would dim.
Nov 27, 2021 at 7:06 PM
Avatar
KASEKENNY
  • CERTIFIED EXPERT
  • 18,907 POSTS
Okay. I am pretty sure we have an electrical issue, and a ground issue would make sense but may not be what we have now.

However, anytime we get into this territory, we need to start at the beginning and that is making sure that you have a good battery because a weak battery will cause all sorts of issues. Just drive by a parts store and have them load check the battery just to make sure it passes.

https://www.2carpros.com/articles/car-battery-load-test

If it does and the ground for the module checked out, then I suspect the module is the issue.

However, before we condemn the module, let's just run through getting voltages for each of these pins.

Take a look at the diagram below. If you can get voltage on each of these pins that will help us make sure we are on the same page.

Again, 14 needs to switch your other meter lead to battery positive so that it checks the ground just to double check that one. All the others you will have your other meter lead on a ground.

I suspect most of those voltages are correct because these should be door switches and if the door is open or closed then that will change the voltage. So, if you want to test that as well you can by opening or closing the door based on what pin you are on.

The OL concerns me because that is normally a resistance reading and not a voltage reading but that could be based on the meter you are using.

Feel free to print that sheet and write the values on it or just make a list from 1 to 14 and write them down then get a picture of that.

Lastly just make sure you note the orientation of the connector. Use the wiring colors to orient yourself so that we are not recording voltage incorrectly.

I get that you have done this, but I would not like to point you to a module if that is not the issue. Thanks
Nov 28, 2021 at 8:47 AM
Avatar
EHANNUM89
  • MEMBER
  • 17 POSTS
Okay, so I will definitely go have my battery tested and then I will check the pins again and write them down on the image you have provided. I did switch the leads when I tested the ground on the module and got 12 volts. I will try and get the battery tested today. So, I do have a lot of history with this vehicle. It was my parents and they bought it brand new, and I have had it for three years now, but the locks haven't worked for 5 years or more. They just didn't drive it a lot and it did have a issue with me and the car would be dead overnight, so I replaced the terminals which were corroded, and it hasn't drained overnight again. I suspected it might have ground issues before, so we'll see. I will get all that stuff done that you asked for. Thank you again and for the patience.
Nov 28, 2021 at 9:35 AM
Avatar
EHANNUM89
  • MEMBER
  • 17 POSTS
So, I went and got my battery tested and it passed and also tested it with my voltmeter and read 14.14 volts. Here is the picture I attached with the volts I read next to each pin number. Also, after messy with it so much and trying the unlock/lock the back lift gate now won't lock or unlock. So hopefully this helps. Oh and in the picture is the meter I'm using.
Nov 29, 2021 at 12:38 PM
Avatar
KASEKENNY
  • CERTIFIED EXPERT
  • 18,907 POSTS
Okay. That is great.

Those do not look correct at all, so I suspect the module is shorted internally. You actually have 11 volts on the output and 14 on the ground.

So, I would expect to see 12 volts on pin 1 and 12 volts on the ground.

So that again points to a module issue or a possible faulty ground.

Let's do one more test to check the ground. This is called a voltage drop test. Basically, you put your red meter lead on pin 14 of the module. Then the black meter lead on the battery ground and see how many volts your meter reads. It should be less than a half volt.

Basically, you are checking to see how much voltage the ground wire, stud, and cable require to return the current to the ground post of the battery. It should be basically 0. If you have a loose or dirty ground location, then it will require more to overcome that resistance.

If that checks out, then I would replace the VSM module.
Nov 29, 2021 at 2:35 PM
Avatar
EHANNUM89
  • MEMBER
  • 17 POSTS
Okay, so I just checked that, and it read at 0 on the voltmeter. My next question would be is it as simple as unplug the old VSM and plug new in and good to go or is there programming involved?
Nov 29, 2021 at 3:12 PM
Avatar
KASEKENNY
  • CERTIFIED EXPERT
  • 18,907 POSTS
No. I don't show any programming on this one. Looks like the part number is 4L1Z-15604-AD. It is discontinued so you may have to find a used one unless you can find someone that has a new one still.
Nov 29, 2021 at 5:14 PM
Avatar
EHANNUM89
  • MEMBER
  • 17 POSTS
Awesome. thank you for all of the help, and the knowledge.
Nov 29, 2021 at 6:48 PM
Avatar
KASEKENNY
  • CERTIFIED EXPERT
  • 18,907 POSTS
You are welcome and thanks for using 2CarPros. Please come back in the future if you need other help.
Nov 30, 2021 at 2:00 PM
Avatar
EHANNUM89
  • MEMBER
  • 17 POSTS
Okay, so plugged in the new VSM that I ordered and still the doors won't lock or unlock, and it did come with install instructions that mentioned reprogramming. Not sure if I need to do that but any thoughts would be great. I'm sure when I get time, I could test all the voltage with the new VSM and see what I come up with.
Dec 5, 2021 at 4:21 PM
Avatar
KASEKENNY
  • CERTIFIED EXPERT
  • 18,907 POSTS
Can you send a copy of the instructions that were included with it? Basically, I am not seeing the process to program them which makes me think that when you order it from Ford, they will send it already programmed via the VIN. However, the aftermarket may require the module be told what options it has.

Also, was this a new or used part? Basically, we need to treat it the same by checking voltage coming out of it because we can't rule out another faulty part. That is unlikely but if the testing shows this is faulty then we need to trust that rather than assuming it has to be something else.
Dec 6, 2021 at 7:22 AM
Avatar
EHANNUM89
  • MEMBER
  • 17 POSTS
Okay, so the first picture is the old VSM. The new one which is used via eBay and did come in a box with the part number on the box which was the same as you provided me. Also is plugged in the car now. The second picture is the instructions that was inside with the VSM. I haven't tested anything with voltmeter yet.
Dec 6, 2021 at 10:48 AM
Avatar
EHANNUM89
  • MEMBER
  • 17 POSTS
Oh, and this is a picture of the new VSM that I got via eBay.
Dec 6, 2021 at 2:14 PM
Avatar
KASEKENNY
  • CERTIFIED EXPERT
  • 18,907 POSTS
Okay. That makes sense. That is a little misleading because I think this module is the backup for the theft system.

When you plugged it in, did the theft light go off or did it stay on or flash?

Basically, it should be done because they are just going to pull out the info from the old module and put it in this one but that does not mean that it will not operate the locks.

So, I am curious to see if these voltages are different when this module is plugged in.
Dec 6, 2021 at 2:29 PM
Avatar
EHANNUM89
  • MEMBER
  • 17 POSTS
The theft light still flashes when all doors are closed but not when I'm driving or when vehicle is on.
Dec 6, 2021 at 2:38 PM
Avatar
KASEKENNY
  • CERTIFIED EXPERT
  • 18,907 POSTS
Okay. Then that confirms that the module does require to have it programmed as it is the back up for the theft information. Basically, this is so that when you replace the PCM the theft info is stored somewhere else, and you don't have to replace all the theft components to match the new PCM. You can simply run a procedure with a scan tool that will tell the PCM what info it needs to work with the vehicle as equipped.

So that means we need to treat this the same and check the voltages and find out what is there.

One more thing that we need to do is go to the lock actuator on one of the doors and make sure there is no power there. I am sure there isn't but maybe we missed something.
Dec 6, 2021 at 5:40 PM
Avatar
EHANNUM89
  • MEMBER
  • 17 POSTS
Okay, I will check the voltage tomorrow and get back to you. What scan tool do I need? I do have a basic one so I will send a picture of it tomorrow to see if that will work.
Dec 6, 2021 at 6:07 PM
Avatar
KASEKENNY
  • CERTIFIED EXPERT
  • 18,907 POSTS
Unfortunately, you need one that is capable of extracting the info from the module, saving it and then flashing the new module. Those are the high dollar tools that most DIYer don't have. So, if you have a code reader or one that can monitor live data, that is not going to be capable of doing this.
Dec 7, 2021 at 11:38 AM
Avatar
EHANNUM89
  • MEMBER
  • 17 POSTS
So here is the voltage I got for the new VSM and a picture of the scanner I have. Also, other thing to mention is that my auto lights never worked, and dome lights would come on randomly and now they both work how they should. I'm sure it has to do with the VSM buy didn't know if that helps.
Dec 7, 2021 at 12:48 PM
Avatar
KASEKENNY
  • CERTIFIED EXPERT
  • 18,907 POSTS
Unfortunately, the scan tool will not work for transferring this info.

As for the voltage, those voltages are off as well. You have 18 volts on the output and a number of switch inputs on door ajar switches.

Plus, you have 37 volts on another one, so we have to have an issue with either the meter or how we are testing this.

Can you get a picture of the meter hooked up to this so that we can see the settings on the meter and how you have it connected to the circuits?

You should have around battery voltage on most of the circuits or close to 0 volts. So, these are very strange but at least some of the things that didn't work started working again so you know that other module was causing issues.
Dec 7, 2021 at 5:18 PM
Avatar
EHANNUM89
  • MEMBER
  • 17 POSTS
Okay, so I couldn't get a picture of me testing it in one shoot but the first is the setting I've been using and the second is the ground lead on the ground from the fuse box and third is the positive stuck in the back of the plug in the VSM. This time I had the car off and I quickly tested all the wires and got 2 volts or less if I held it there but right when I touched the positive, I would get 13 or 14 volts then if held would go down to what you see in the picture or 1 or 2 volts. Hopefully this helps.
Dec 9, 2021 at 3:50 PM
Avatar
KASEKENNY
  • CERTIFIED EXPERT
  • 18,907 POSTS
Okay. I think I see the issue. This meter has an auto scale so when you checked these volts and it says 40 volts or 37 volts, I suspect that was millivolts and not volts.

So, let's just focus on pin 1. Can you hook this up and check the voltage on pin 1 and ground? Then get a picture of your meter when you are pressing the lock button and when you are not?

Hopefully seeing what the meter is saying for these will get us where we need to be. Thanks
Dec 9, 2021 at 7:28 PM