power door locks not working

2004 BUICK PARK AVENUE
103,000 MILES • 3.8L • 6 CYL • 2WD • AUTOMATIC
Avatar
RON43
  • MEMBER
  • 1 POST
Nothing seems to work on door locks. Is there a fuse or relay and where would I find it.
May 16, 2020 at 6:51 AM
Advertisement
Avatar
KASEKENNY
  • CERTIFIED EXPERT
  • 18,907 POSTS
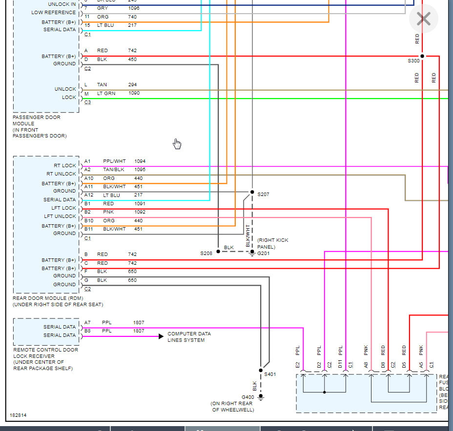
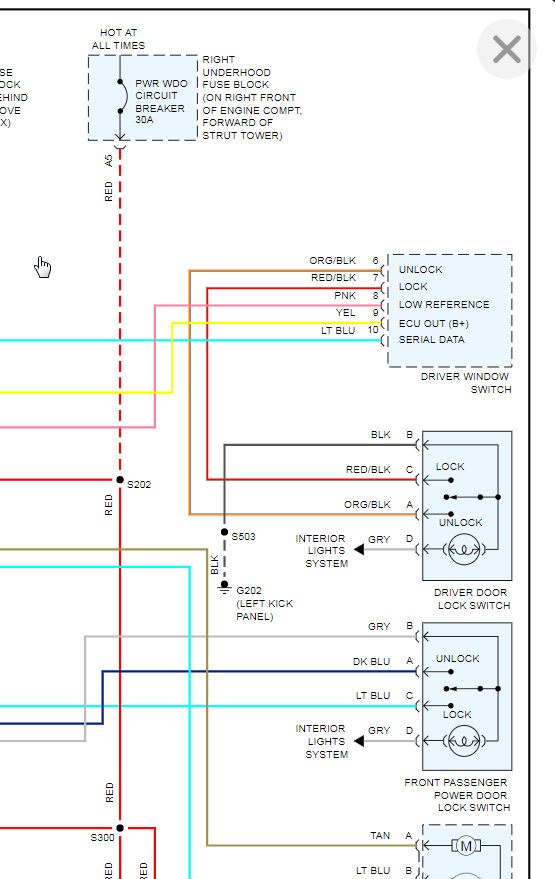
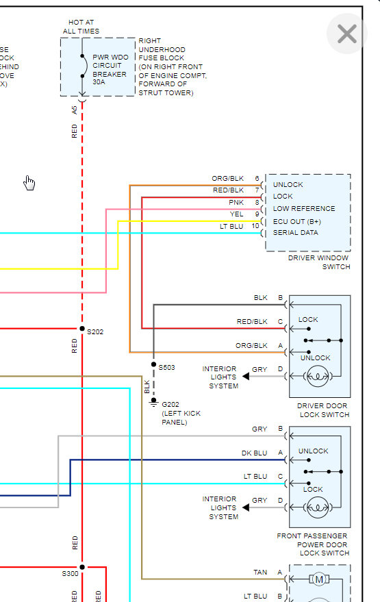
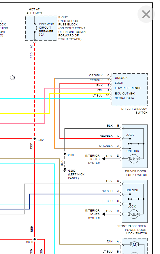
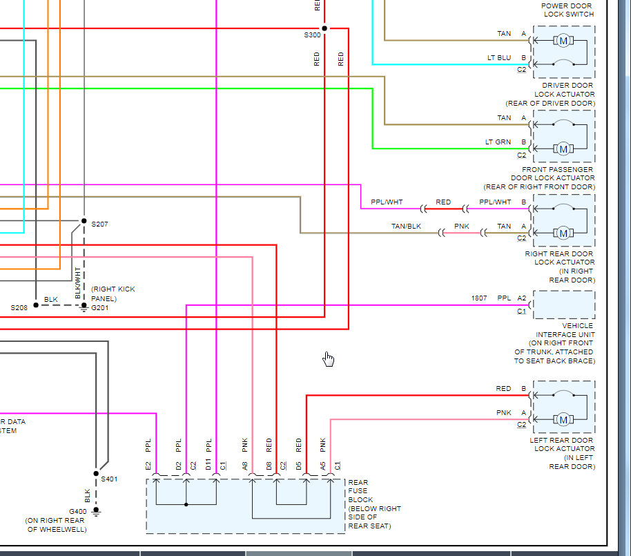
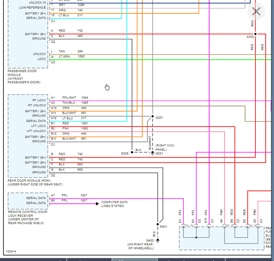
I attached the wiring diagram which includes all the fuses for the door locks. I suspect you have an issue with the driver door lock fuses or the module itself. The odd thing is, the driver and passenger side door lock system are separate. They have separate fuses and modules so for all of the door locks to stop functioning from all the doors is rare. Have you checked from the passenger door to see if that side works?

Let me know what you find with the fuses listed on the first couple diagrams and we can go from there. Thanks
May 16, 2020 at 7:28 AM