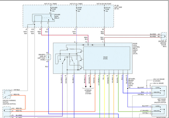
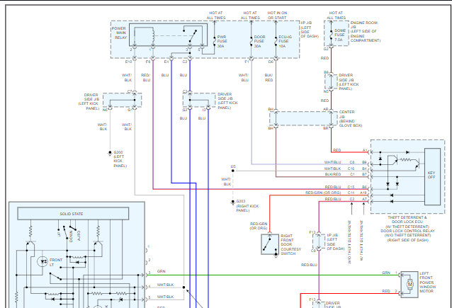
There is an issue with the power door lock on the driver's side. When pushing the unlock switch button, everything is operational as there is a click sound and all four doors unlock. However, when pushing the lock switch button, it's inoperative, there is no click sound, and non of the four doors lock.
On the passenger's side, everything is operational with both the lock and unlock switch buttons as there is a click sound and all four doors lock and unlock.
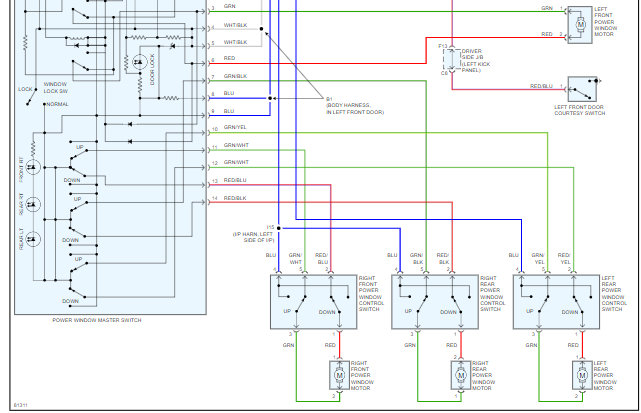
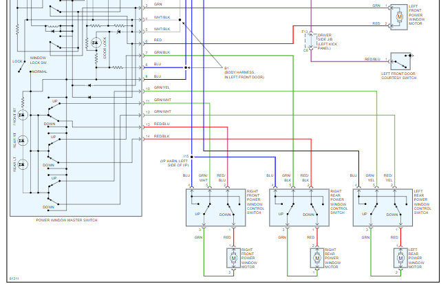
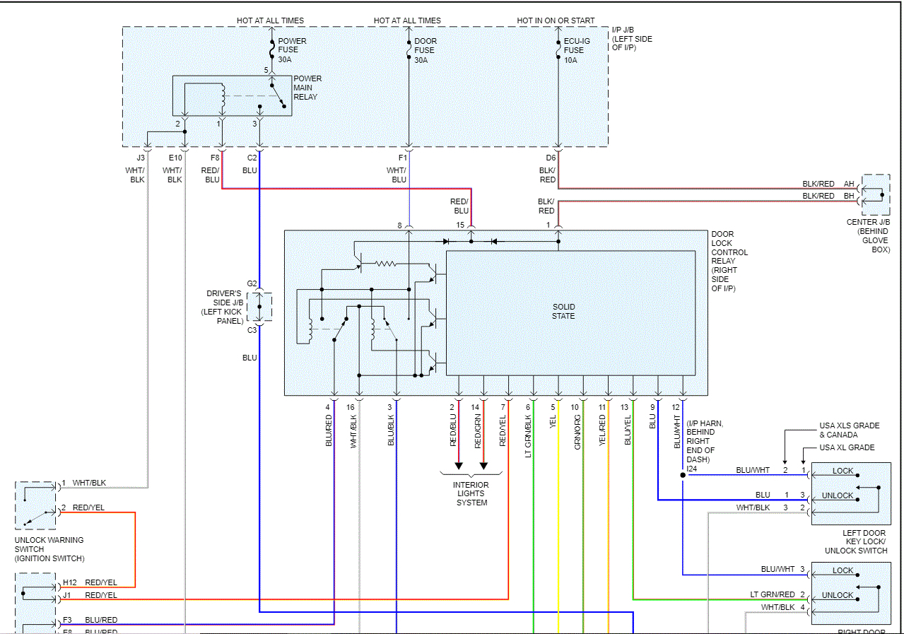
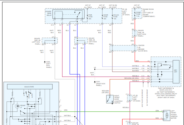
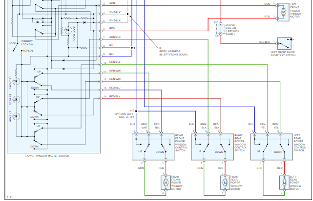
Can you please provide directions and tell me how I can go about troubleshooting this issue? If there will be a need to use a multi-meter or a test light to carry out the troubleshooting, it would be greatly appreciated if you can provide a detailed direction. Can you also please provide the wiring diagram for the power door lock system and the power window system? Thank you!
On the passenger's side, everything is operational with both the lock and unlock switch buttons as there is a click sound and all four doors lock and unlock.
Can you please provide directions and tell me how I can go about troubleshooting this issue? If there will be a need to use a multi-meter or a test light to carry out the troubleshooting, it would be greatly appreciated if you can provide a detailed direction. Can you also please provide the wiring diagram for the power door lock system and the power window system? Thank you!
Jul 23, 2020 at 3:34 AM








