Potential electrical issue?

2014 HYUNDAI I30
104,000 MILES • 1.7L • 2WD • MANUAL
Avatar
SHAWW
  • MEMBER
  • 1 POST
Hi, my Hyundai I40 estate 2014 has an issue with both the boot and fuel cap sporadically not unlocking when pressing the boot release, key fob or internal unlock buttons. Would this potentially be the 10amp fuse causing the issue?
Apr 17, 2023 at 3:00 AM
Advertisement
Avatar
STRAILER
  • CERTIFIED EXPERT
  • 53,854 POSTS
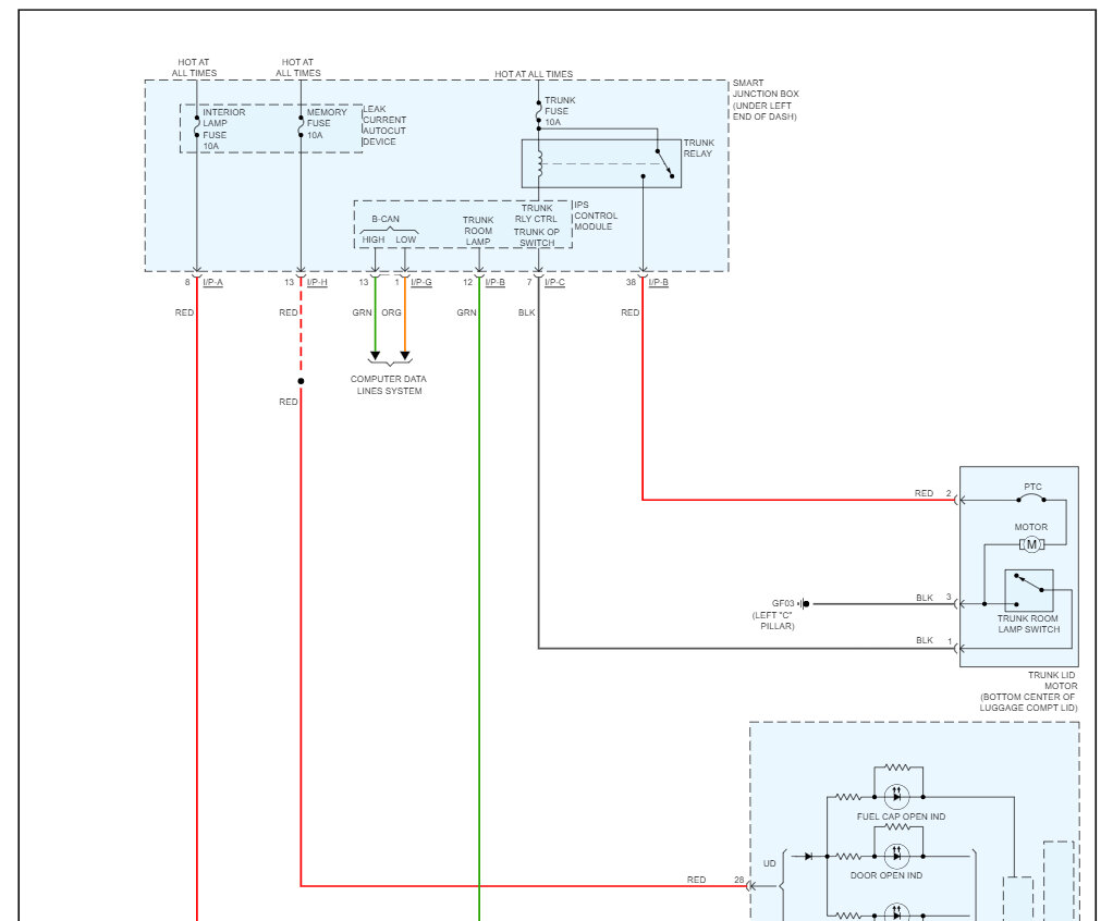
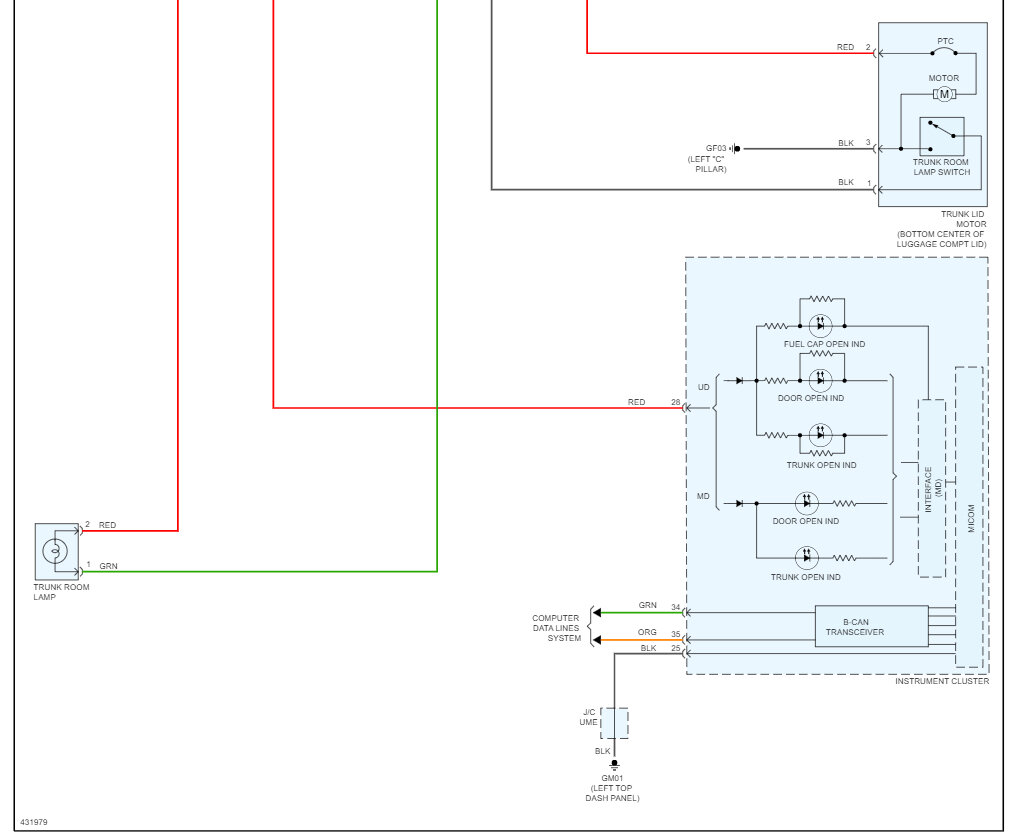
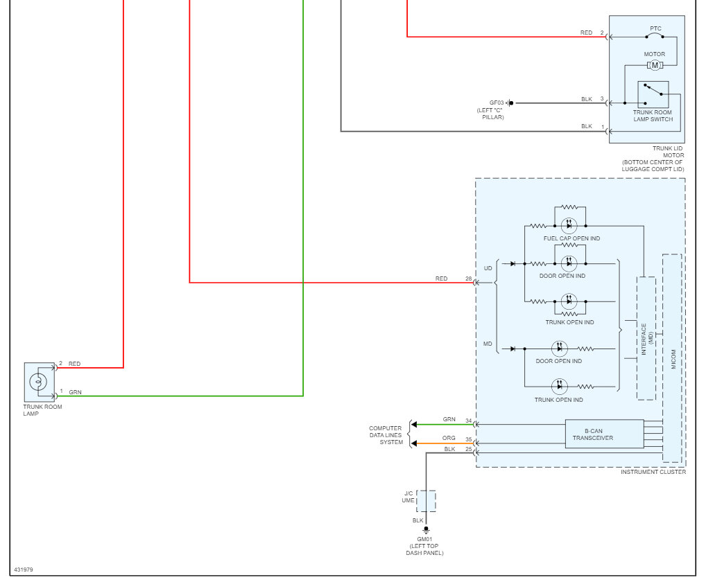
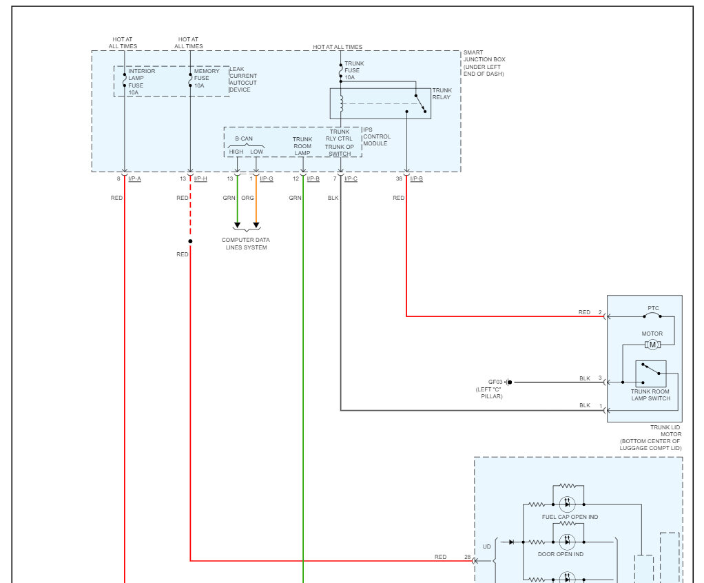
Usually sporadically not unlocking problems are not the fuse. I have seen the smart junction box cause this problem, but can you confirm if the fuel release door is electronic not cable released? I don't think they use electrical releases around the fuel door. If it was cable, I would swap out the trunk release relay. Here are the wiring diagrams for the truck release so you can see how it works. You might also note there is no wiring for the gas door release. You may want to do a CAN scan. You can get a CAN scanner (Controller Area Network) which will work on most cars from Amazon.

Here is a video to show you how:

https://youtu.be/u-4syLc-ifQ

and

https://www.2carpros.com/articles/can-scan-controller-area-network-easy

Here is one for about $99.00 if you need it:

https://amzn.to/3ZixY4v

Here is the location of the relay and fuse so you can swap it out. Check out the images (below). Please let us know what happens.
Apr 17, 2023 at 12:42 PM