Possible ignition switch or module issues

1997 MERCURY SABLE
100,000 MILES • 3.0L • 6 CYL • 2WD • AUTOMATIC
Avatar
RIGIDMAN
  • MEMBER
  • 5 POSTS
Blower works intermittently, wipers activate on their own, and the signals stop working occasionally.
Dec 31, 2019 at 7:49 AM
Advertisement
Avatar
RIGIDMAN
  • MEMBER
  • 5 POSTS
I forgot before all this started the turn signals stopped working properly. When you activate them, they deactivate when the steering returns to center. Mine stopped deactivating. So they have to be deactivated manually. So could it be the turn signal switch or 2 separate issues?
Jan 1, 2020 at 12:39 AM
Avatar
SCGRANTURISMO
  • CERTIFIED EXPERT
  • 4,897 POSTS
Hello,

This sounds like you could have a problem with the combination switch on your vehicle.In the diagrams down below I have included the Original Equipment Manufacturer[OEM] part number for the combination switch as well as the instructions for the removal and installation of the combination switch for your vehicle. Please go through these guides and get back to us with how everything turns out.

Thanks,
Alex
2CarPros
Jan 1, 2020 at 1:03 AM
Advertisement
Avatar
RIGIDMAN
  • MEMBER
  • 5 POSTS
You may be right. I forgot to add that in the very beginning my signals stopped deactivating when steering wheel returned to center. I have to deactivate manually. I will get a price for part and do the replacement ASAP. Also I wanted to be sure, this switch will also affect my blower? Thank you.
Jan 1, 2020 at 6:15 PM
Avatar
SCGRANTURISMO
  • CERTIFIED EXPERT
  • 4,897 POSTS
Hello,

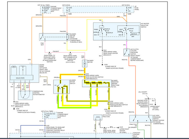
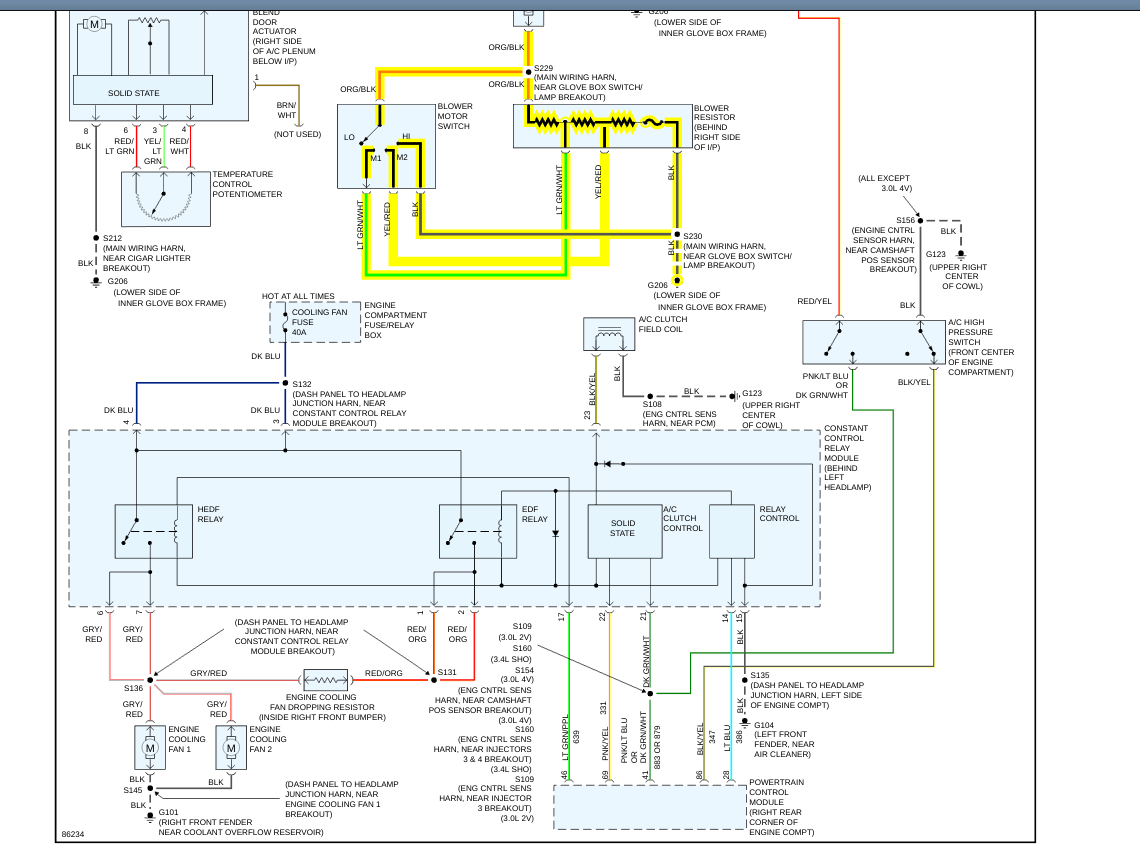
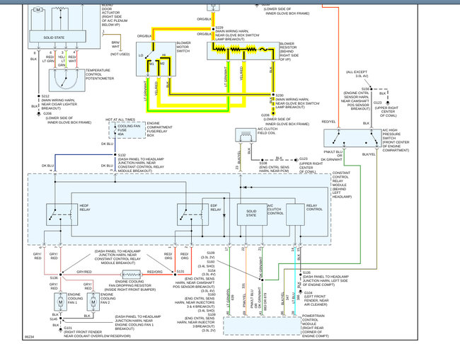
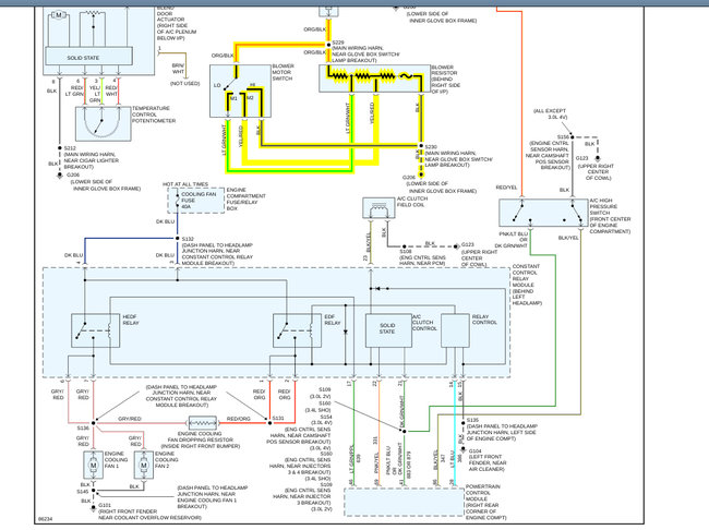
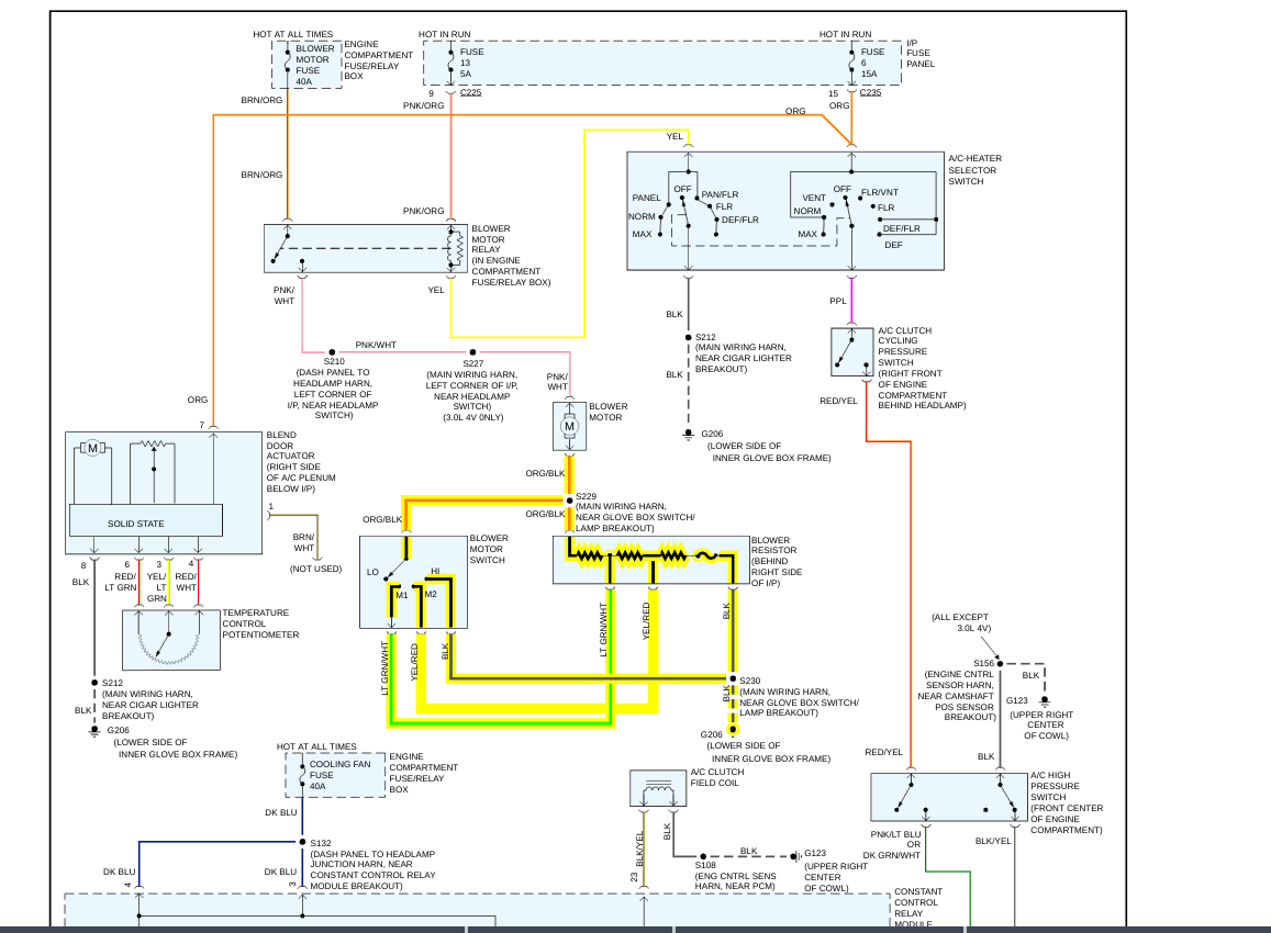
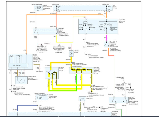
No, it will not. The blower sounds like it could be a problem with the blower motor ground, ground #206, which is in the lower side of the inner glove box frame. Check this ground and insure that it is clean, corrosion free, tight, and making good metal to metal contact. I have also included for you in the diagrams down below your vehicle's Heating Ventilation and Air Conditioning[HVAC] wiring diagrams with the ground portion of the blower motor circuit high lighted for you, for reference. Please get back to us with what you are able tofind out, and we can go from there, if needed.

Thanks,
Alex
2CarPros
Jan 2, 2020 at 12:59 AM
Avatar
RIGIDMAN
  • MEMBER
  • 5 POSTS
Thank you. I will check this while replacing the multifunction switch.
Jan 2, 2020 at 10:07 AM
Avatar
STRAILER
  • CERTIFIED EXPERT
  • 53,854 POSTS
Please let us know what you find. We are interested to see what it is.
Jan 5, 2020 at 12:49 PM
Avatar
RIGIDMAN
  • MEMBER
  • 5 POSTS
I'm waiting on the parts to arrive.I will get back to you as soon as I repair it. Thanks
Jan 5, 2020 at 4:23 PM