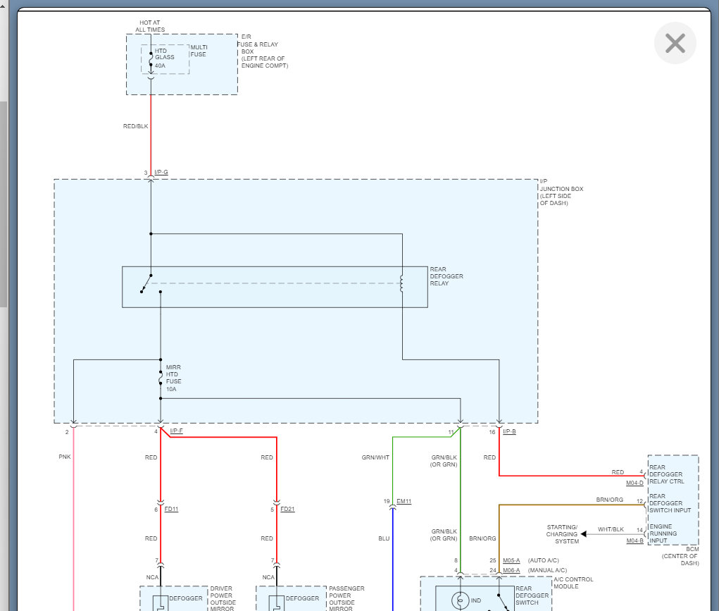
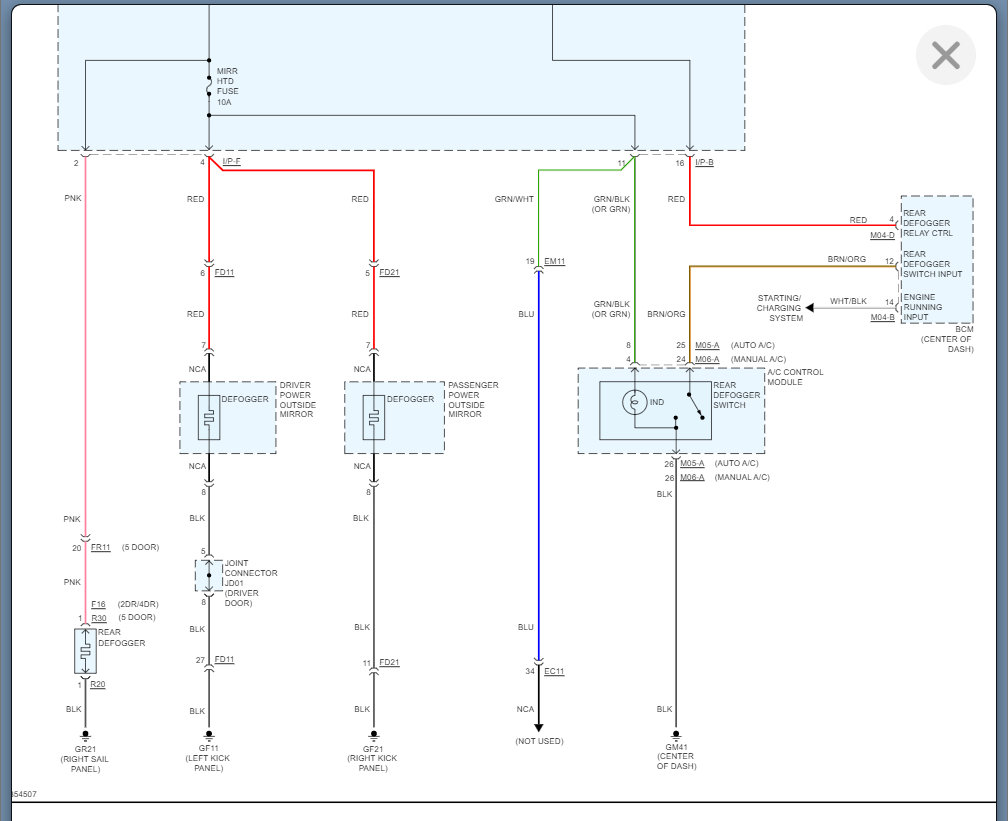
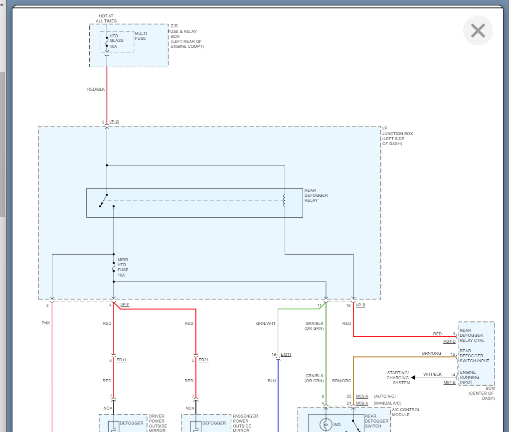
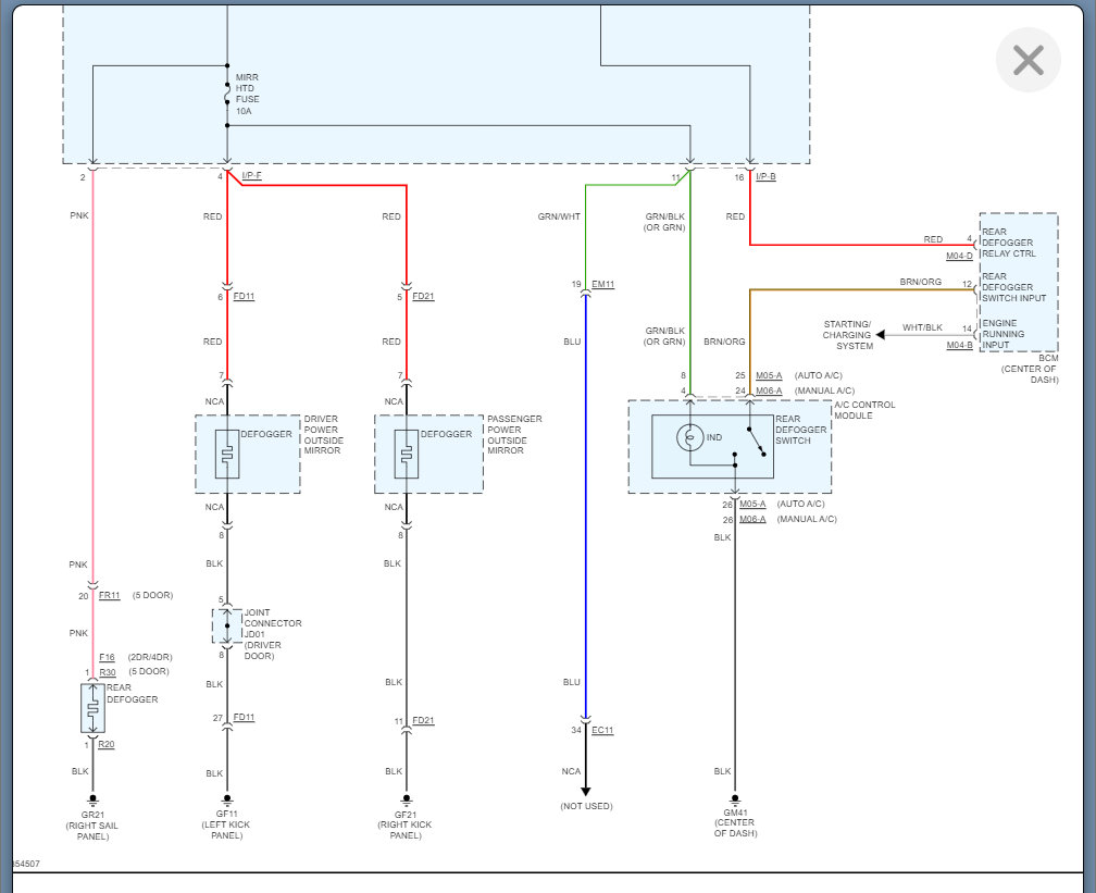
Hi, I'm in the UK and have a Kia Ceed (Forte).
When I turn my side lights on, I lose use of the rear window heater and A/C button and the radio display is dimmer than it should be.
I have been using a test light between the negative battery terminal and the battery lead (disconnected) and it lights up. I've been pulling fuses one by one, and the light goes out when I pull the audio fuse. Also, if I pull the room fuse the test light is dim and flickers - room and audio fuses come out together in a cradle so I've been testing by putting fuses back in individually.
Not sure where the best place to check next is. would appreciate suggestions.
Thanks, Jason
When I turn my side lights on, I lose use of the rear window heater and A/C button and the radio display is dimmer than it should be.
I have been using a test light between the negative battery terminal and the battery lead (disconnected) and it lights up. I've been pulling fuses one by one, and the light goes out when I pull the audio fuse. Also, if I pull the room fuse the test light is dim and flickers - room and audio fuses come out together in a cradle so I've been testing by putting fuses back in individually.
Not sure where the best place to check next is. would appreciate suggestions.
Thanks, Jason
Feb 9, 2022 at 8:11 AM


