Possible anti theft issue

1998 FORD TAURUS
153,000 MILES • V6 • 2WD • AUTOMATIC
Avatar
JAMES KISSEE
  • MEMBER
  • 2 POSTS
Car just randomly shut down completely while driving. Have put it on a scanner and it gave a code for the anti theft system. Cannot afford to take it to a shop so trying to fix it myself. What do I need to do?
Jun 23, 2018 at 8:26 AM
Advertisement
Avatar
STRAILER
  • CERTIFIED EXPERT
  • 53,854 POSTS
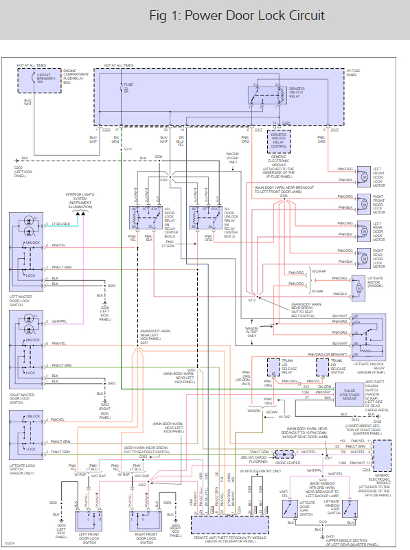
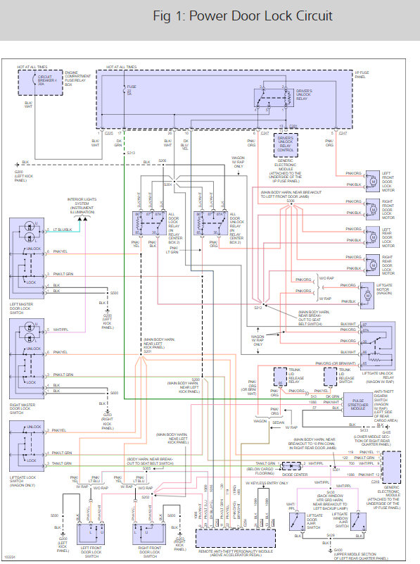
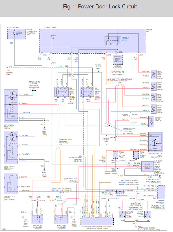
I have seen where the drivers side door latch has a micro switch that works with the alarm. I would test the switch and then replace the latch if bad. What happens is when you are going down the road the switch is opening and closing about a million times and the system get confused. Here is a wiring diagram so you can see how the system works.

Let me know if you are not on a phone and cant expand the image I will send larger ones.

Check out the diagrams (below). Please let us know what happens.

Cheers, Ken
Jun 24, 2018 at 1:13 PM
Avatar
STEVE W.
  • CERTIFIED EXPERT
  • 15,113 POSTS
Because of the way the anti-theft works there is not a lot you can do. You can try doing a system reset but beyond that you really need the dealership level scan tool that can talk to the actual security modules to determine which part has failed and to program the replacement to work. Ford uses multiple modules in the security system. There is a key reader in the column which then tells the instrument cluster what the key is. The panel then communicates to the body control module and power train control module if it is a valid key and lets the engine run.
It is also possible the security code is not related and it is a failure in another system.
What is the actual code and what does the security light do when you turn the key to on and start?
For a reset you can try;
https://www.2carpros.com/articles/how-to-reset-a-security-system
Jun 24, 2018 at 1:26 PM
Advertisement
Avatar
JAMES KISSEE
  • MEMBER
  • 2 POSTS
The code it gives is P1260.
Jun 24, 2018 at 3:49 PM
Avatar
STRAILER
  • CERTIFIED EXPERT
  • 53,854 POSTS
This usually mean the RF chip in the key is not matched to the computer. Do you have a different key or are you using a spare?
Jun 25, 2018 at 11:15 AM
Avatar
STEVE W.
  • CERTIFIED EXPERT
  • 15,113 POSTS
P1260 on a vehicle that was running at the time and just stopped sounds like a module failure more than a key. When you just turn the key on in the ignition what does the security light do? If it comes on and then goes off the key is being recognized but there is a failure in the system. If the light comes on and stays on, wait ten minutes and see if the light goes out. If it does try to start the engine. If it starts you have a failed key reader or the dash communication to the BCM is bad.
Jun 26, 2018 at 6:50 PM