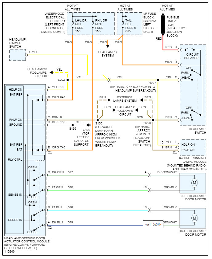
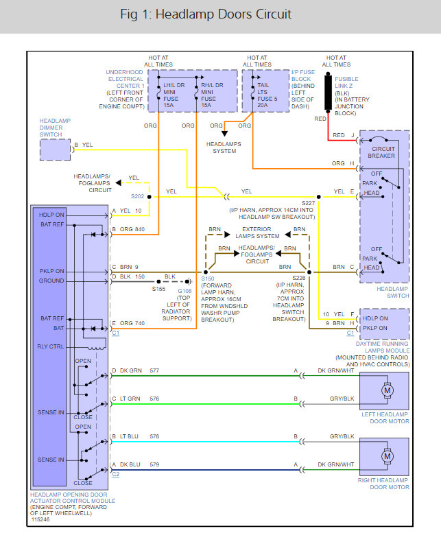
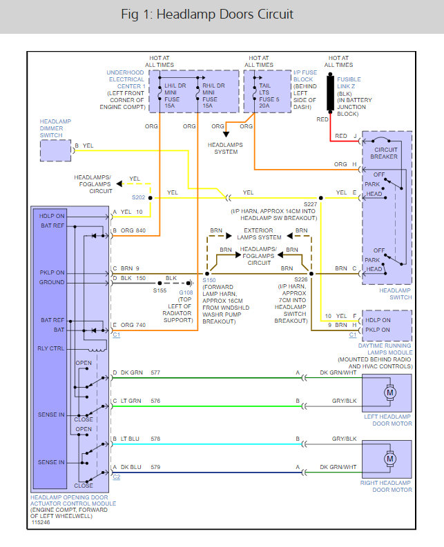
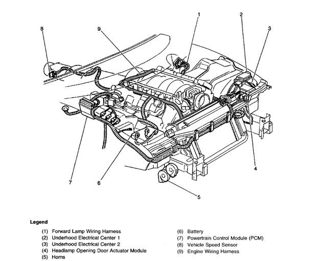
We had a situation where the turn switch inside the car for the headlights was clicking while in the off position. This was at random and noticed while it was driving. It started on its own and stopped after many minutes. As a result, the headlight doors will not go up, their pop-up style, nor are the headlight lamps turning on.
After several looks at fuses and relays, I was able to replace the larger 50A fuse with no luck. But after some sequence of events, disconnected the negative terminal of the battery, removed the fuse, and reconnected everything, turning the switch to turn headlights on allowed the doors to popup but the bulbs were not on. Furthermore, the doors did go down after turning off but never came back up when attempting a second time.
I would find it hard and difficult to think it is the motors that operate the doors since after a sequence of events they did go up/down. There are no sounds of grinding in the motors of the headlights and besides that, both going out at the same time is a little unlikely.
Having said that I cannot seem to know how to troubleshoot the electrical part of this issue.
Since the turn dial switch that turns the lights on/off was clicking perhaps I should start there?
Should that be replaced, or I do have an electrical device to test amps/ohms/voltage, what can I check regarding that?
Thanks.
After several looks at fuses and relays, I was able to replace the larger 50A fuse with no luck. But after some sequence of events, disconnected the negative terminal of the battery, removed the fuse, and reconnected everything, turning the switch to turn headlights on allowed the doors to popup but the bulbs were not on. Furthermore, the doors did go down after turning off but never came back up when attempting a second time.
I would find it hard and difficult to think it is the motors that operate the doors since after a sequence of events they did go up/down. There are no sounds of grinding in the motors of the headlights and besides that, both going out at the same time is a little unlikely.
Having said that I cannot seem to know how to troubleshoot the electrical part of this issue.
Since the turn dial switch that turns the lights on/off was clicking perhaps I should start there?
Should that be replaced, or I do have an electrical device to test amps/ohms/voltage, what can I check regarding that?
Thanks.
Jun 16, 2022 at 5:42 AM























