Code P0336, poor acceleration?

2009 CHEVROLET CAPTIVA
140,000 MILES • 2.0L • 4 CYL • TURBO • 4WD • MANUAL
Avatar
ABAYA
  • MEMBER
  • 77 POSTS
Hi, after the ECM throws DTC P0336. I replaced a new CKP sensor, fixed wires and connector, the problem remains with the same DTC.
Please help.
Sep 10, 2024 at 11:44 PM
Advertisement
Avatar
STRAILER
  • CERTIFIED EXPERT
  • 53,854 POSTS
So, you have a new sensor which is what should be done first on this kind of problem.

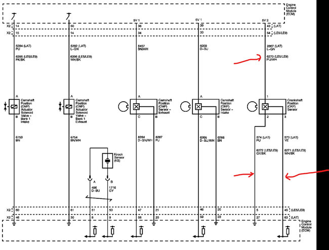
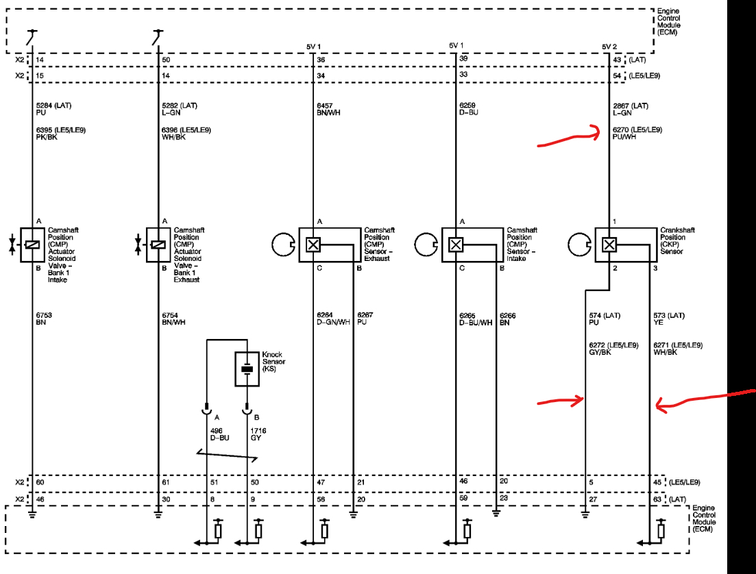
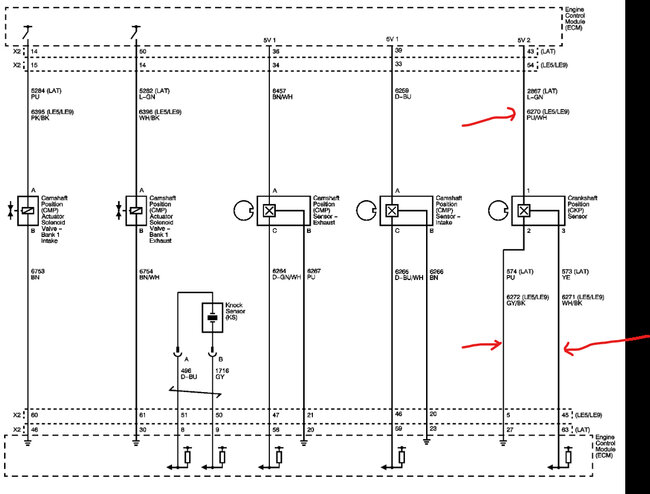
DTC P0336 refers to a Crankshaft Position Sensor "A" Circuit Range/Performance issue.

I would check the wiring between the PCM and crankshaft sensor electrical connector. Here is a guide to help with the wiring diagrams below of the wires to be tested, I marked them in red.

https://www.2carpros.com/articles/how-to-check-wiring

If they are okay I would remove the sensor to make sure there is not an obstruction that would impede the sensor from reading the reluctor wheel. I have also seen the PCM need to be reflashed to fix the problem as well but let's check the wiring first. I also included the location of the crankshaft sensor for clarity. Check out the images (below). Please let us know what happens.
Sep 11, 2024 at 12:20 PM
Avatar
ABAYA
  • MEMBER
  • 77 POSTS
Hi,
Thank you very much for this clear explanation. Yes I have proceeded exactly like you mentioned it in your answer.
The engine run without any difficulty, but accelerator can't go over 1300 rpm.
Is there a need to relearn the sensor ?
If yes, how must I do ?
Thank you very much Mr Ken.
Sep 12, 2024 at 12:03 AM
Advertisement
Avatar
STRAILER
  • CERTIFIED EXPERT
  • 53,854 POSTS
It doesn't say it need it, I would clear the codes and drive the car to see if the code comes back or if you have additional codes.
Sep 12, 2024 at 8:35 AM
Avatar
ABAYA
  • MEMBER
  • 77 POSTS
Thank you mr Ken.
I'll try.
Sep 12, 2024 at 9:35 AM
Avatar
STRAILER
  • CERTIFIED EXPERT
  • 53,854 POSTS
Sounds good.
Sep 12, 2024 at 9:58 AM