Electrical problem
1998 Pontiac Transport 6 cyl Front Wheel Drive Automatic
Ok what happened here is me and my dad decided to pull the alternator as it was giving him problems. if you worked on this truck you know it's a pain in the butt to get out.
So we decided might as well do the cables and plugs since we'r removing the intake manifold will be able to get to the back ones. We finally get done mounting everything to discover the the labels on the cables came loose so after about 30 minutes i found the correct firing order plugged the cables in turned the car on it turned on but it shakes like when one of your plugs is bad.
so i decided to check today thinking my dad might have left one of the rear cables loose to one plugs but no go.
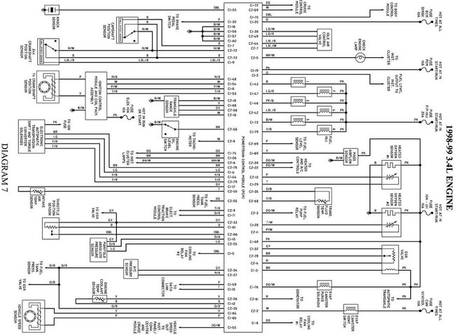
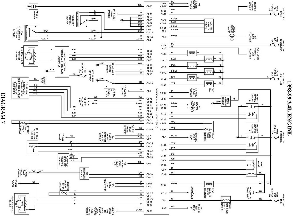
I started checking the Ignition control module just find that the number two cylinder plug is firing a really weak spark but the rest of them fire normally.
My question is. Is this a bad ICM or could this be caused by somthing else?
Thanks
1998 Pontiac Transport 6 cyl Front Wheel Drive Automatic
Ok what happened here is me and my dad decided to pull the alternator as it was giving him problems. if you worked on this truck you know it's a pain in the butt to get out.
So we decided might as well do the cables and plugs since we'r removing the intake manifold will be able to get to the back ones. We finally get done mounting everything to discover the the labels on the cables came loose so after about 30 minutes i found the correct firing order plugged the cables in turned the car on it turned on but it shakes like when one of your plugs is bad.
so i decided to check today thinking my dad might have left one of the rear cables loose to one plugs but no go.
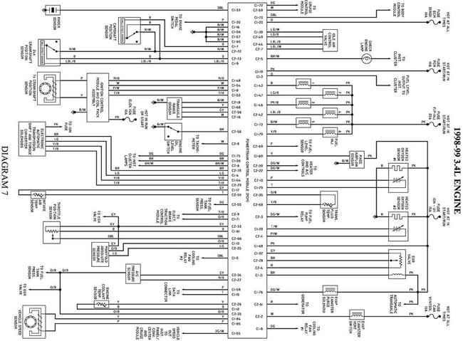
I started checking the Ignition control module just find that the number two cylinder plug is firing a really weak spark but the rest of them fire normally.
My question is. Is this a bad ICM or could this be caused by somthing else?
Thanks
Apr 12, 2010 at 12:13 PM

