can I find a detailed diagram showing where the heater core is located?

2006 PONTIAC TORRENT
Avatar
ESERNA05
  • MEMBER
  • 2 POSTS
I went to a mechanic and he stated that my vehicle needed to have the heater core replaced. Where can I find a detailed diagram showing where the heater core is located? Is this a common problem with this car?

The heater has not been working. Now that it is starting to get cold. I took it in to see what was wrong with it and the mechanic said the heater core needs to be replaced. It only blows out cold air. My dad changed the thermostat but it did not fix anything. My dad has replaced heater cores before but on my vehicle he cannot find it.
Nov 5, 2010 at 1:52 PM
Advertisement
Avatar
DOCFIXIT
  • CERTIFIED EXPERT
  • 18,828 POSTS
The instrument panel must be removed AC discharged, SIR deactivated etc., Is there coolant leaking on passenger side? Is the windshield fogging up?
Nov 5, 2010 at 1:58 PM
Avatar
STRAILER
  • CERTIFIED EXPERT
  • 53,855 POSTS
Hey Eserna05

This is a big job, but it you take your time you will save a bunch of money doing it yourself. You will need to discharge the air conditioner first.

Here is a guide:

https://www.2carpros.com/articles/re-charge-an-air-conditioner-system

then you will need to remove the heater core plenum.

Here is a guide for that:

https://www.2carpros.com/articles/replace-heater-core

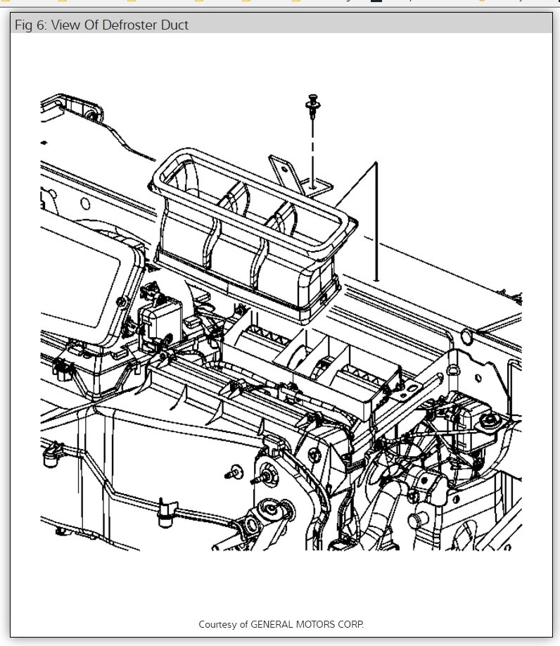
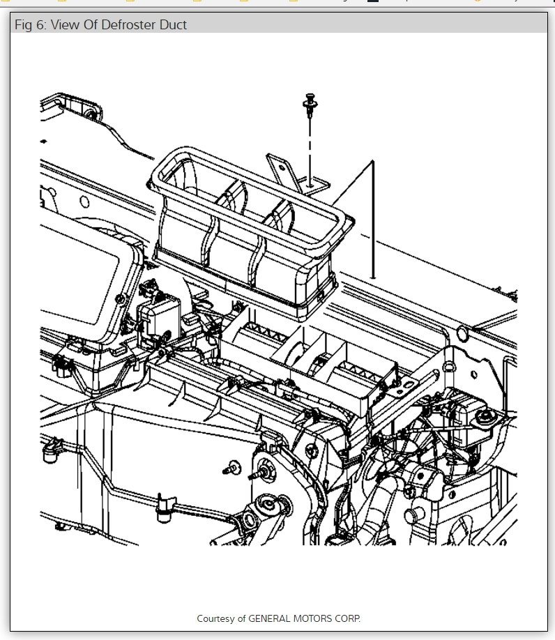
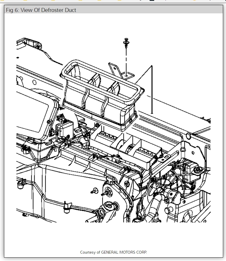
I have included some images of the job for you as well.

Please let us know happens so it will help others.

Best, Ken





Dec 2, 2016 at 9:44 AM
Advertisement
Avatar
HARRA1519
  • MEMBER
  • 1 POST
Hello,

I have the exact problem with my Pontiac Torrent. I have done heater cores before but never on a Pontiac. Any tips before I attempt this besides the ones already provided? the guide seems very helpful.
Dec 28, 2016 at 6:55 AM
Avatar
STRAILER
  • CERTIFIED EXPERT
  • 53,855 POSTS
Hey HARRA1519,

Just go slow and have a small container for the screws and bolts. do not force anything so you do not break it, everything is plastic! Please post pictures of the job being done. It would be great to see the job in action!

Best, Ken
Dec 28, 2016 at 9:48 AM