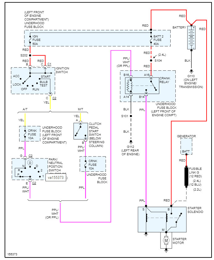
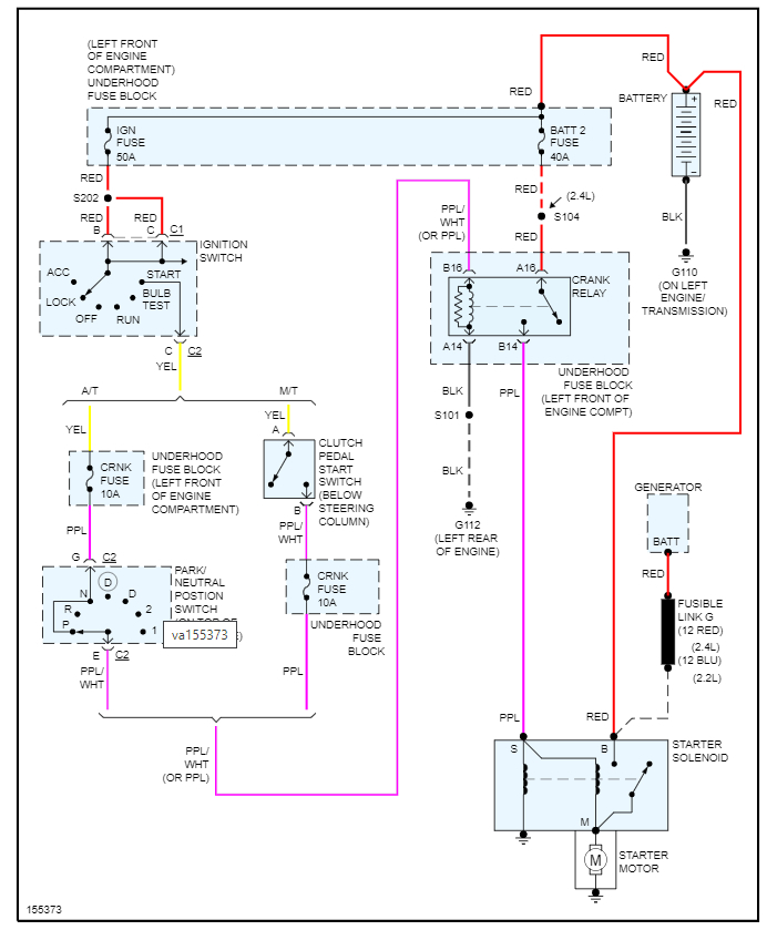
Hello, I replaced the transmission and clutch in my car, having to remove the entire transmission as a unit to to it, then replaced it. It went fine until I went to install the starter again. I remember taking three wires off, one signal wire and two larger wires from the alt and battery. However, when I went to put it back together, I had an extra large wire.
Just wondering where they all go.
Thanks, Bill
Just wondering where they all go.
Thanks, Bill
Jun 11, 2010 at 1:02 PM




