☰
Login
Join
×
Home
Answered Questions
Repair Topics
Repair & Service Guides
Popular Questions
Warning Lights
Trouble Codes
How It Works
Testing / Diagnostics
Symptoms
Videos
Login
Become a Member
Home
Pontiac
Sunfire
Engine
Starter
Wiring
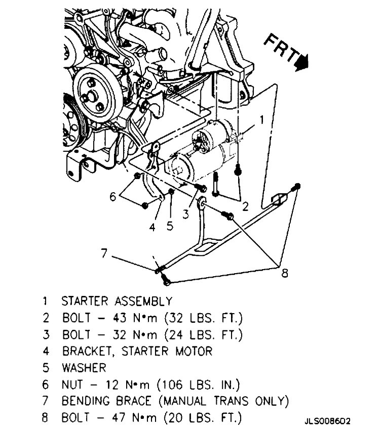
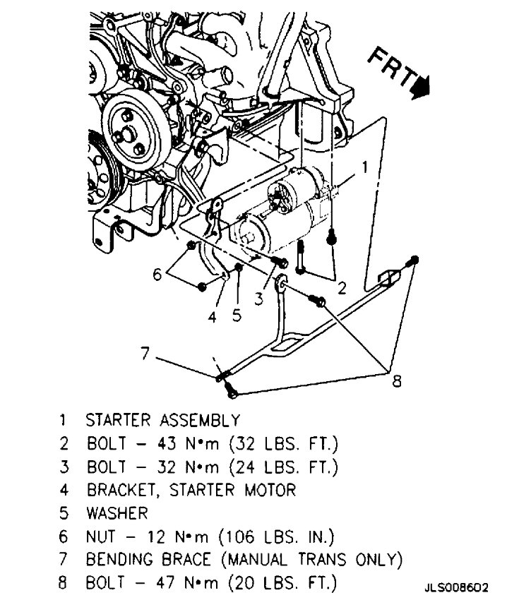
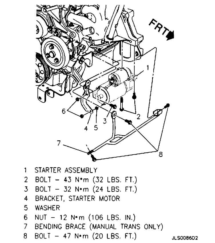
starter wiring diagram
1997 PONTIAC SUNFIRE
120,000 MILES • 4 CYL • FWD • AUTOMATIC
KENNYKBT1961
MEMBER
1 POST
FOLLOW
What wires go where on the starter solenoid?
May 22, 2010 at 5:15 PM
Advertisement
RASMATAZ
CERTIFIED EXPERT
75,992 POSTS
Hi kennykbt1961, Welcome to 2carpros
Here is a guide that will walk you through the starter wiring and how they go on the solenoid.
https://www.2carpros.com/articles/how-to-replace-a-starter-motor
Please let us know if you need anything else to get the problem fixed.
Image (Click to enlarge)
May 22, 2010 at 6:37 PM