Hey all,
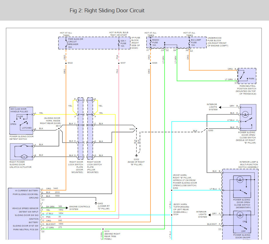
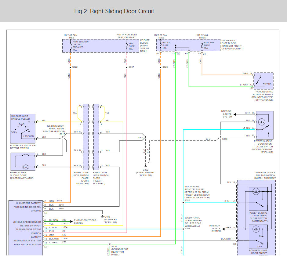
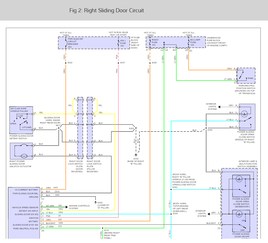
I have a 2003 Pontiac Montana which I bought used 3 months, my power side door decided to stop working all together last saturday but previous to that it would work when you activated the door handle but not with the buttons on the inside or on the key other than to close the door. Other than the obvious fuse in the fuse box in side by the passenger door, what else can I check for before having to take it to a dealer and get screwed.
Jay
I have a 2003 Pontiac Montana which I bought used 3 months, my power side door decided to stop working all together last saturday but previous to that it would work when you activated the door handle but not with the buttons on the inside or on the key other than to close the door. Other than the obvious fuse in the fuse box in side by the passenger door, what else can I check for before having to take it to a dealer and get screwed.
Jay
Sep 2, 2006 at 4:08 PM











