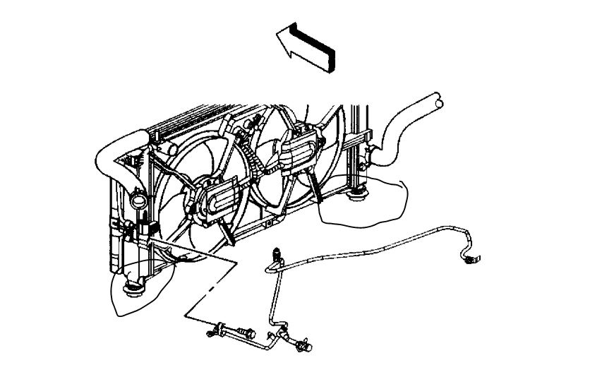
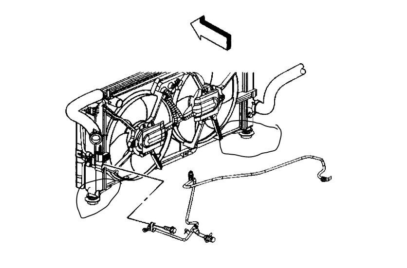
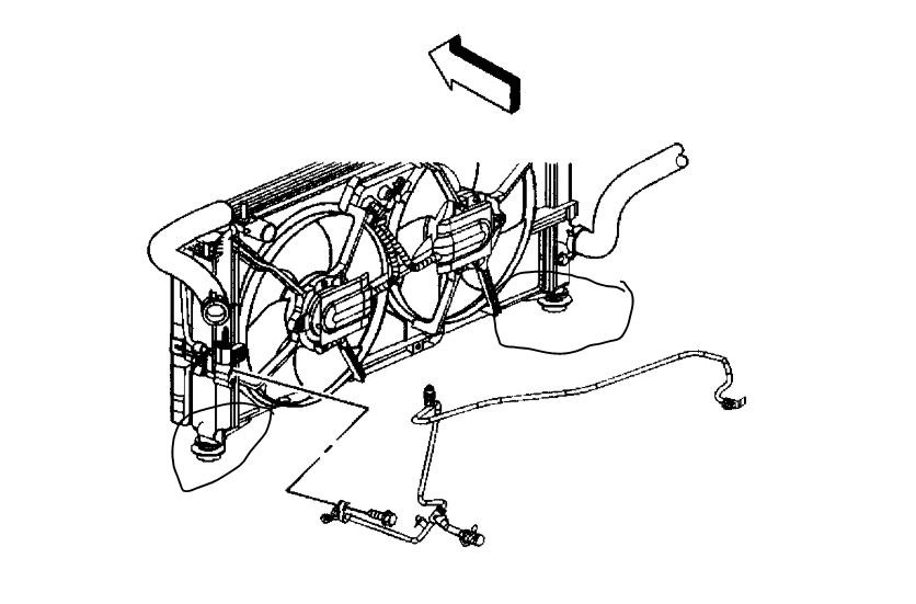
I need to replace two lower radiator mounts. Is it possible to replace the two lower mounts without disconnect A/C lines on the condenser or coolant lines by myself? Thanks for your instruction and help!
Genuine W0133-1820842 or Lower Mount - GM (10341994)
Genuine W0133-1820842 or Lower Mount - GM (10341994)
Sep 5, 2019 at 4:38 PM


