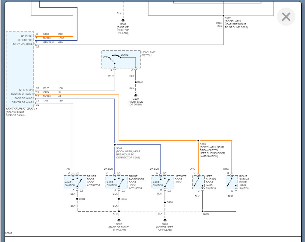
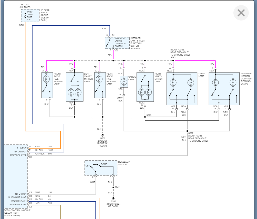
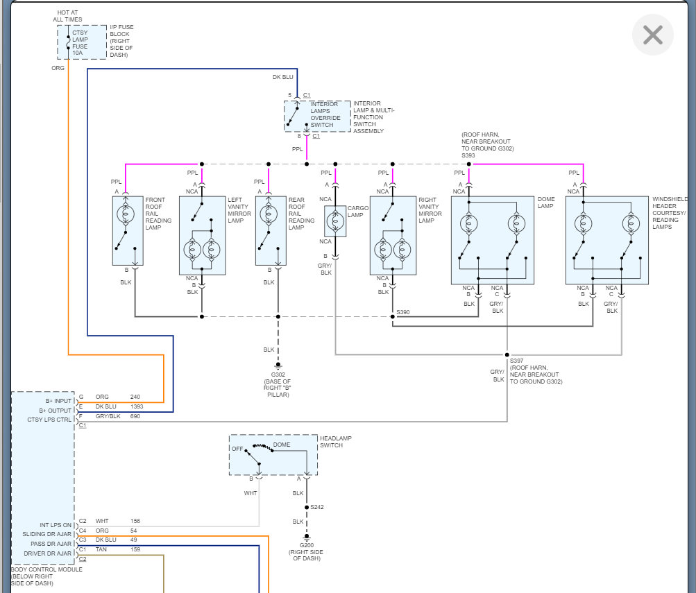
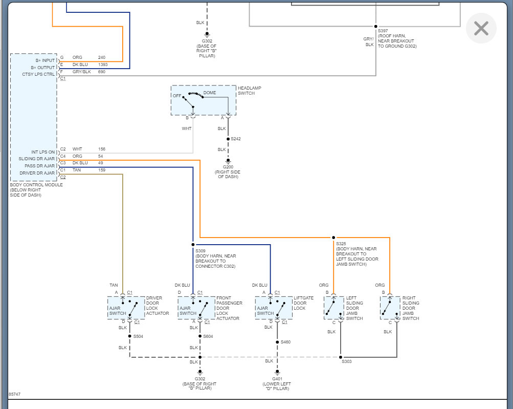
There are a number of things that can cause this but if none of the interior lights are working and you check the courtesy lamp fuse, and it is fine then we most likely have a ground issue.
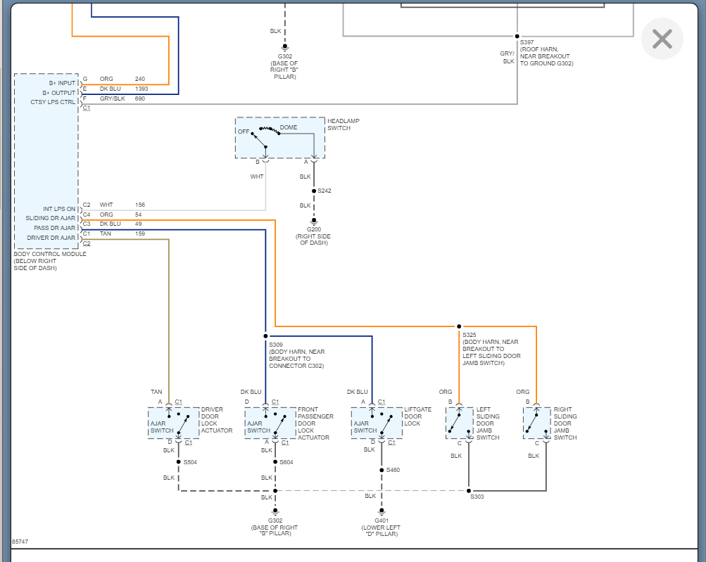
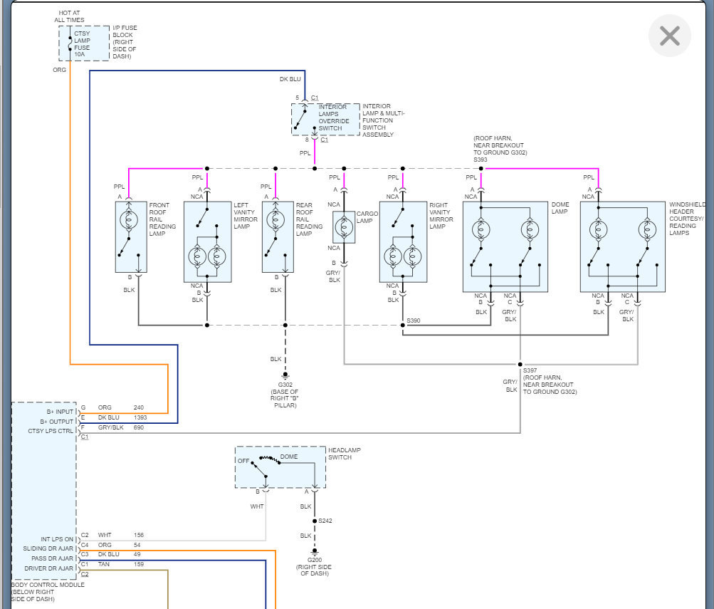
In this case, the ground is actually the body control module.
Basically, all these lamps on the ground side, are spliced together and then routed to the BCM. Then when the switch is turned on the BCM grounds the lamps.
This means we may have a switch issue as well. So, the way to check this is to go to the BCM and check if there is varying voltage coming in on the white wire from the switch. If the voltage increases as you are getting ground through the switch, so it is a complete circuit, and the switch is fine.
https://www.2carpros.com/articles/how-to-check-wiring
https://www.2carpros.com/articles/how-to-use-a-voltmeter
Then if this switch is ok, go to the courtesy lamps control and see if there is a small amount of voltage which means the BCM is completing the circuit and commanding them on. However, you can test this by taking that terminal on the BCM and ground it yourself and see if the lights come on.
If they do then the BCM is the issue.
Please let me know what questions you have. Thanks
Images (Click to enlarge)
Nov 10, 2021 at 6:59 PM