Engine Mechanical problem
2002 Pontiac Montana 6 cyl All Wheel Drive Automatic 189000k
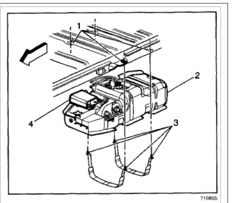
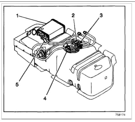
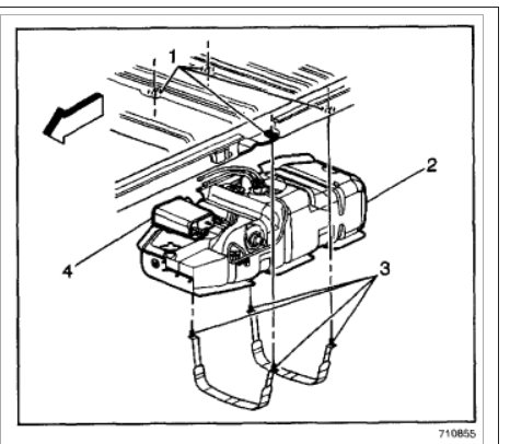
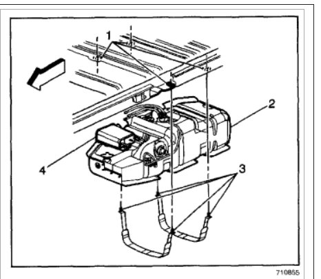
I have a 2002 Montana that is burning through fuel pumps. I changed it 3 weeks ago, and it has burnt out again. We keep the tank above half, and havn't done anything out of the ordinary, driving wise.
This time, it just quit, no warning.
Any ideas on what could be causing the pump to burn out?
Jan 7, 2019 at 9:08 PM
(Merged)