Four cylinder front wheel drive automatic.
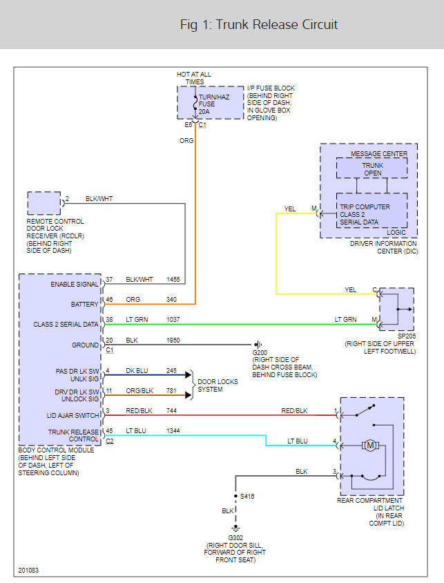
Hello, is there a trunk button to open the trunk on the inside of my car? if so I cannot find it. Or is there a key entry on the back of the trunk to open the trunk? my wireless key entry controls no longer work.
Can you direct me the location of the key entry on my trunk? Is it under an emblem or something? I have had this car for five years and have been unsuccessful in finding a key entry or button to pop my trunk open. I am at work now so I cannot see my car. I feel like an idiot for asking, lol.
Thank you,
Carrie
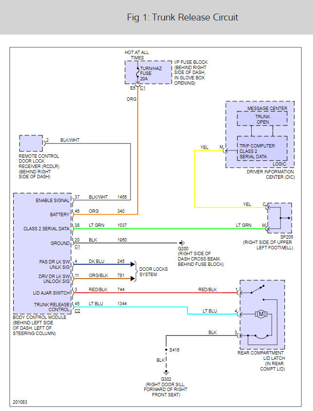
Hello, is there a trunk button to open the trunk on the inside of my car? if so I cannot find it. Or is there a key entry on the back of the trunk to open the trunk? my wireless key entry controls no longer work.
Can you direct me the location of the key entry on my trunk? Is it under an emblem or something? I have had this car for five years and have been unsuccessful in finding a key entry or button to pop my trunk open. I am at work now so I cannot see my car. I feel like an idiot for asking, lol.
Thank you,
Carrie
Jan 28, 2010 at 10:43 AM

