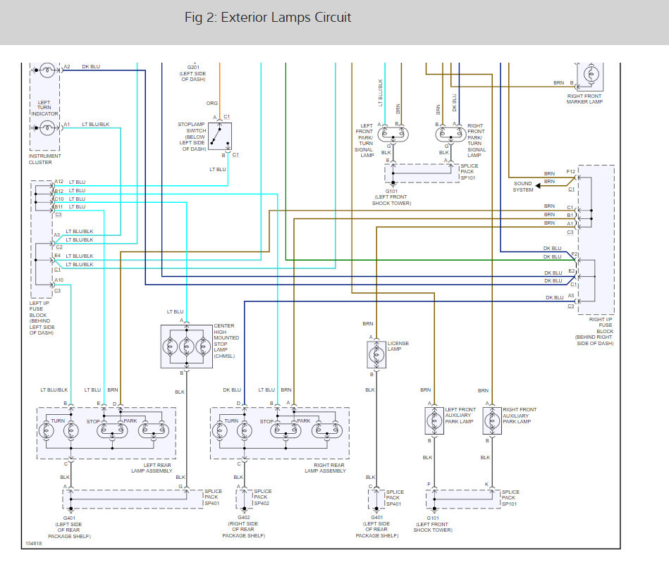
My blinkers randomly stop working.. Not just on the outside ( bulb ) but you cant see them go on in the inside either. It's not all the time. This car has a car starter installed after market. Could this be installed wrong?
May 7, 2009 at 8:19 PM









