Engine Mechanical problem 4 cyl Front Wheel Drive Automatic
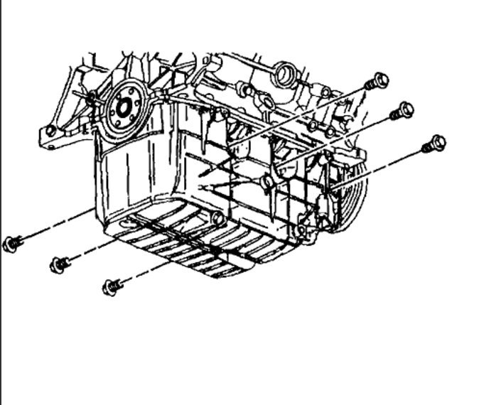
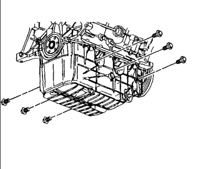
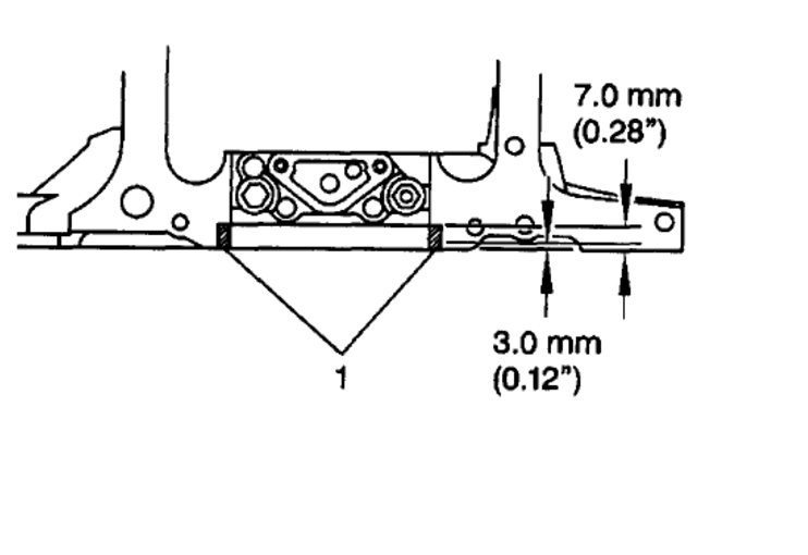
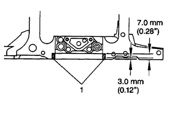
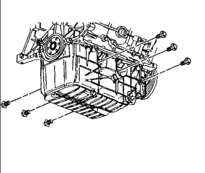
how do i get the oil pan off? I can't reach all the bolts. The front motor support bracket is in the way and i can't get it to come off.
how do i get the oil pan off? I can't reach all the bolts. The front motor support bracket is in the way and i can't get it to come off.
Dec 24, 2008 at 11:39 AM




