Knock sensors?

1995 PONTIAC FIREBIRD
125,000 MILES • 6 CYL • 2WD • AUTOMATIC
Avatar
TDW1975
  • MEMBER
  • 1 POST
Where exactly are the knock sensor located at on the engine?
Dec 16, 2007 at 2:34 PM
Advertisement
Avatar
RASMATAZ
  • CERTIFIED EXPERT
  • 75,992 POSTS
3.4 liter


https://www.2carpros.com/forum/automotive_pictures/12900_3_3.jpg

3.8 liter


https://www.2carpros.com/forum/automotive_pictures/12900_knock_sensor_3_1.jpg

Dec 16, 2007 at 3:52 PM
Avatar
STRAILER
  • CERTIFIED EXPERT
  • 53,854 POSTS
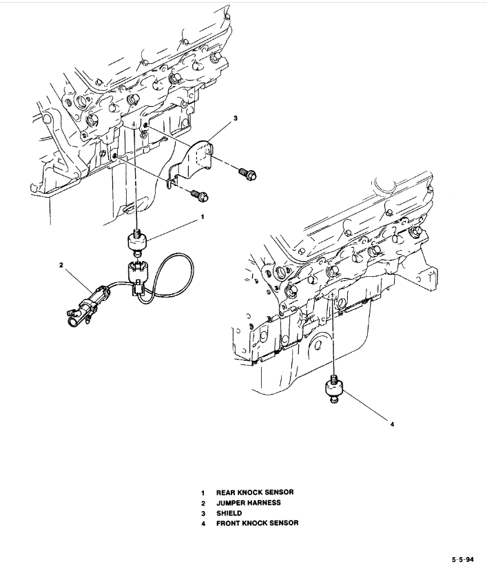
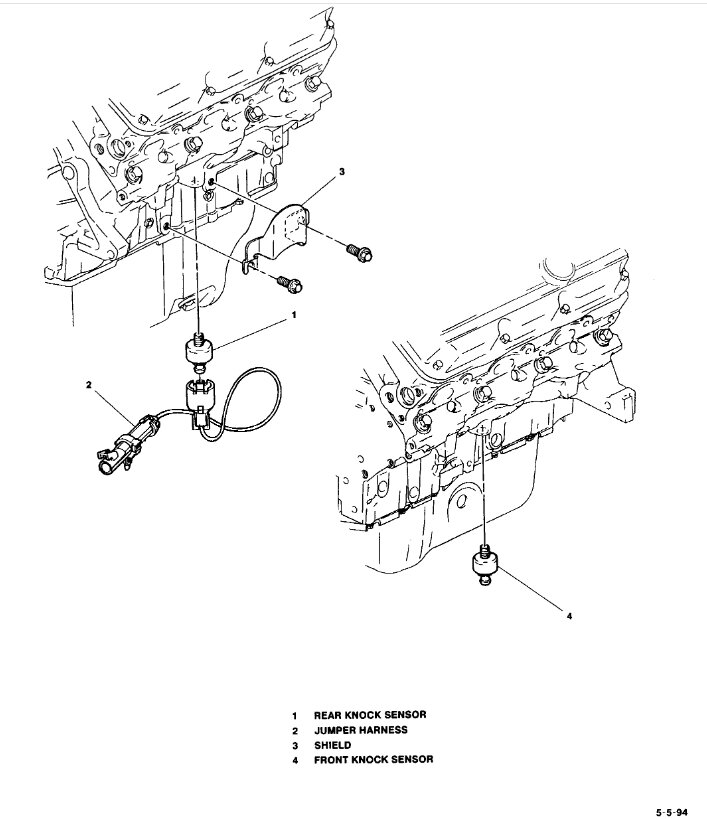
Here are the instructions and the location of the knock sensor which is down low on the engine block. Check out the images (below). Let us know if you need anything else.
Nov 13, 2024 at 9:07 AM
Advertisement