Ac not working

2001 PONTIAC BONNEVILLE
Avatar
NOTAPROMIKE
  • MEMBER
  • 66 POSTS
Air Conditioning problem 6 cyl Front Wheel Drive Automatic 311000 miles

I was having trouble with my power door locks and push button trunk release and interior lights, so I was in the fuse box under the back seat checking things out. Ever since my AC compressor will not turn on. Help. I cannot find a fuse under the back seat marked AC. The problem with my power door locks/ interior lights/push button trunk release mysteriously disappeared after I got out of the 100 degree hellish Texas heat& back in Minnesota.

I checked this fuse and it is good. Swapped it out anyway. AC still not working. There is no power to the 2 prong hookup that connects to the compressor when I have the AC on. I think there should be. Any more suggestions? Thanks. Mike PS I also switched out the AC relay inside the fuse box under the hood. It was good also
Jun 21, 2010 at 4:39 PM
Advertisement
Avatar
STRAILER
  • CERTIFIED EXPERT
  • 53,854 POSTS
Hello,

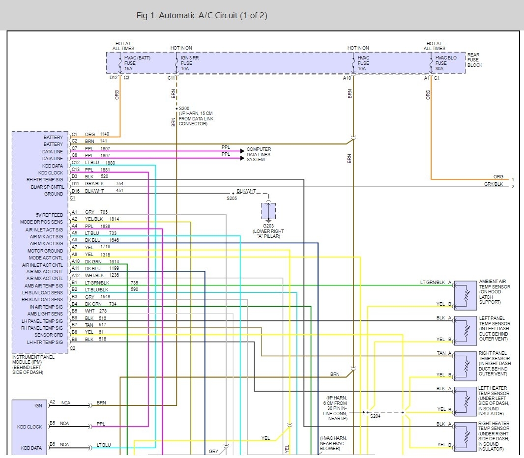
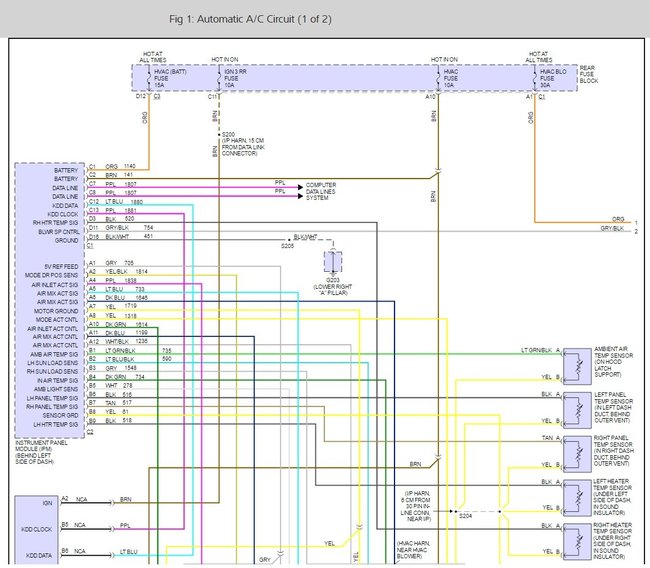
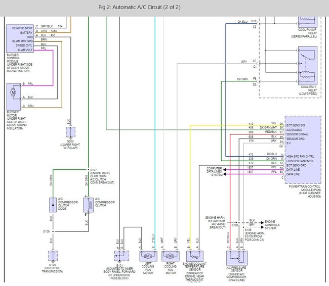
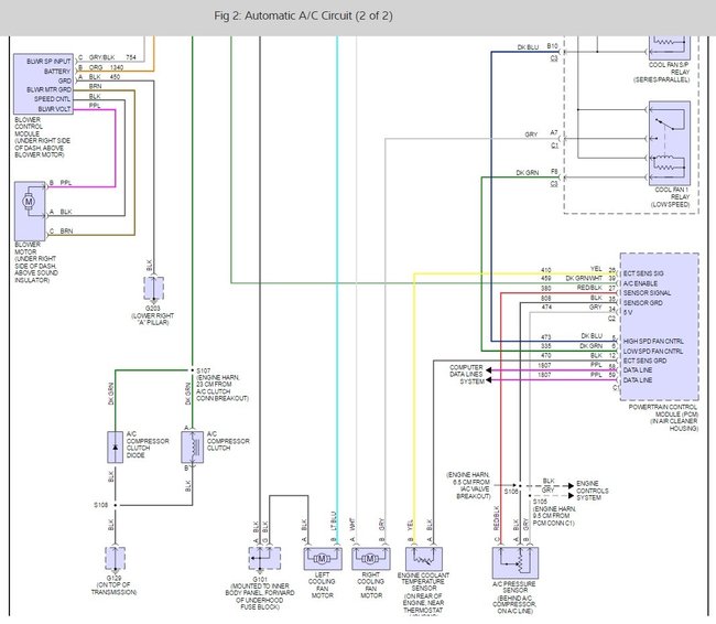
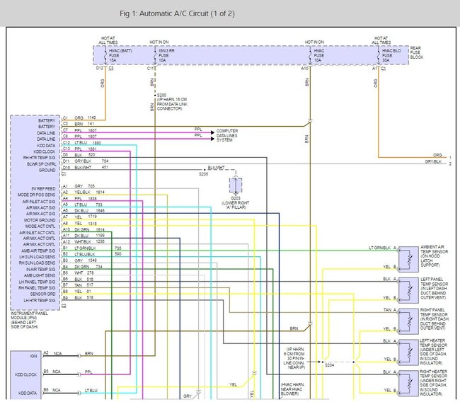
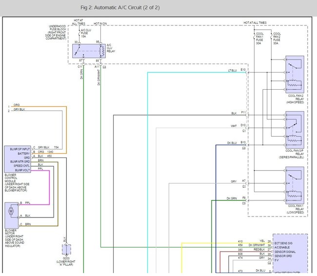
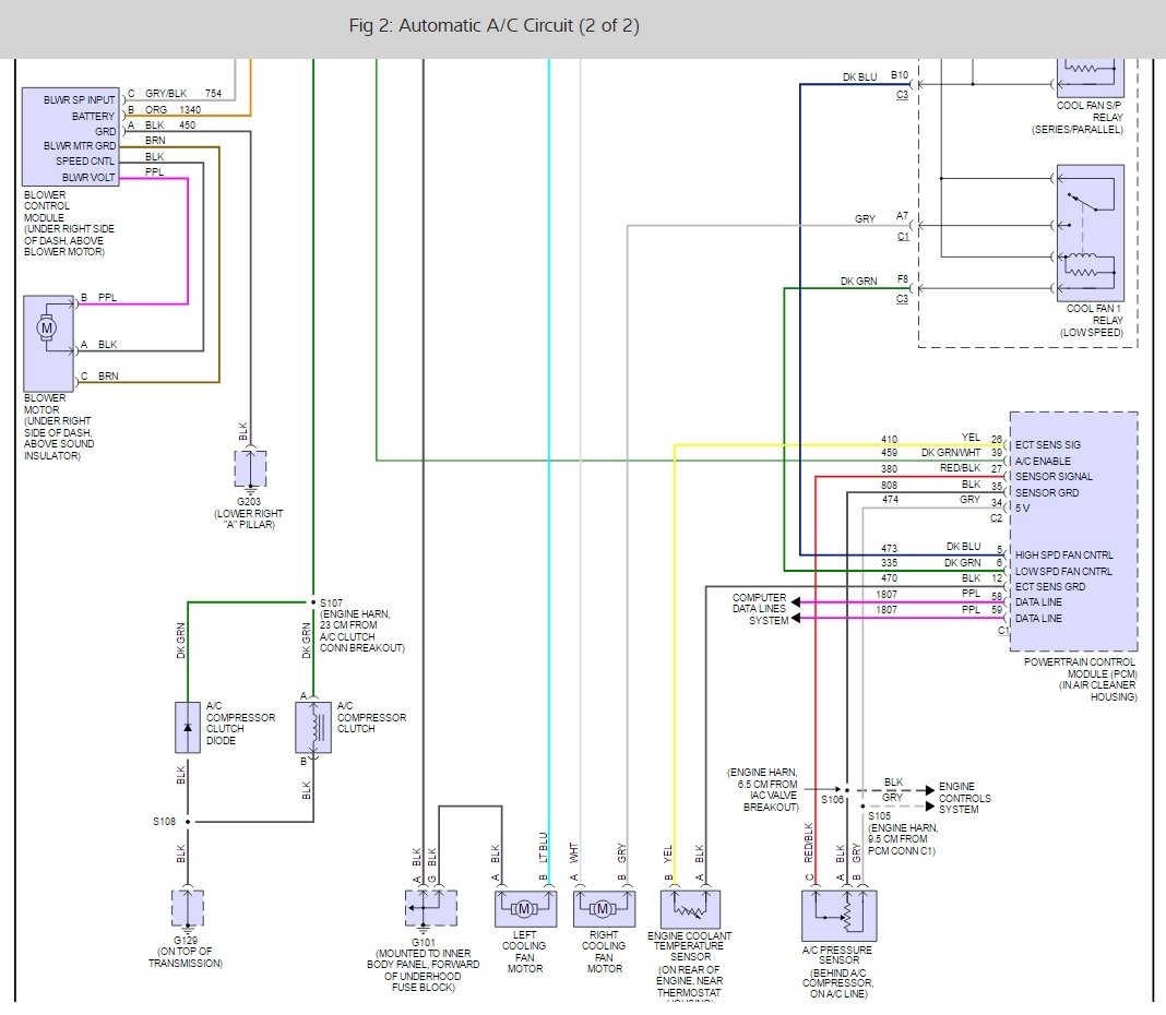
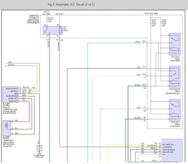
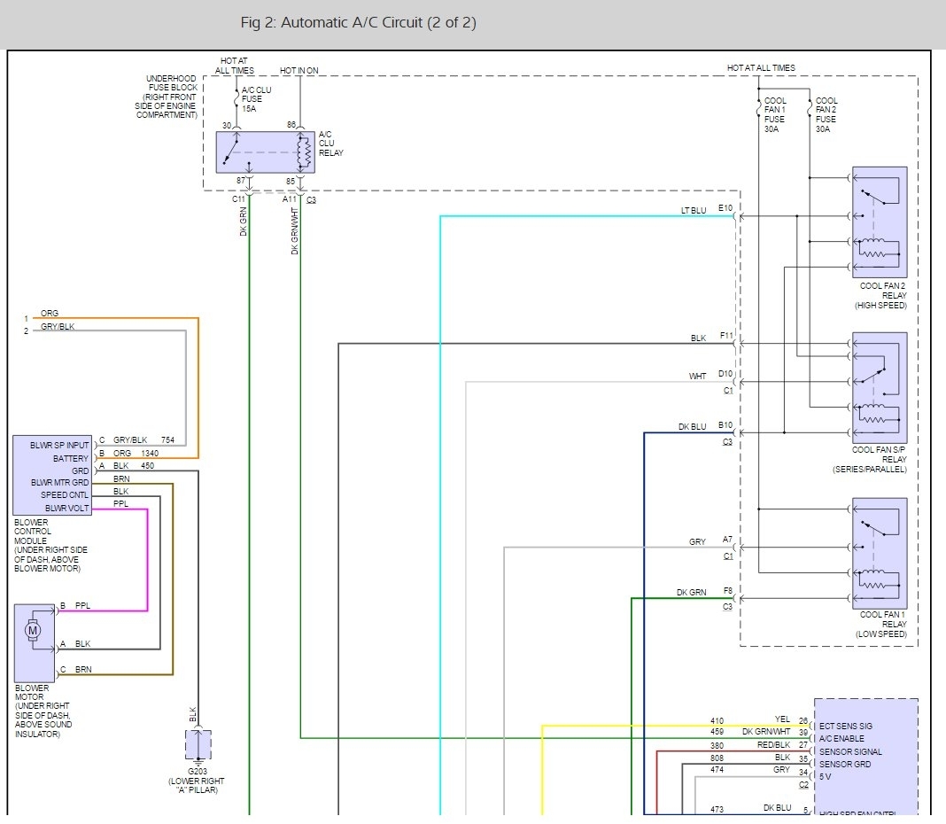
There is 4 fuses for the system to work, a compressor relay and a ac pressure switch that can do bad, here is a some wiring diagram and a guide to help you figure out whats going on.

Check for power at the pressure switch.

https://www.2carpros.com/articles/how-to-check-a-car-fuse

and

https://www.2carpros.com/articles/how-to-use-a-test-light-circuit-tester

also the compressor will not come on if the system is low.

https://www.2carpros.com/articles/air-conditioner-how-to-add-freon

Please run some tests and get back to us so we can continue helping you.

Cheers, Ken


May 4, 2017 at 7:33 PM
Avatar
WCRUDOLPH
  • MEMBER
  • 1 POST

the a/c was turned on and blew hot air from drivere side vents and cool air from passenger side vents
May 4, 2017 at 7:33 PM (Merged)
Advertisement
Avatar
FIXITMR
  • CERTIFIED EXPERT
  • 9,990 POSTS
yes, this a common problem.
May 4, 2017 at 7:33 PM (Merged)
Avatar
RASMATAZ
  • CERTIFIED EXPERT
  • 75,992 POSTS
You need to open it up and investigate-could be a door actuator/vacuum problem and also the HVAC control module-hard to say what's causing it-
May 4, 2017 at 7:33 PM (Merged)
Avatar
FIXITMR
  • CERTIFIED EXPERT
  • 9,990 POSTS
do you have split control system for each side?
May 4, 2017 at 7:33 PM (Merged)
Avatar
FIXITMR
  • CERTIFIED EXPERT
  • 9,990 POSTS
some people have reported just adding freon has fixed it.
May 4, 2017 at 7:33 PM (Merged)
Avatar
FIXITMR
  • CERTIFIED EXPERT
  • 9,990 POSTS
the other most common fault for dual system is drivers side temp door actuator.
May 4, 2017 at 7:33 PM (Merged)
Avatar
FIXITMR
  • CERTIFIED EXPERT
  • 9,990 POSTS
net says 90% success rate with adding freon.
May 4, 2017 at 7:33 PM (Merged)
Avatar
JAKESTER2261
  • MEMBER
  • 1 POST
Air Conditioning problem
2001 Pontiac Bonneville 6 cyl Front Wheel Drive Automatic 119000 miles

I have a SSEi with the dual climate control where the drivers side only blows vent air but the passenger side works just fine. Thoughts?
May 4, 2017 at 7:33 PM (Merged)
Avatar
JACOBANDNICKOLAS
  • CERTIFIED EXPERT
  • 110,175 POSTS
The vent directions are run by vacuum. Chances are there is a damaged or disconnected vacuum hose under the dash. Check to see if you can find one. With the engine running, you may be able to hear a hissing sound.
May 4, 2017 at 7:34 PM (Merged)
Avatar
AIRMAN1949
  • MEMBER
  • 1 POST
2001 bonneville a/c appears to have proper freon pressure, but no cool air, only one side had been cooling in the cabin, now neither side. any ideas
May 4, 2017 at 7:34 PM (Merged)
Avatar
RASMATAZ
  • CERTIFIED EXPERT
  • 75,992 POSTS
Possibilities here could be the magnetic clutch, pressure switch, AC relay and also check the air blend door/actuator-HVAC control module
May 4, 2017 at 7:34 PM (Merged)