fuse box?

1999 PONTIAC BONNEVILLE
67,000 MILES • 6 CYL • 2WD • AUTOMATIC
Avatar
ABADGER
  • MEMBER
  • 1 POST
My cigarette lighters no longer work. I assume that iit is a blown fuse but I do not know where the fuse box is located. Also how do I know which fuse to change out.

Thanks
Dec 3, 2009 at 11:18 AM
Advertisement
Avatar
JACOBANDNICKOLAS
  • CERTIFIED EXPERT
  • 110,175 POSTS
Hello,

Here is a guide to help you test the fuses and the fuse panel diagrams listed below.

https://www.2carpros.com/articles/how-to-check-a-car-fuse

Check out the diagrams (Below). Please let us know if you need anything else to get the problem fixed.
Dec 16, 2009 at 8:07 AM
Avatar
MSHABAZZ
  • MEMBER
  • 1 POST
Electrical problem
1997 Pontiac Bonneville 6 cyl

we removed the starter and it was not the problem so now i need to know where fusible link is and here is an overview of what is going on the car will not start no cliking no nothing the power still comes on but nothing else as far as the engine
Jul 17, 2020 at 12:23 PM (Merged)
Advertisement
Avatar
JDL
  • CERTIFIED EXPERT
  • 16,098 POSTS
Hi, possibly theft/security system? If there is a security lite on the dash that is on or flashing, when you try to start, have the security system checked out.
Jul 17, 2020 at 12:23 PM (Merged)
Avatar
JDSGIRL83
  • MEMBER
  • 2 POSTS
my car is used and the only owners manual with the car was a 1995 manual for a bonneville, so now I need to know what all the fuses go to in the fuse box, because most of the fuses are not there, but my doors lock automatically, when my car sit's overnight. and Ido not know what my fuses go to in the fuse boxatly appreciated. I have no credit card so I am unable to donate any money at this time, but I sure would appreciate your help.
Jul 17, 2020 at 12:23 PM (Merged)
Avatar
RASMATAZ
  • CERTIFIED EXPERT
  • 75,992 POSTS
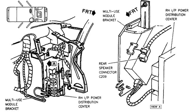
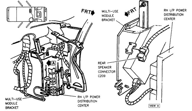
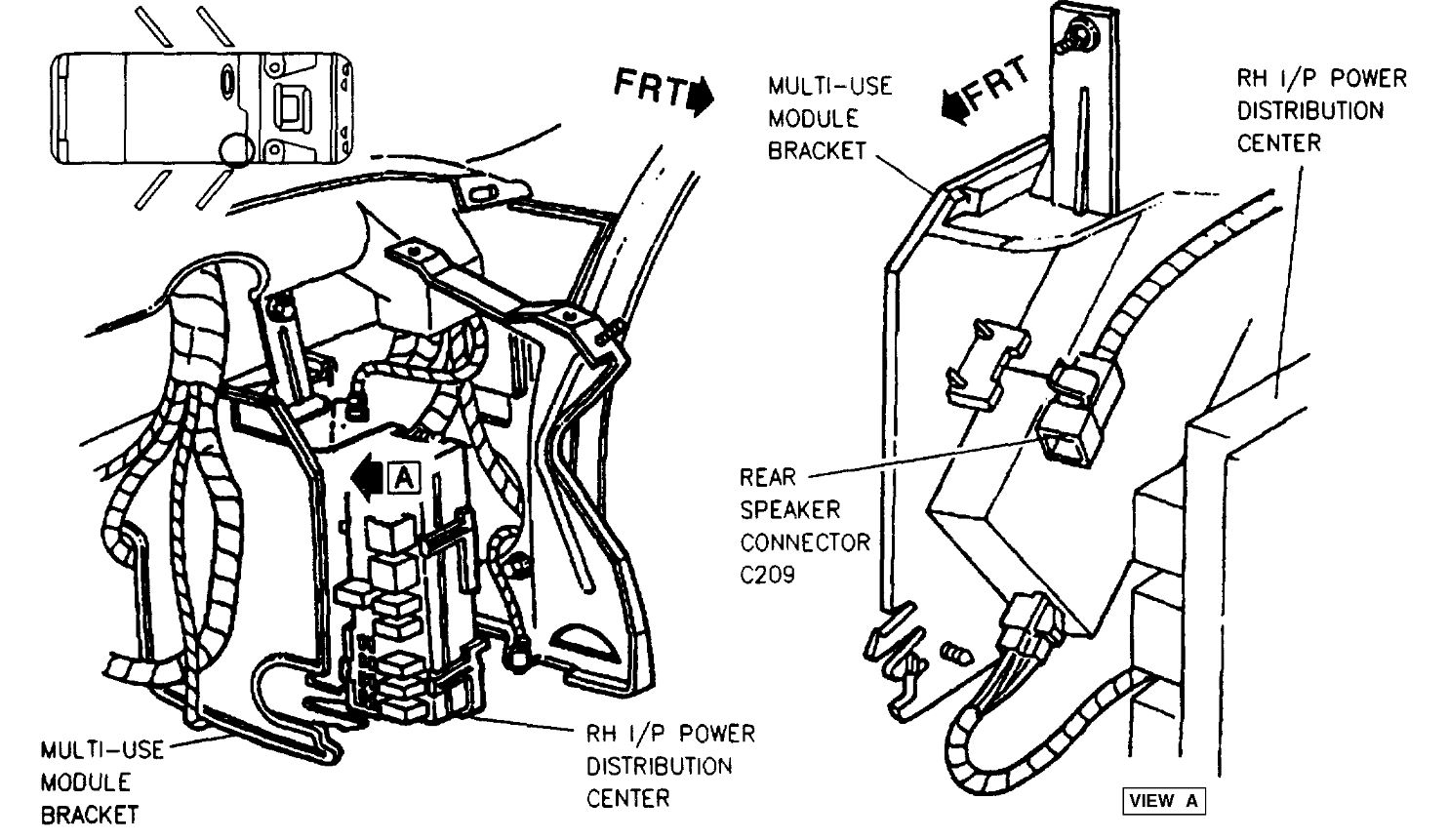
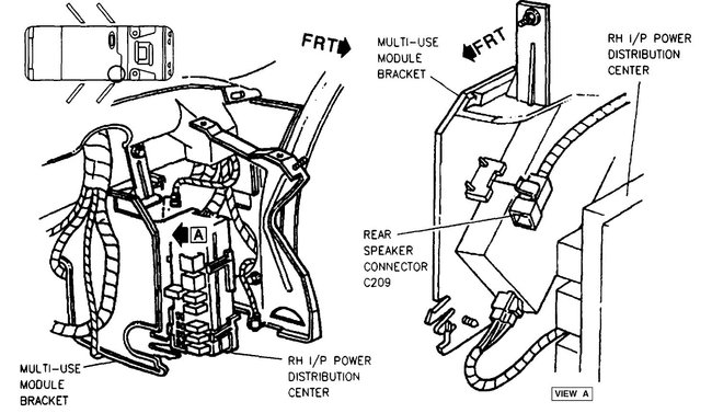
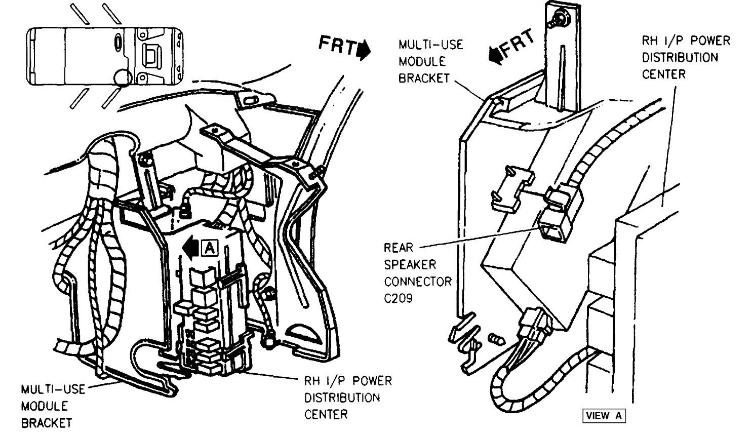
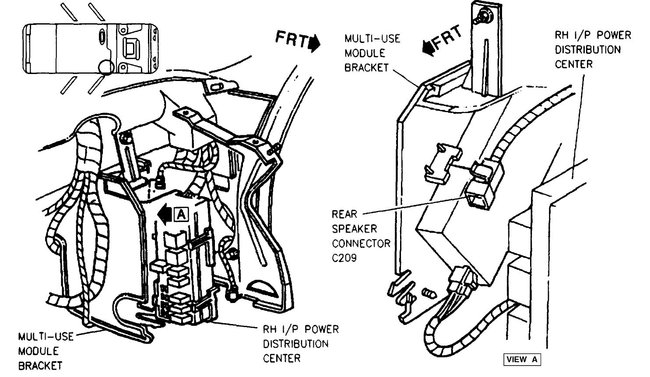
See below Left I/P fuse block:


https://www.2carpros.com/forum/automotive_pictures/12900_fuse1_1.jpg

Right I/P fuse block


https://www.2carpros.com/forum/automotive_pictures/12900_fuse2_1.jpg

See the diagrams below for the location of the power centers for your vehicle Let us know if you need anything else
Jul 17, 2020 at 12:23 PM (Merged)
Avatar
JDSGIRL83
  • MEMBER
  • 2 POSTS
Thank you for the fuse box information, althouh which fuse box is the one under my dash, is it considered the left or right fuse box, thats what I am needing to know also, thank you again very much for your help
Jul 17, 2020 at 12:23 PM (Merged)
Avatar
MSSMITH
  • MEMBER
  • 1 POST
Where is the fuse box located
Jul 17, 2020 at 12:24 PM (Merged)
Avatar
2CARPRO JACK
  • CERTIFIED EXPERT
  • 11,533 POSTS
There are several fuse blocks in this vehicle

See the guide below on testing fuses with a test light

https://www.2carpros.com/articles/how-to-use-a-test-light-circuit-tester

See the diagrams below for locations
Jul 17, 2020 at 12:24 PM (Merged)
Avatar
CARREPAIRKLL
  • MEMBER
  • 1 POST
Where are the fuses for the power seats in a 1995 bonneville SSE
Jul 17, 2020 at 12:24 PM (Merged)
Avatar
BLUELIGHTNIN6
  • CERTIFIED EXPERT
  • 16,542 POSTS
fuse #3 (25 amp) in the fuse panel
Jul 17, 2020 at 12:24 PM (Merged)
Avatar
  • MEMBER
  • 1 POST
1994 pontiac bonneville 3.8

I need to check the fuses but where are they located?
Jul 17, 2020 at 12:24 PM (Merged)
Avatar
SERVICE WRITER
  • CERTIFIED EXPERT
  • 9,123 POSTS
On the left side of the dash, Not sure if it is behind a panel on side of the dash, exposed when the door is open; or may be under the dash on the left.
Jul 17, 2020 at 12:24 PM (Merged)
Avatar
RANGER4520
  • MEMBER
  • 3 POSTS
there is another fuse box on the pasenger side with more relays right behinde the dash. you have to take and pull the bottom cover off and take the glove box out also just to see them
Jul 17, 2020 at 12:24 PM (Merged)
Avatar
1990SSE
  • MEMBER
  • 2 POSTS
I was driving at night when I noticed my dash and taillights where not on. After checking fuses and finding that was the problem, I changed the fuse and continued. Shortly after, I started to smell burning and all my lights (interior and exterior) started to flash and flicker. The vehicle still runs, but I cant seem to find the problem, plus I am at a loss of where to even start.
Jul 17, 2020 at 12:24 PM (Merged)
Avatar
JDL
  • CERTIFIED EXPERT
  • 16,098 POSTS
Hello, what fuse did you replace, was it blown? That circuit maybe shorting to ground, pull the fuse. If that was the tail fuse, it shouldn't go hot till you turn on the lites.

I just wanted to add, the dash and tail-lites may use the same fuse. You can use a test-lite as a load on that circuit, it won't blow the fuse and maybe it won't melt the wire. If that is the problem circuit.
Jul 17, 2020 at 12:24 PM (Merged)
Avatar
1990SSE
  • MEMBER
  • 2 POSTS
The fuse that blew was the tail light fuse. I repaced the fuse and all the lights started flashing and thats when i smelled the burning. I then removed said fuse and the flashing and burning continued.
Jul 17, 2020 at 12:24 PM (Merged)
Avatar
JDL
  • CERTIFIED EXPERT
  • 16,098 POSTS
You might try unplugging the headlite switch, see if the flashing/burning goes away. My wiring diagrams doesn't show the feed circuits for the fuse on this vehicle.
Jul 17, 2020 at 12:24 PM (Merged)
Avatar
SEANDRA123
  • MEMBER
  • 1 POST
I need to know the complete fuse diagram for a 1993 pontiac bonneville
Jul 17, 2020 at 12:24 PM (Merged)
Avatar
RASMATAZ
  • CERTIFIED EXPERT
  • 75,992 POSTS
Fuse & Circuit Breaker Identification
1 - Blank or Spare
2 - Blank or Spare
3 - 10 Amp (1987) Radio; Blank (1988-91)
4 - 25 Amp (1987) Windshield Wiper; Blank (1988); 10 Amp (1989-91) Radio
5 - Blank (1987); 10 Amp (1988) Windshield Wiper; 25 Amp (1989-91) Windshield Wiper
6 - 20 Amp (1987) Cooling Fan Relay; 5 Amp (1988-90); 10 Amp (1990-91 SSE Model) Cooling Fan Relay
7 - 25 Amp; 15 Amp (1990-91 SSE Model) Air Conditioner
8 - Blank (1987); 5 Amp (1988-89) Electronic Brake System (Pump); 5 Amp (1990); 10 Amp (1990-91 SSE Model) Electronic Brake System (Control)
9 - 15 Amp (1987) Electronic Vacuum Regulator Valve (EVRV), Canister Purge, Engine Relays; 5 Amp (1988-89) Electronic Brake System (Control); 5 Amp (1990); 10 Amp (1990-91 SSE Model) Electronic Brake System (Pump)
10 - 20 Amp (1987) Fuel Pump Injectors; 10 Amp (1988-89) Cluster, Oil, Compass; 10 Amp (1990-91) Low Coolant, Compass; Blank (1991 SSE Model)
11 - 20 Amp (1987) Taillights; 20 Amp (1988) Radio, Cigarette Lighter, Underhood Light; 20 Amp (1989-90); 15 Amp (1990-91 SSE Model) Chime, Cigarette Lighter, Radio, Power Antenna
12 - 20 Amp Electronic Ride Control
13 - 20 Amp Stoplights (1987-90), Brake & Hazard Lights
14 - 20 Amp (1987) Radio, Cigarette Lighter, Underhood Lights; 20 Amp (1988-89) Taillights; 20 Amp (1990); 15 Amp (1990-91 SSE Model) License Plate Light
15 - 20 Amp (1987-88) Dome Light; 20 Amp (1989) Courtesy Light, Power Mirror; 20 Amp (1990-91); 15 Amp (1990-91 SSE Model) Courtesy Lights, Power Mirror & Locks
16 - 20 Amp (1987-88) Gauges, Generator Light; 20 Amp (1989) Door Locks, Illuminated Entry System; 20 Amp (1990); 15 Amp (1990-91 SSE Model) Gauges, Illuminated Entry System, Anti-Theft (1991)
17 - 10 Amp Electronic Control Module (ECM), Computer Command Control; 20 Amp (1990-91 SSE Model) Trunk Relay
18 - 5 Amp; 10 Amp (1990-91 SSE Model) Cruise Control
19 - 15 Amp; 20 Amp (1990-91 SSE Model) Turn Signals, Back-Up Light
20 - 20 Amp Electric Trunk & Fuel Door Release; 10 Amp (1991 SSE Model) Instrument Panel Lights
21 - Blank or Spare
22 - Blank or Spare
23 - 30 Amp Circuit Breaker (1987-88) Power Windows; 30 Amp Circuit Breaker (1989-91) Power Windows & Sun Roof
24 - 30 Amp Circuit Breaker (1987-88) Power Seats, Rear Window Defogger; 30 Amp Circuit Breaker (1989-91) Power Seats & Door Locks, Rear Window Defogger
25 - 5 Amp; 10 Amp (1990-91 SSE Model) Instrument Panel Lights (1987-90), Low Coolant (1991), Compass (1991), Driver Information System (1991)
26 - 10 Amp (SSE Model Only) Spare (1988), Radio & Accessories (1989), DIC (1990-91)
27 - 10-Amp (SSE Model Only) DIC (1988-89), Heated Mirrors (1990-91)
28 - 15 Amp (SSE Model Only) Heated Mirrors (1988-89), Courtesy Lights (1990-91)
29 - 20 Amp (SSE Model Only) Spare (1988-89), Horn (1990-91)
30 - 15 Amp (SSE Model Only) Instrument Panel (1988), Engine Relays (1989-91)
31 - 20 Amp (SSE Model Only) Fuel Pump
32 - 10 Amp (SSE Model Only) Injection

Jul 17, 2020 at 12:24 PM (Merged)