oil pan gasket replacement

2003 PONTIAC AZTEK
Avatar
HOTROD82
  • MEMBER
  • 1 POST
How to remove a oil pan gasket from my car, can you give me instructions please? Thanks I love this site.
Jun 17, 2009 at 9:19 AM
Advertisement
Avatar
STRAILER
  • CERTIFIED EXPERT
  • 53,854 POSTS
This job is not to bad. just get yourself ready and take your time. You will need to raise the car up safely.

Here is a guide to help with that.

https://www.2carpros.com/articles/jack-up-and-lift-your-car-safely

Next, Drain the oil.

https://www.2carpros.com/articles/how-to-change-engine-oil-and-filter

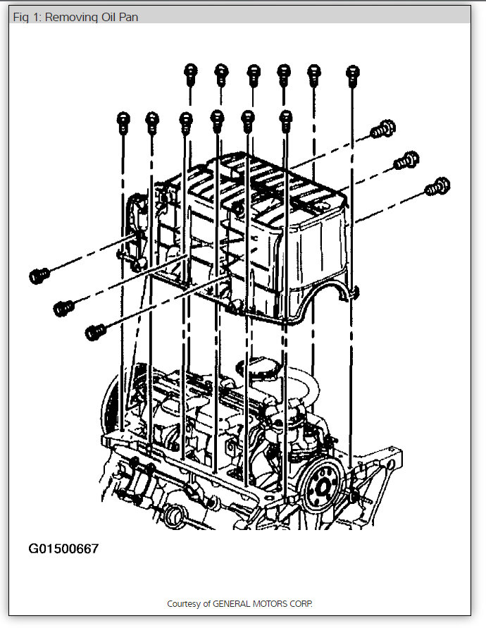
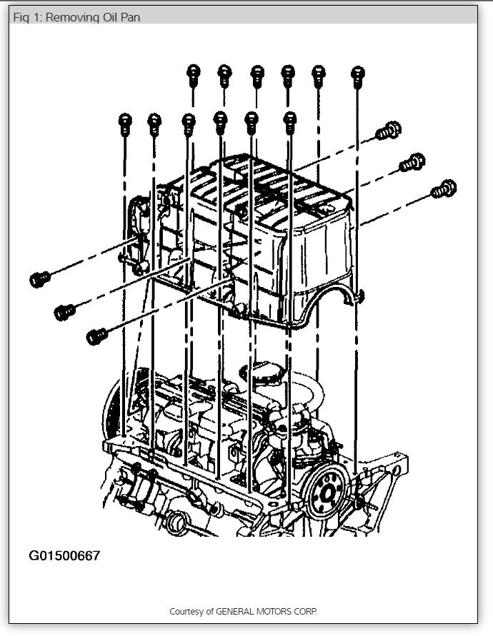
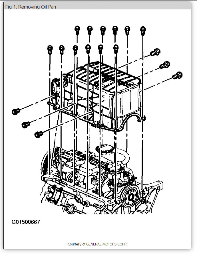
Here are the instructions from the book diagrams (below)

Remove the oil level pressure sensor and sensor bolt.
Remove the oil pan side bolts.
Remove the oil pan bolts.
Remove the oil pan.
Remove the oil pan gasket.
Fig 1: Removing Oil Pan
Oil Pan Cleaning And Inspection
Remove the oil level sensor bolt, if equipped.
Remove the oil level sensor, if equipped.
Clean the oil pan in solvent. Remove all sludge and debris from the bottom of the oil pan.
Inspect the oil pan sealing surfaces for damage.
Replace the oil pan if necessary.
Install the oil level sensor, if equipped.
Install the oil level sensor bolt, if equipped.
Fig 2: Removing Oil Level Sensor Bolt From Oil Pan
Tighten the oil level sensor bolt to 10N.m (89lb in).


Please let us know if you need anything else to get the problem fixed.

Cheers, Ken
Sep 19, 2017 at 12:09 PM