p0418 code

2004 DODGE STRATUS
165,000 MILES • 2.4L • 4 CYL • 2WD • AUTOMATIC
Avatar
SLIMONTIME
  • MEMBER
  • 19 POSTS
yes, I have just performed a lot of work in regards to different codes, which forced me to wind up replacing the PCM. At start all other codes are gone, yay. The engine starts then shuts down in seconds. I see that a PO418, the only code reading, references the ASD relay circuit. The relay is good. I did though snap one of the vacuum lines from the air pump which I pitched with electrical tape temporarily, seemed tight. I disconnected the unit few times. Now before I tear it all apart is it more likely
a vacuum leak, dinked ground, blocked tube, or malfunctioning air-pump.
May 26, 2017 at 5:51 PM
Advertisement
Avatar
STRAILER
  • CERTIFIED EXPERT
  • 53,854 POSTS
Hello,

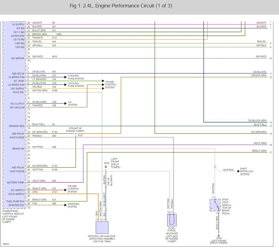
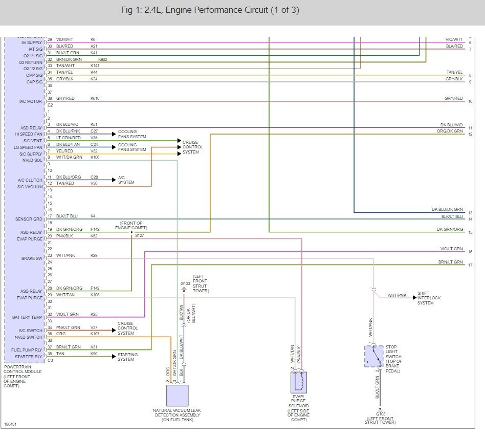
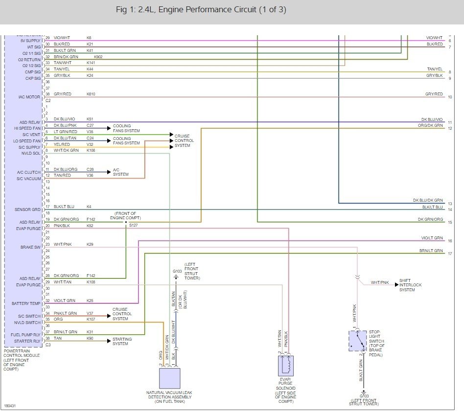
Please check to see if the ASD is getting power and grounds when the key is on. Here are some engine wiring diagrams and a guide to help you get started.

https://www.2carpros.com/articles/how-to-check-an-electrical-relay-and-wiring-control-circuit

Please run this test and get back to us so we can continue helping you.

Cheers, Ken
May 29, 2017 at 1:44 PM