Code p0300?

2005 CADILLAC DEVILLE
73,000 MILES • 4.6L • V8 • 2WD • AUTOMATIC
Avatar
RHIGGI
  • MEMBER
  • 18 POSTS
miss fire at idle only after warmup, over 800 rpm does not miss fire. has full power , visually checked plugs and coils, replaced intake manifold gaskets and inspected for cracks scanner says no vacuum leaks.
Jun 13, 2023 at 10:55 AM
Advertisement
Avatar
STRAILER
  • CERTIFIED EXPERT
  • 53,854 POSTS
It sounds like the MAF sensor is not working correctly or there is a leak after the MAF sensor so please check the air intake tube/boot.

This guide can help:

https://www.2carpros.com/articles/engine-misfires-or-runs-rough

Here is the location of the MAF sensor so you can change it out. Check out the images (below). Please let us know what happens.
Jun 13, 2023 at 7:26 PM
Avatar
RHIGGI
  • MEMBER
  • 18 POSTS
Thanks for the reply, no vaccum leaks ,leaning toward a malfuncting IAT Ibelive that is incorporated in MAF is that right?
Jun 14, 2023 at 8:18 AM
Advertisement
Avatar
AL514
  • CERTIFIED EXPERT
  • 5,465 POSTS
Hello, do you have any live data on your scanner for the engine computer? If so, there should be a data PID for the MAF that will read grams per second (g/s). That number should roughly match the engine size in liters, so 4.6liter, should be around 4.7 g/s for a MAF reading at idle. And yes, if you have a 5 wire MAF the intake air temp sensor is part of the MAF. You can try cleaning the MAF too. Auto parts stores sell MAF cleaner in a spray can.

https://www.2carpros.com/articles/mass-air-flow-service
Jun 14, 2023 at 9:19 AM
Avatar
RHIGGI
  • MEMBER
  • 18 POSTS
Yes I have libe data on scanner I will check that out ,thanks for response, could not find any info on IAT,does has 5 wire MAF.
Jun 14, 2023 at 9:36 AM
Avatar
RHIGGI
  • MEMBER
  • 18 POSTS
I have cleaned MAF couple times.
Jun 14, 2023 at 9:37 AM
Avatar
AL514
  • CERTIFIED EXPERT
  • 5,465 POSTS
Then the IAT sensor is part of the MAF, if the MAF is under reporting air flow to the engine computer (ECM), the ECM will not be providing enough fuel and on cold start up the engine requires a lot more fuel until its warmed up. Some ECMs will go to a default strategy if the MAF fails, so you can try unplugging it and see if the idle improves, it will either get better or stall out.
Jun 14, 2023 at 10:20 AM
Avatar
RHIGGI
  • MEMBER
  • 18 POSTS
The MAF is 18 years old I think I will replace again. thank you
Jun 14, 2023 at 11:24 AM
Avatar
AL514
  • CERTIFIED EXPERT
  • 5,465 POSTS
Okay, let us know if that clears up the random misfire code. There are some issues with carbon build up on intake valves for these engines as well, there is a Technical Service Bulletin on it. If its still setting the code you can try some of the ACDelco Top Engine Cleaner (3rd diagram). That GM recommends for carbon issues. Adding some fuel system cleaner can help as well.
Jun 14, 2023 at 12:53 PM
Avatar
RHIGGI
  • MEMBER
  • 18 POSTS
According to your info on MAF reading of 4.6 my problem is likely that. I took reading this morning and my MAF is saying .02 steady even when I advance throttle, stft on both banks are at -2.3.
Jun 15, 2023 at 7:06 AM
Avatar
AL514
  • CERTIFIED EXPERT
  • 5,465 POSTS
Is that the MAF voltage reading? or the g/s (grams per second)? If that's the voltage reading, you should check for possible bad ground to the sensor, or lack of power feed.
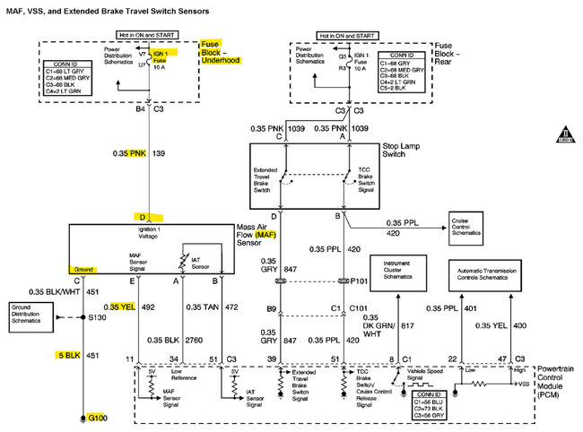
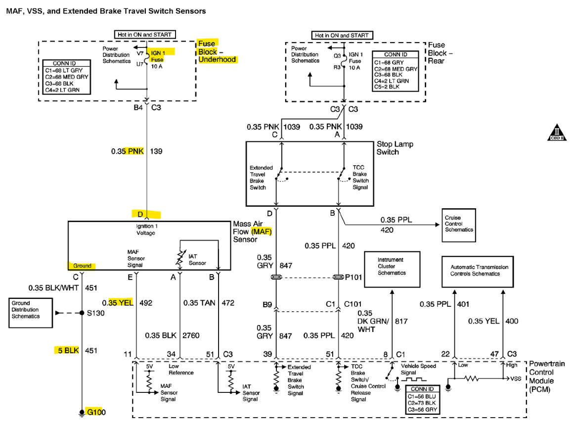
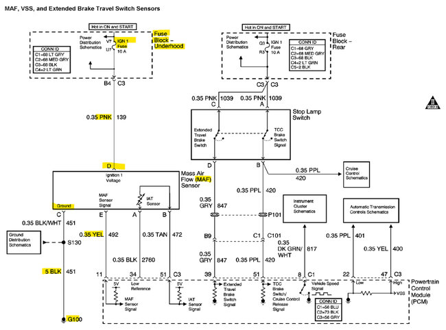
Here's the MAF wiring diagrams if you want to check the voltage feed and Ground. There should be 12v on the pink wire with the Key On.
Jun 15, 2023 at 12:58 PM
Avatar
RHIGGI
  • MEMBER
  • 18 POSTS
My scanner read MAF performance in lbs/s .02 at idle replace MAF ran good for a little while. both banks stft read the same 31.3, is this a sign of fuel restriction? possible fuel filter or pump?
Jun 16, 2023 at 10:20 AM
Avatar
AL514
  • CERTIFIED EXPERT
  • 5,465 POSTS
Did the MAF reading really give you a number of lbs per second? I've never seen a scan tool do that. It's usually always grams per second (g/s) or pounds per minute (lb/m). Because
0.02lbs/s comes out to be 0.15 grams per second. That is almost nothing at all. I think you need to check the powers and grounds to that sensor, and possibly the signal wire going to the ECM. If the voltage is too low, or there's a bad ground to the sensor, both will limit the sensors' ability to work properly. If there's 12-volts and a good Ground to the sensor, then I would check that the signal wire is not going through a corroded connector on its way to the ECM. With a positive Short Term fuel trim like that the ECM is definitely adding almost its maximum amount of fuel it can. It can be a lack of fuel, but on the other side of things, with a MAF reading that low and high fuel trims it looks like a huge vacuum leak. If those numbers are correct from the MAF.
Here's what to do first: verify good power and ground to sensor, with key on engine off. I will look up what kind of signal the ECM is looking for really quick, some MAFs signal with frequency. The frequency will increase as air flow increases. It's better to do some testing, even with a multimeter before replacing any more parts. You can do a fuel pressure test if you want to, but the MAF reading is definitely off. You can do the power and ground check with the sensor unplugged at just Key On. and check it using the sensors ground and then battery negative. A bad ECM ground can affect a sensor as well. I'll look up the testing for the MAF signal for you

Is it not setting any codes at all?
And does your scan tool have any options to look at the I/M readiness monitors?
I also see that this vehicle has a secondary air injection system. Sometimes when the air diverter valve doesn't switch over (or off) and air is continually pumped into the exhaust when it shouldn't be, the oxygen sensors will see that as a seriously lean condition and fuel trims will rise. But the vehicle should be able to sit and idle for a few minutes and then be driven at part throttle up to 45mph for at least 3 minutes to run its active tests and then the IM readiness monitor for the AIR system should read yes/ or ok.

Okay, the operation of the MAF goes as follows. The Pink wire should be 12volts, the Black/White wire is Ground. and the Signal wire is the yellow wire, the yellow wire should read 5 volts and will output a 0v to 5volt square wave signal, that signal will increase in Frequency when air flow increases and should read about 2000Hz at idle. This is the type of sensor I would check with an oscilloscope, but if your scan tool reads live engine data PIDs there will be a reading for the MAF signal.
Jun 16, 2023 at 12:31 PM
Avatar
RHIGGI
  • MEMBER
  • 18 POSTS
yes, the MAF reading on my Foxwell scanner read lbs/s .o2 at idle and .05 at 2k rpm. with new MAF misfire at idle has quit but my stft are still way up there 31to 33% , o2 sensors all read from .1 to .8 in wave form. Now getting dtc p071 and p074 lean both banks, what I dont understand is my scanner has 2 sections for stft when I select the stft next to my o2 sensor PID they read lower around 23% and fluctuate with o2 sensor voltage, except bank1 sensor 2 read steady 99%. Whole thing is very frustrating but I'm making progress. checked fuel pressure ,35at idle and 39 at higher RPM. I really appreciate your help.
Jun 17, 2023 at 9:47 AM
Avatar
AL514
  • CERTIFIED EXPERT
  • 5,465 POSTS
Do you have 2 rear Oxygen sensors? Sometimes if there is really only 1 rear Oxygen sensor a scan tool will put it a substituted value like 99%, I have never used one of the Foxwell scanners, so I don't know how accurate they are. And I have never seen a reading for a MAF like that on any scan tool ever, so we'll just go with it for now. What's happens to your Fuel trims at 2500rpm? Do they drop down to under 10%?
On the waveform do you notice the front 02s hanging in the upper range at all at idle?
The PCM needs to relearn the new MAF as well, so that's something to take into account, but the lean codes are pointing to a large intake vacuum leak.
Jun 17, 2023 at 10:29 AM
Avatar
RHIGGI
  • MEMBER
  • 18 POSTS
I forgot to say I did check MAF current and I have ground and correct current on 12v and 5v.The stft does get close to ten but not under. The 02 voltage seem to wave up and down at all rpm but within range .1to .9 . when I but 2 graph up o2and stft when o2 is up ,ft is down, the graph point at each other and away .
Jun 17, 2023 at 10:39 AM
Avatar
AL514
  • CERTIFIED EXPERT
  • 5,465 POSTS
The MAF signal is read by its Frequency, If the fuel trims come down at higher RPM that is going to be some false air getting into the Intake, Im not sure what your last statement there means. Functioning oxygen sensors will fluctuate up and down, but at idle if theres false air(some kind of vacuum leak) the Oxygen sensor voltage will hang low but still fluctuate. The Short Term fuel trim is the active fuel strategy, the Long Term fuel trim is more of a longer learned fuel strategy. I would do a smoke test on the intake manifold and see if theres any gasket issues or cracked vacuum hoses. Theres a TSB on vacuum leaks and fuel trim or oxygen sensor codes, and since you just replaced the MAF the fuel strategy will be relearned after a few drive cycles, but you should do a smoke test on the intake manifold. Also check that the Purge valve is not stuck open, although that would set a code.
Jun 17, 2023 at 11:45 AM
Avatar
RHIGGI
  • MEMBER
  • 18 POSTS
I do believe I found my air leak, the rubber boot that connects the intake manifold to throttle body. Put stft on scanner placed so I could see it in engine bay and sprayed carb cleaner on boot and got ft to drop down to 20. let you know after I replace. Thanks for having so much patience with me.
Jun 17, 2023 at 5:07 PM
Avatar
AL514
  • CERTIFIED EXPERT
  • 5,465 POSTS
No worries, I like to see the vehicle get fixed, and find out what the actual issue was, I think after you get any leaks fixed, and drive it for a couple days the fuel trims will come down more. The PCM has to relearn the new MAF, so hopefully that leak is all there is.
Jun 17, 2023 at 9:26 PM
Avatar
RHIGGI
  • MEMBER
  • 18 POSTS
Replaced intake manifold gasket and throttle body gasket, the old gaskets were hard and brittle not cracked or damaged. After warming up soft were below10 went for drive and after couple miles started misfiring again 0171,0174 came up again, started searching again found that brake booster check valve grommet must be leaking when i pushed in and twisted ft dropped can't get locally so I ordered online. The brake booster should be fine. I have had one go out before and misfire only when brake applied that is not happening now.
Jun 19, 2023 at 1:14 PM
Avatar
AL514
  • CERTIFIED EXPERT
  • 5,465 POSTS
Okay, yes, you can clamp off the booster hose temporarily for testing, but I have the same exact issue on my truck, the booster has a vacuum leak on the inside seal when I press the pedal. That can be a difficult one to find sometimes, but once you've dealt with it before, you know what to check in the future. Glad you found the issue though, good work.
Jun 19, 2023 at 1:48 PM
Avatar
RHIGGI
  • MEMBER
  • 18 POSTS
Relace brake booster check valve and grommet. During warmup stft were in 20s after warmup they both went to 4 to 8 continued running engine and both ft when back to 33. Checking o2 sensor voltage output was .01 to .o8 less than1 volt could they be fouled? Or bad.

Jun 20, 2023 at 5:13 PM
Avatar
AL514
  • CERTIFIED EXPERT
  • 5,465 POSTS
No, those are normal oxygen sensor voltage readings, what is your MAF reading at idle? Also clamp off the block off the brake booster hose completely, so the booster is out of the equation and see what the fuel trims do. The reason the fuel trims changed after warming up is because when the vehicle is in Open Loop during its warmup to operating temperature, the ECM doesn't use the Oxygen sensor data to calculate its fuel strategy. Once the engine goes into Closed Loop operation, it then uses the Oxygen sensor data and it's still seeing a lean exhaust and adjusting for it. Start to block off some hoses that go to the intake manifold one at a time and see which one causes the short term to come down. Now if your Long term fuel trims are high, for example lets say Long Term is at 20%, and you find a vacuum leak, block it off, now since the Long Term is at 20% (and Long Term is more of a learned value), you will see your short term go to -20%. To correct for the already learned value of the Long Term, when you add 20% and -20% you get 0%. Does that make sense? Once the problem is corrected, the Long Term will eventually learn the correct Fuel trims, and everything will even out.
So, block off the booster hose, unplug the Purge valve and block it off. Any vacuum lines one by one until you find the issue. Or do a smoke test on the booster and intake manifold. There's still a leak somewhere. Can you graph both front oxygen sensors for me after it has warmed up so I can see the waveform?
Jun 20, 2023 at 6:46 PM
Avatar
RHIGGI
  • MEMBER
  • 18 POSTS
After warmup the stft are good below 10 ,o2 sensors read .1 to .8,3 minutes later they go below 1 volt and both graphs read flat at 0 . Replacing booster check valve improved stft and brake pedal pressure ,it was malfunctioning but not out. Blocking vacum hoses does not show improve ment.
Jun 21, 2023 at 6:15 AM
Avatar
RHIGGI
  • MEMBER
  • 18 POSTS
I believe i did have 3 minor vacuum leaks improved stft from 33 to 22,stft on graph are also flat at 22. IDK
Jun 21, 2023 at 6:55 AM
Avatar
AL514
  • CERTIFIED EXPERT
  • 5,465 POSTS
Can you show me the graphs for the 2 front Oxygen sensor graphed voltages only, not the fuel trims, so oxygen sensor Bank 1 Sensor 1 voltage, and oxygen sensor Bank 2 Sensor 1 voltage after warming up when you notice this drop to 0 volts. And on the graph show the point at where they drop and go to from 0.8volts to 0volts. I know your scan tool may read Oxygen sensor STFT %, but I need to see the voltage readings. And in a separate picture the live engine data after warming up at idle. I can't tell what's happening unless I can see what the ECM is seeing.
Jun 21, 2023 at 9:41 AM
Avatar
RHIGGI
  • MEMBER
  • 18 POSTS
This is after warmup o2 sensors are at operating temperature. Could the vapor canister purge valve give me this problem only thing I haven't messed with, that is past the MAF.
Jun 21, 2023 at 1:54 PM
Avatar
AL514
  • CERTIFIED EXPERT
  • 5,465 POSTS
That scan data is extremely slow, those Oxygen sensors are fluctuating much faster than what you are seeing on that screen. Yes, the purge valve can cause a lean condition, if its sticking open, once it's purged all the vapors out of the canister it will be pulling straight oxygen threw the canister vent valve which is normally open. If the canister failed and the charcoal pieces broke apart, they get stuck in the purge valve and keep it open. Try unhooking one of the lines to it and blocking it off. There seems to be sections of the oxygen sensors that are hanging both rich and lean, the upper one on the screen was much slower. But cylinder misfires can cause that as well. When a cylinder misfires, raw fuel and oxygen go down the exhaust, and since an oxygen sensor can only read oxygen, it can send the system rich, just increasing the issue.
If you don't find any more vacuum leaks, then start thinking about clogged injectors, fuel filter, weak fuel pump, bad fuel pressure regulator. All those faults will cause the ECM to enrich the mixture due to a lack of fuel. Your fuel trim numbers are very high, pretty much at the max level.
To check the fuel injectors you'll have to get a fuel injector pulse tool, with a fuel pressure gauge on the rail, you get the pressure up to its max, then pulse each injector one at a time and write down how much the pressure drops, Check the purge valve first, make sure it's not stuck open, or drawing in air from a broken Evap hose.

https://www.2carpros.com/articles/repair-lean-mixture-codes-p0171-or-p0174-on-some-manufacturers
Jun 21, 2023 at 7:23 PM
Avatar
RHIGGI
  • MEMBER
  • 18 POSTS
The fuel tank was almost empty, filled up last night for laughs and giggles plugged in scanner. Stft dropped to low teens to below 10 will try isolating vacuum on cannister purge today and see what happens. It's plugged directly into intake.
Jun 22, 2023 at 4:37 AM
Avatar
RHIGGI
  • MEMBER
  • 18 POSTS
Yea, cannister purge solenoid is bad, got less than 10 on both banks after hose disconnect and blocked even - #s on stft after warmup. Ordered replacement. Again, thank you for your patience and help, do you take donations? Worth it to me I will tell anyone how great you have been.
Jun 22, 2023 at 7:07 AM
Avatar
AL514
  • CERTIFIED EXPERT
  • 5,465 POSTS
I'm so glad you found the fault, was the purge valve stuck open? You should tap the Purge valve in the ground and see if any charcoal pieces come out, if anything falls out of the valve that means the Canister is most likely at fault, and the charcoal inside has broken up and traveled into the purge valve preventing it from closing all the way. The same thing will happen to the new purge valve if the charcoal canister has failed. The reason they go bad is because of over filling the gas tank, The fill handles at the gas station are design to click off when the tank is at the correct fill level, Some people will pull the handle out a little further to try to get more gas in the tank, but this is what causes gas to get into the canister and ruin the charcoal, So just be aware of that.
I believe we do take donations; they go to making repair videos for our YouTube site, they do not go to the technicians. I will get the link for donations and post it here if you want to make one to the site.
Jun 22, 2023 at 2:07 PM
Avatar
RHIGGI
  • MEMBER
  • 18 POSTS
I don't think my solenoid has charcoal in just a valve and it is stuck open haven't replaced yet. Local auto parts want $50.00. Online it's $18.00 get tomorrow. Yes, send link. I have been working on my own cars for 55 years. I know about not overfilling gas tank. I was lucky finding this car 1st owner bought in 2005 Chicago for $50,000 and retired to Fla they were millionaires and I bought from estate for $2,000.00 with 40,000 miles.
Jun 22, 2023 at 2:58 PM
Avatar
AL514
  • CERTIFIED EXPERT
  • 5,465 POSTS
Okay, sorry for the wait. I had to get the link for donations to the site. And about the purge valve, I don't know if it's the same type of design, but I had a case here where the owner of the vehicle put the purge valve on backwards, I guess the vapor line coming in and going out to the intake were exactly the same, and he had them hooked up backwards, that was a fun week. Apparently, the valve will open on its own by manifold vacuum if hooked up backwards. The ECM was setting circuit codes because on its self-tests it wasn't seeing any voltage on the control wire at idle because the valve was already open. I couldn't believe it, that it was a Chevy Aveo, I know you've worked on vehicles a long time, but I thought it was an interesting story since you happen to be changing that valve.

https://gofund.me/c7d318ad
Jun 23, 2023 at 11:55 AM